![]() |
|||||||||||||||||||||||||||||||||||||||||||||||||||||||||||||||||||||||||||||||||||||||||||||||||||||||||||||||||||||||||||||||||||||||||||||||||||||||||||||||||||||||||||||||||||||||||||||||||||||||||||||||||||||||||||||||||||||||||||||||||||||||||||||||||||||||||||||||||||||||||||||||||||||||||||||||||||||||||||||||||||||||||||||||||||||||||||||||||||||||||||||||||||||||||||||||||||||||||||||||||||||||||||||||||||||||||||||||||||||||||||||||||||||||||||||||||||||||||||||||||||||||||||||||||||||||||||||||||||||||||||||||||||||||||||||||||||||||||||||||||||||||||||||||||||||||||||||||||||||||||||||||||||||||||||||||||||||||||||||||||||||||||||||||||||||||||||||||||||||||||||||||||||||||||||||||||||||||||||||||||||||||||||||||||||||||||||||||||||||||||||||||||||||||||||||||||||||||||||||||||||||||||||||||||||||||||||||||||||||||||||||||||||||||||||||||||||||||||||||||||||||||||||||||||||||||||||||||||||||||||||||||||||||||||||||||||||||||||||||||||||||||||||||||||||||||||||||||||||||||
| Главная
Рефераты по биологии Рефераты по экономике Рефераты по москвоведению Рефераты по экологии Краткое содержание произведений Рефераты по физкультуре и спорту Топики по английскому языку Рефераты по математике Рефераты по музыке Остальные рефераты Рефераты по авиации и космонавтике Рефераты по административному праву Рефераты по безопасности жизнедеятельности Рефераты по арбитражному процессу Рефераты по архитектуре Рефераты по астрономии Рефераты по банковскому делу Рефераты по биржевому делу Рефераты по ботанике и сельскому хозяйству Рефераты по бухгалтерскому учету и аудиту Рефераты по валютным отношениям Рефераты по ветеринарии Рефераты для военной кафедры Рефераты по географии Рефераты по геодезии Рефераты по геологии |
Реферат: Совершенствование систем электроснабжения подземных потребителей шахт. Расчет схемы электроснабжения ЦПП до участка и выбор фазокомпенсирующих устройствРеферат: Совершенствование систем электроснабжения подземных потребителей шахт. Расчет схемы электроснабжения ЦПП до участка и выбор фазокомпенсирующих устройствМинистерство образования Российской Федерации Филиал Санкт-Петербургского государственного горного института им. Г.В. Плеханова (технического университета) Воркутинский горный институт Кафедра горной электромеханики Допускается к защите в ГАК Заведующий кафедрой ГЭМдоцент, д.т.н. В.В. Габов "____"_________________ 2001 г. ДИПЛОМНЫЙ ПРОЕКТ180400ПОЯСНИТЕЛЬНАЯ ЗАПИСКАТема: ''Совершенствование систем электроснабжения подземных потребителей шахт. Расчет схемы электроснабжения ЦПП до участка и выбор фазокомпенсирующих устройств'' Филиал ОАО ''Воркутауголь'' шахта ''Комсомольская''Автор, студент гр. ЭР–95 вВ А.А. Подосенов Руководитель проектирования, ст. преп. каф. ГЭМ Л.В. ПересторонинРецензент, гл. энергетик ш. ''Комсомольская'' В.А. ПетровКонсультанты: 1. Горное дело, доцент каф. ГД Ю.М. Погудин 2. Механизация горных работ, доцент каф. ГЭМ В.В. Габов 3. Стационарные установки, ст. преп. каф. ГЭМ А.В. Демешкин 4. Электропривод, профессор каф. Э и ЭМ Э.А. Загривный 5. Электроснабжение, ст. препод. каф. ГЭМ И.Д. Бондарева 6. Автоматизация и моделирование на ЭВМ, доцент каф. ГЭМ Б.М. Борисов 7. Экология, ст. препод. каф. ГД А.Е. Грищенко 8. Охрана труда, профессор каф. ГД В.Н. Бобровников 9. Экономика, зам. нач. ОРТО ОАО ''Воркутауголь'' А.С. Обидёнов 10. Шахтный транспорт, доцент каф. ГЭМ Е.И. Винников Воркута 2001 Министерство образования Российской Федерации Филиал Санкт-Петербургского государственного горного института им. Г.В. Плеханова (технического университета) Воркутинский горный институт Кафедра горной электромеханики УТВЕРЖДАЮ Зав. кафедрой ГЭМ доцент, д.т.н. В.В. Габов "___"_______________ 2001 г. ЗАДАНИЕ НА ДИПЛОМНОЕ ПРОЕКТИРОВАНИЕСтуденту: Подосенову Александру Александровичу группы: 180400Тема: ''Совершенствование систем электроснабжения подземных потребителей шахт. 2. Расчет схемы электроснабжения ЦПП до участка и выбор фазокомпенсирующих устройств''. Филиал ОАО ''Воркутауголь'' шахта ''Комсомольская''.Исходные данные: Горно-геологические технологические и технические условия шахты Комсомольская. Расчет в специальной части выполнить по данным сети электроснабжения шахты по состоянию на 2001 год. Руководитель проектирования, ст. преп. каф. ГЭМ Л.В. ПересторонинДата выдачи задания: '' 28 '' января 2001 г. Зав. кафедрой ГЭМ, доцент, д.т.н. В.В. Габов Задание получил: А.А. Подосенов Аннотация В общей части дипломного проекта был рассмотрен очистной забой лавы 212-с, произведен поверочный расчет магистрального ленточного конвейера, в данной работе произведен расчет двойного питания (при Uн = 660 В и Uн = 1140 В) для электроприемников лавы 212-с, в разделе ''электропривод'' рассмотрена замена существующего вентилятора главного проветривания (с нерегулируемым электроприводом) на вентилятор ВЦД-47 ''Север'' с регулируемым электроприводом по системе АВК, описаны мероприятия по охране труда и экологии. В специальной части дипломного проекта произведен анализ и расчет действующей схемы электроснабжения ш. ''Комсомольская'', на основе которого рассчитана реактивная мощность передаваемая по внутришахтной сети. Расчет мощности компенсирующих устройств выполнен на основе расчетных и графических методов. Произведен выбор оптимальных мест установки компенсирующих устройств. Все расчеты, по выбору компенсирующих устройств, выполнены на основе энергетических и силовых характеристик подземной энергосети ш. ''Комсомольская''. Данный дипломный проект является комплексной работой, в которой есть ссылки на решения и выводы студентов Терентьева А.А., Тюлина В.Е. Пояснительная записка состоит из 103 страниц печатного текста, содержит 32 таблиц и 13 рисунков. К ней приложена графическая часть из 8 листов формата А1. Abstract In a common part of the degree project the stope of longwall 212-n was considered, the checking calculation of a turnpike belt conveyor is manufactured, in the given operation the account of double power supply (is manufactured at Uн = 660 V and Uн = 1140 V) for electroreceivers of longwall 212-n, in section "electric drive" the substitution of an existing main fan (with the noncontrollable electric drive) on a ventilator VCD-47 "North" with the regulated electric drive on a system AVK is considered, the measures on protection of work and ecology are circumscribed. In a special part of the degree project the analysis and account of the operating circuit of electrosupply is manufactured mine "Komsomolskaya", on the basis of which the jet power transmitted on an inside - mine web is calculated. The account of power of compensating devices is executed on the basis of calculated and graphic methods. The choice of optimum installation sites of compensating devices is manufactured. All accounts, at the choice of compensating devices, are executed on the basis of power and force performances of a underground power grids mine "Komsomolskaya". The given degree project is complex operation, in which there are references to solutions and conclusions of the students Terentev A.A., Tulin V.E. The explanatory slip consists of 103 pages of the printed text, contains 32 tables and 13 figures. The graphic part from 8 sheets of a format А1 is affixed on her. Содержание1.1 Геологическая характеристика шахты 7 2. Механизация очистных работ 12 2.1. Система разработки и механизация выемки угля 12 2.2. Расчет суточной нагрузки на забой лавы 312-с 14 2.3. Характеристики сравниваемых механизированных комплексов 20 3. Шахтный подземный транспорт 22 4.1 Вентилятор главного проветривания 28 5.1. Существующая схема электроснабжения 30 5.2. Расчет электроснабжения лавы 312-с 30 6. Регулируемый электропривод вентиляторов главного проветривания 46 6.1 Электропривод по системе асинхронного вентильного каскада 46 7. Автоматизация производственных процессов 52 7.2 Средства технологического контроля за работой 53 7.3 Техническое обеспечение 54 8.2. Мероприятия по борьбе с газом 67 8.3. Мероприятия по комплексному обеспыливанию 68 8.4. Мероприятия по борьбе с внезапными выбросами угля, газа и 69 8.5. Мероприятия по электробезопасности 69 8.6. Противопожарные мероприятия 71 8.7. Анализ травматизма по шахте «Комсомольская» за 12 месяцев 2000 года 72 8.8. План ликвидации аварии 73 8.9. Производственная санитария 74 9.1 Загрязнение воздушного бассейна 75 9.2 Мероприятия по охране атмосферного воздуха 76 9.3 Загрязнение и охрана водных ресурсов 76 9.4 Мероприятия по охране водоемов от загрязнения 77 9.7 Платежи за выбросы загрязняющих веществ в окружающую среду и размещение отходов 78 10. Совершенствование системы электроснабжения 79 подземных потребителей шахты 79 Расчет схемы электроснабжения ЦПП до участка 79 и выбор фазокомпенсирующих устройств 79 10.1 Расчет токовых нагрузок по блоку «Северный» 88 10.2 Компенсация реактивной мощности у наиболее удаленного потребителя 95 11. Экономический расчёт затрат на внедрение БК 97 11.2. Определение нормативной численности электрослесарей на техническое 97 обслуживание и ремонт БК участка ПУРСА 97 11.3. Экономические аспекты задачи компенсации мощности 98 Список использованных источников 103 ВведениеНеуклонный рост электровооруженности труда обеспечивает возможность дальнейшего проведения комплексной механизации и автоматизации, и на основе этого возрастает производительность труда, но нормальная работа горного предприятия так же зависит от качественного электроснабжения. При качественном электроснабжении паспортные характеристики горных машин практически не отличаются от номинальных. Энергосистема должна быть спланирована так, что дает возможность устанавливать дополнительные мощные потребители без реконструкции коммутирующих элементов системы, коэффициент мощности системы поддерживается по всей системе на высоком уровне. В данной системе должна быть предусмотрена возможность контроля за параметрами качества электроэнергии и иметь систему контролирующую и регулирующую нагрузки предприятия по следующим параметрам: – вычисление потребляемой активной и реактивной электрической энергии нарастающим итогом за сутки, месяц; – вычисление текущей совмещенной тридцатиминутной мощности активной и реактивной, а также вычисление и контроль максимальной мощности и определение ее прогнозируемого значения в часы максимума нагрузки энергосистемы; – вычисление минимальной и средней реактивной мощности, передаваемой из сети или генерируемой в сеть энергосистемы, за период наименьшей активной нагрузки, определяемой за месяц; – контроль лимитов расхода электроэнергии за сутки, за месяц. В энергосистеме горного предприятия должен быть предусмотрен комплекс современных быстродействующих защит, обеспечивающих работу энергосистемы в номинальных режимах работы. Система должна отвечать требованиям правил техники безопасности. 1. Технология горных работ1.1 Геологическая характеристика шахтыПоле шахты ''Комсомольская'' находится на западном крыле Воркутской мульды на расстоянии 11 км от города Воркуты. Объединяет поля бывших шахт №№ 17, 18 и 25. Его размеры: по простиранию – 12 км и по падению – 3 км. Находится в пределах метановой зоны. Верхняя отметка ее по северному и южному крыльям составляют в среднем соответственно +30 и + 70. С учетом тектоники, значительных размеров и высокой метаноносности угольных пластов и спутников разделено по простиранию на 4 эксплуатационных блока (с юга на север): «Южный» и 2-й «Южный», «Северный» и 2-й «северный». Шахта является угольным предприятием второго ряда и имеет следующие границы: по восстанию – с полями отработанных шахт №№ 26, 25, 18, 17, ''Промышленная'' и ''Центральная'' (с юга на север); на юге – с полем действующей ныне шахты ''Заполярная''; по падению с полями действующих шахт ''Воркутинская'' и ''Северная''. Связана шахта автодорогой с кольцевой автодорожной магистралью и с поселком Комсомольский, а также железной дорогой с подъездными железнодорожными путями. Шахта ''Комсомольская'' введена в эксплуатацию в 1949 с проектной мощностью 500 тыс. тонн угля в год (1670 тонн в сутки) – бывшая шахта № 18, подвергшаяся в 1959 – 1976 годах групповой реконструкции. Приемка новой шахты ''Комсомольская'' после реконструкции шахт №№ 17, 18 и 25 выполнена в декабре 1976 – январе 1977 года. Шахта ''Комсомольская'' как сверхкатегорийная по газу СН4 и опасная по внезапным выбросам, относится к шахтам с особо вредными и тяжелыми условиями труда. Средняя абсолютная газообильность с учетом каптированного метана составляет 217,9 м3/мин. При этом среднегодовой расход метана, отсасываемого дегазационной установкой – 63,9 м3/мин. Относительная газообильность шахты – 79,6 м3 на тонну угля при среднесуточной добыче 3153 тонны в течение года. По пыли: опасная, выход летучих составляет 32,5%, 3-я группа пыльности. По содержанию свободной кремнекислоты в образцах породы (20 – 30%), вмещающих пласты угля, забои шахты считаются силикозоопасными. Данная работа является комплексной. В пояснительной записке, в разделе ''геология'' рассматривается система вентиляции ш. ''Комсомольская''. Геология блоков ''северный'' и ''южный'' рассмотрены студентами Терентьевым А.А. и Тюлиным В.Е. Рассматривается система вентиляции, как исходные данные для комплексного проекта по следующим причинам:
1.2 ВентиляцияШахта ''Комсомольская'' отнесена к опасным по внезапным выбросам метана. Средняя абсолютная газообильность с учётом каптированного метана составляет 217,9 м3/мин. При этом среднегодовой расход метана, отводимого дегазационной установкой – 73,9 м3/мин. Относительная газообильность шахты – 79,6 м3 на тонну угля при среднесуточной добыче 4797 т в течение года. Шахта также опасна по пыли и отнесена к 3-ей группе пыльности. Выход летучих составляет 32,5%. По содержанию свободной кремнекислоты в образцах породы (20 – 30%) забои шахты считаются силикозоопасными. В целом шахта как сверхкатегорная по газу метану и опасная по динамическим явлениям отнесена к шахтам сверхкатегорийным по газодинамическим явлениям. Все угольные пласты опасные по взрывам пыли и являются высокометаноносными. Пласт Мощный с отметки –350 и пласт Тройной с отметки –500 – опасные, а пласт Четвёртый с отметки –800 – угрожаемый по внезапным выбросам угля и газа. Кроме того, все три пласта опасные по горным ударам соответственно с отметок –65, –270 и –270. Схема проветривания – комбинированная, центрально-фланговая, способ проветривания – всасывающий. Способ дегазации: каптаж метана из подрабатываемых пластов-спутников в зонах, разгруженных от горного давления, через подземные скважины, пробуренные с фланговых выработок. Схема проветривания выемочных участков принята с учетом высокой метанообильности, прямоточная с полным обособленным разбавлением метана по источникам его выделения. Для целей вентиляции пройдены:
Также исходящая струя воздуха с горизонта –270 м выдается частично по скиповому стволу, через который проветриваются камеры околоствольного двора горизонта –620 м (ДП.180400.01, рис.1.2.1). Максимальное количество воздуха в шахту, при вводе вентствола №4 в действие, составит 585 м 3/с. В блоки «Южный» и «Северный» свежий воздух подается по вентиляционному стволу №1 и вентиляционным квершлагам длиной порядка 480 м, пройденным на горизонте –620, а также по вспомогательному клетевому стволу и по скиповому стволу. Вывод исходящей струи из блоков осуществляется по вентиляционным стволам №2 и №3. При этом вентиляционный горизонт принят на отметках –400 м (северное крыло) и –450 (южное крыло), а также на горизонте –270 м, на котором пройден околоствольный двор при основных стволах, соединенных квершлагами и наклонными вентсбойками с горизонта –400 м. Общее количество воздуха, поступающее в шахту и выдаваемое из нее, представлено в табл. 1.1. Таблица 1.1 Количество воздуха по шахте "Комсомольская"
Количество воздуха, поступающего на добычные и проходческие участки, представлено в табл. 1.2 и 1.3. Таблица 1.2 Количество воздуха, поступающего на добычные участки
Таблица 1.3 Количество воздуха, поступающего на проходческие участки
Вентиляторные установки размещены в зданиях вентиляторных с вентканалами, оборудованными вентиляторами для проветривания шахты:
Способ дегазации – каптаж метана из подрабатываемых пластов спутников в зонах, разгруженных от горного давления через подземные скважины, пробуренные с фланговых выработок.
Рис.1.2.1 Микросхема проветривания шахты ''Комсомольская'' 2. Механизация очистных работ2.1. Система разработки и механизация выемки угляНа шахте «Комсомольская» принята система подготовки шахтного поля полевая, блоковая, панельная. Блоки «Северный» и «2-й Северный» представляют собой двухстороннюю панель, а блоки «Южный» и «2-й Южный» – двух- и односторонняя панели. Выемочные столбы подготавливаются одинарными промежуточными штреками с поддержанием их на границе массив – выработанное пространство. Порядок отработки: шахтного поля – прямой; блоков: «Северный» и «2-й Северный» – лавами по простиранию, нисходящий; блока «Южный» – лавами по простиранию, нисходящий; блока «2-й Южный» – одинарными лавами по падению в северной части блока и по простиранию в южной части; выемочных участков – обратный, с управлением кровлей полным обрушением. На шахте работает три добычных участка. Данные по структуре и параметрам механизации очистных работ на шахте «Комсомольская» приведены в табл. 2.1. Для пластов «Мощного», «Тройного» и «Четвертого» при принятой системе разработки в данном проекте принимаем прямоточную схему проветривания отрабатываемого очистного забоя (участка). Таблица 2.1 Механизация очистных работ на шахте «Комсомольская»
Данные плановой и фактической добычи по шахте [2] и участкам представлены в табл. 2.2. На рис. 2.1 и 2.2 показано соответственно гистограмма плановой и фактической добычи по шахте и добыча участка №10 по месяцам и круговая диаграмма добычи каждого участка за 2000 год. Таблица 2.2 Плановая и фактическая добыча по шахте «Комсомольская» и участкам за 2000 год
Рис.2.1. Гистограмма плановой и фактической добычи шахты и участка №10 по месяцам
Рис. 2.2. График добычи каждого участка шахты «Комсомольская» за 2000 год Далее выполним расчет суточной нагрузки на забой лавы 312-С. Так как на шахте применяются типовые механизированные комплексы в типовых горно-геологических условиях, где целесообразно применение энерговооруженных комбайнов, работающих без ограничения производительности, то расчет выполняем по упрощенной методике на основе эмпирических и энергетических характеристик для типовых комбайнов. 2.2. Расчет суточной нагрузки на забой лавы 312-сИсходные данные для расчёта приведены в табл. 2.3. Таблица 2.3. Исходные данные к расчёту нагрузки на забой
Расчет нагрузки на забой производится для конкретных горно-геологических условий на основе определения минутной производительности комбайна с учетом ограничения по скорости крепления забоя, а также по фактору проветривания. Скорость подачи очистного комбайна (VП, м/мин):
где VП.Тяг – скорость подачи по допустимому тяговому усилию; VП.ПР – скорость подачи комбайна по мощности привода; VП.КИН – скорость подачи комбайна по кинематически возможной устойчивой скорости подачи; kВ.П – коэффициент увеличения скорости подачи комбайна при выемке хрупких углей. Скорость подачи выемочной машины для фактического значения средневзвешенной сопротивляемости пласта резанию (Vп.Ā, м/мин), согласно рекомендациям по [5], находим по формуле:
где
Скорость подачи выемочной машины по допустимому значению тягового усилия (VП.Тяг, м/мин):
где FT = 160 кН – тяговое усилие подающей части; G = 30,95 т – масса комбайна; = 6 –угол падения пласта; FП – составляющая силы резания в направлении подачи комбайна:
Скорость подачи комбайна по кинематически возможной устойчивой скорости подачи (VП.КИН, м/мин):
где kУС = 0,9 – коэффициент устойчивой работы. Производительность комбайна (qМ, т/мин) без учета ограничений по скорости крепления определяется по формуле:
где Нр = 2,2 м – вынимаемая мощность пласта; = 1,34 т/м3 – плотность угля в массиве; Вз=0,63 м – ширина захвата комбайна; kг =1 – коэффициент использования ширины захвата; Vп=5,4 м/мин – скорость подачи комбайна. Расчёт производительности по скорости крепления (qкр, т/мин):
где Vкр – скорость крепления:
где
Так как qкр < q, т. е. 4 т/мин < 10 т/мин, расчёт ведём по производительности комбайна, рассчитанной по скорости крепления механизированной крепи. Допустимая нагрузка на очистной забой по фактору проветривания (Qr, т/сут) определяется по формуле:
где Sn = 6,55 м2 – проходное сечение струи воздуха при минимальной ширине призабойного пространства; Vв = 4,0 м/с – максимально допустимая по ПБ скорость движения воздуха в лаве; d = 1% – допустимая по ПБ концентрация метана в исходящей струе воздуха; kв = 1,2 1,4 – коэффициент, учитывающий движение части воздуха по выработанному пространству; qn = 8м/т – относительная метанообильность шахты; kмет = 0.7 – коэффициент, характеризующий естественную дегазацию источников выделения метана в период отсутствия очистных работ. Количество угля вынимаемого за цикл (Ац, т):
Сменная нагрузка на забой (Асм, т) без учета ограничений по скорости крепления определяется по формуле:
Тогда суточная нагрузка на забой (Асут, т):
Количество циклов в сутки (NС):
Принимаем количество циклов в сутки 12. Расчетная нагрузка на забой составит:
Сменная нагрузка на забой по (2.11) с учетом ограничений по скорости крепления:
Суточная нагрузка на забой (Асут, т) по (2.12):
Количество циклов в сутки (NС) по (2.13):
Принимаем количество циклов в сутки 4. Расчетная нагрузка на забой составит по (2.14):
Эксплутационная производительность комбайна (QЭ, т/см):
где Т – продолжительность смены, час; ТВСП – время затраченное на вспомогательные операции, мин:
где
Время, затраченное на вспомогательные операции (ТВСП) найдем через коэффициент машинного времени:
где
При ТВСП= 50 мин по выражению (2.15) строим график зависимости QЭ = f (VП) – рис.2.3:
При ТВСП= 162 мин по выражению (2.15) строим график зависимости QЭ = f (VП) – рис.2.3:
При анализе полученных данных видно, что дальнейшее увеличение добычи возможно за счет комплекса мер, направленных на: увеличение коэффициента машинного времени: – уменьшение времени концевых операций; – увеличение длины лавы; – снятие ограничений по скорости подачи комбайна (ограничений по креплению, транспортировки угля и проветриванию); – уменьшение времени на доставку людей к рабочему месту; – повышение качества текущего ремонта горного оборудования; – увеличение сечения подготовительных выработок для изменения схемы зарубки комбайна, что будет способствовать увеличению коэффициента машинного времени. Использование схемы «косых заездов» связано с тем, что сечение подготовительных выработок мало для осуществления «прямых заездов» комбайна. Ограничения по креплению и транспортировки можно снять применением других механизированных комплексов. Далее сравним характеристики механизированного комплекса, работающего на участке №6 шахты «Комсомольская», с другим, работающими на шахтах ОАО «Воркутауголь». Из
графиков, показанных
на рис.2.3, видно,
что при снятии
ограничений
по креплению
(кривая 2) возможно
увеличение
производительности
за счет увеличения
скорости подачи
комбайна с 2,1
м/мин до 4м/мин,
дальнейшее
увеличение
скорости
нецелесообразно,
из-за малого
роста производительности
Рис. 2.3. график зависимости QЭ = f (VП) Обозначения позиций: 1 - график зависимости QЭ = f (VП) при ТВСП = 50 мин; 2 - график зависимости QЭ = f (VП) при ТВСП = 108 ми 2.3. Характеристики сравниваемых механизированных комплексовНа основе технико-экономических показателей, согласно табл. 2.1, очистного забоя, можно сделать вывод, что механизированный комплекс ОКП-70, применяемый по пласту Тройному технически и морально устарел, что значительно снижает среднесуточную нагрузку на лаву, затрудняет работу людей в забое, а также приводит к увеличению травматизма. На участке №10 предлагается заменить устаревший очистной комплекс 2ОКП-70БК на современный КМ-144 второго типоразмера после сравнения некоторых технических данных, приведённых в табл. 2.4. Таблица 2.4 Некоторые технические данные сравниваемых очистных комплексов
Предлагается также заменить очистной комбайн на более современный, что видно из сравнения некоторых технических данных, приведённых в табл. 2.5. Таблица 2.5 Технические данные сравниваемых очистных комбайнов
Все данные в табл. 2.4 и 2.5 взяты из 3, 4 и 5. Выбор наиболее рациональной схемы электроснабжения начинаем с составления плана горных работ на участке. На плане горных работ показываем расстановку горного оборудования, подбираем наиболее подходящую типовую схему электроснабжения участка и корректируем ее применительно к нашим условиям, определяем число распределительных пунктов, место установки, шаг перемещения распределительных пунктов. 3. Шахтный подземный транспортВ пределах блоков от очистных и подготовительных забоев до горизонта -620 м транспортировка угля принята с помощью конвейеров. На погрузочных пунктах под панельными уклонами имеются аккумулирующие емкости, на перегрузочных пунктах с промежуточных штреков на уклоны – углеспускные гезенки. Откаточные выработки горизонта -620 м пройдены двухпутевыми или парными однопутевыми (главные квершлаги). По откаточному горизонту -620 м сохраняется электровозная откатка от погрузочного пункта блока «Южный» до разгрузочно-погрузочного комплекса скипового ствола. Откатка осуществляется по «Южному» полевому откаточному штреку и главным откаточным квершлагам горизонта -620 м. В настоящее время порода от проходки и ремонта выработок доставляется на горизонт -620 м раздельно от угля в специально отведённое время и в породных составах ПС-3,5 электровозами к скиповому стволу и породным скиповым подъемом выдается на поверхность. Перевод «Южного» крыла шахты на полную конвейеризацию транспортировки угля связан со значительными дополнительными затратами на проходку и оборудование конвейерной магистрали и в условиях шахты представляется перспективным, но долгосрочным. Поэтому доставка угля по откаточным выработкам блока «Южный» – электровозная. С целью повышения надежности электровозной откатки по горизонту –620 м в данном проекте принимаем:
Чистое время работы транспорта в смену – 5,5 часов, в сутки – 16,5 часов. Величина груженого состава определена из условия нагревания тяговых электродвигателей. Количество вагонеток (платформ) в составе:
В настоящее время блок «Северный» полностью конвейеризован. Транспортировка угля от лавы пласта мощного осуществляется участковыми конвейерами до конвейерного уклона 12-с, конвейерами уклона 12-с до накопительного бункера северного магистрального конвейерного штрека (СМКШ), конвейером СМКШ до накопительного бункера центрального конвейерного уклона (ЦКУ), конвейером ЦКУ до накопительного бункера главного вентиляционного квершлага (ГВК), конвейером расположенным на ГВК до скипового ствола. Схема транспорта породы осуществляется также, раздельно от угля в специально отведённое время. В очистных забоях применяются скребковые конвейера типа СП-301М, «Анжера-26» и СП-87ПМ. В выемочных полях пласта «Четвёртого» на конвейерных штреках устанавливаются ленточные конвейеры типа ЛТПП1000, а в выемочных полях пластов «Тройного» и «Мощного» устанавливаются конвейеры 1Л100К1 или 2Л100У. На конвейерном уклоне блока «Южный» применяют конвейеры 1Л120, 2ЛТ100У и 3Л100У. На конвейерном уклоне блока «Северный» применяются конвейеры типа 2ЛТК1000А, 3Л100У и 3Л120В. В целом конвейерный транспорт отвечает условиям эксплуатации при разработке очистных забоев. На проходческих участках в подготовительных выработках используются скребковые конвейеры типа СР-70 и далее в транспортных цепочках ленточные конвейеры 1Л80 или 2Л80. Материалы и оборудование для лавы 212-с доставляются с горизонта -620 м по южному полевому грузовому уклону № 1 подъемной машиной БМ-2500 до нижней приемной площадки уклона, откуда, после перецепки, груженые сосуды опускаются дорогой 1ДНГ по грузовому уклону №1 пласта «Тройного» и грузовому уклону 12-ц и по заездам доставляются на вентиляционный и конвейерный штреки 212-с. По вентиляционному штреку груженые сосуды перегоняются напочвенной дорогой типа ДКН2 от заезда до натяжной станции, а по конвейерному штреку - дорогами типа ДКН2 от заезда до натяжной станции. Доставка от натяжных станций ДКН2 до лавы производится: по вентиляционному штреку – ручной подноской на расстояние до 50 м, по конвейерному штреку - конвейером СП-202 в реверсивном режиме с ручной подноской на расстояние до 30 м. Перепуск материалов по лаве от верхнего сопряжения до нижнего осуществляется конвейером «Анжера-26» в обычном режиме, а доставка с конвейерного на вентиляционный штрек производится в реверсивном режиме. Доставка по уклонам № 1 и 12-ц выполняется рабочими ВШНТ по соответствующим проектам. Доставка напочвенными дорогами ДКН2 производится не менее, чем двумя рабочими, по оборудованию, составу и обязанностям исполнителей и организации работ соответствует технологической карте ТКО-3 «Технологических карт на откатку грузов лебедками по участковым выработкам очистных и подготовительный забоев шахт Печорского бассейна (1984 г.)» и «Инструкции по безопасной эксплуатации рельсовых напочвенных дорог в угольных шахтах» (1986 г.). Анализ работы транспорта показывает, что одной из причин простоя забоев и лав являются неисправности, связанные с магистральными конвейерами. Выполним эксплуатационный расчет магистрального ленточного конвейера 2ЛТ100У, установленного между ЮПКУ и К/У 12-Ц (передаточный конвейерный штрек). Исходные данные к расчету конвейера 2ЛТ100У представлены в табл. 3.1. Таблица 3.1 Исходные данные к расчету конвейера 2ЛТ100У
Расчет конвейера типоразмерного ряда с лентой шириной 1000 мм производим по ОСТ 12.14.130 – 80. Максимальная приемная производительность конвейера (QМАК.К, т/мин):
Площадь поперечного сечения (SП, м2) потока груза на ленте:
Часть ширины ленты (b1, м), загружаемой углем:
Проверка расчетной и паспортной приемной способности производится из условия QПР і Qпасп (18 т/мин > 15,7 т/мин — условие выполняется, следовательно, выбранный конвейер 2ЛТ100У соответствует требуемым условиям). Максимальный часовой грузопоток (QMAX, т/час):
где kн = 1,6 – часовой коэффициент неравномерности [11]; Qср – средний часовой грузопоток, т/ч:
где Тсм = 6 ч — продолжительность добычной смены. Определение линейных масс движущихся частей конвейера. Линейная масса груза (q, кг/м):
Линейную массу резинотканевых лент принимаем qл = 28,0 кг/м [10]. Линейная масса вращающихся частей роликоопор [11] :
где
Сопротивление движению на груженой и порожней ветвях конвейера соответственно:
где g = 9,8 м/с – ускорение свободного падения; w = 0,035 – коэффициент сопротивления движению. В связи с тем, что конвейер работает по горизонтали, привод устанавливается в конце груженой ветви. Расчетная схема конвейера представлена на рис. 3.1.
Рис. 3.1. Расчетная схема для конвейера Натяжение ленты в точке сбегания с приводного барабана:
где kт = 1,2 – коэффициент запаса сил трения на приводных барабанах; F – тяговое усилие на приводном валу конвейера: |
||||||||||||||||||||||||||||||||||||||||||||||||||||||||||||||||||||||||||||||||||||||||||||||||||||||||||||||||||||||||||||||||||||||||||||||||||||||||||||||||||||||||||||||||||||||||||||||||||||||||||||||||||||||||||||||||||||||||||||||||||||||||||||||||||||||||||||||||||||||||||||||||||||||||||||||||||||||||||||||||||||||||||||||||||||||||||||||||||||||||||||||||||||||||||||||||||||||||||||||||||||||||||||||||||||||||||||||||||||||||||||||||||||||||||||||||||||||||||||||||||||||||||||||||||||||||||||||||||||||||||||||||||||||||||||||||||||||||||||||||||||||||||||||||||||||||||||||||||||||||||||||||||||||||||||||||||||||||||||||||||||||||||||||||||||||||||||||||||||||||||||||||||||||||||||||||||||||||||||||||||||||||||||||||||||||||||||||||||||||||||||||||||||||||||||||||||||||||||||||||||||||||||||||||||||||||||||||||||||||||||||||||||||||||||||||||||||||||||||||||||||||||||||||||||||||||||||||||||||||||||||||||||||||||||||||||||||||||||||||||||||||||||||||||||||||||||||||||||||||
|
Учас-ток |
Наименование выработок |
а |
L, м |
P, м |
S,м2 |
S |
Q,м3/с |
Q |
R10, км |
h,aПа |
|
1 |
2 |
3 |
4 |
5 |
6 |
7 |
8 |
9 |
10 |
11 |
|
1-2 |
Вентствол № 4 |
14,7 |
998 |
25,2 |
50,2 |
126506 |
270 |
72900 |
2,99 |
21,8 |
|
2-3 |
Магистральный штрек |
15,2 |
800 |
16 |
17,2 |
5088 |
143,3 |
20535 |
38,2 |
78 |
|
3-4 |
Рельсовый уклон |
15,2 |
2300 |
14,6 |
14,4 |
2986 |
56,9 |
3238 |
170,9 |
55,3 |
|
4-5 |
Вентиляцион. штрек |
15,7 |
1300 |
13,8 |
12,8 |
2097 |
15,2 |
231 |
134,3 |
3,1 |
|
4-6 |
Лава |
50 |
200 |
6,9 |
3,8 |
55 |
9,6 |
100 |
1254,5 |
12,5 |
|
6-7 |
Конвейерный штрек |
16 |
500 |
13,8 |
12,8 |
2097 |
24,8 |
615 |
52,6 |
3,2 |
|
7-8 |
Фланговый вент.уклон(1) |
15,7 |
800 |
14,6 |
14,4 |
2986 |
36,1 |
1303 |
61,41 |
8 |
|
8-9 |
Фланговый вент.уклон 2) |
15,7 |
600 |
14,6 |
14,4 |
2986 |
60,9 |
3709 |
46,06 |
17 |
|
9-10 |
Полевой вент. штрек гор.-620 |
15,7 |
1230 |
14,6 |
14,4 |
2986 |
133,5 |
2822 |
94,4 |
16,8 |
|
10-11 |
Вентиляцион. квершлаг |
15,2 |
490 |
14,6 |
14,4 |
2986 |
90 |
8100 |
36,4 |
29,5 |
|
11-12 |
Вентствол № 1 |
4,5 |
645 |
17,4 |
23,8 |
13481 |
270 |
72900 |
3,7 |
27 |
|
ОБЩАЯ ДЕПРЕССИЯ |
272,2 |
|||||||||

Рис. 4.1
В настоящее время электроснабжение шахты выполнено на напряжение 110 кВ (после недавней реконструкции схемы электроснабжения шахты и введения новой подстанции 110/6,3/6 кВ) от районной подстанции 220/110/35 кВ «Воркута».
Питание потребителей промплощадки и подземных нагрузок северного блока осуществляется через подстанцию 110/6,3/6 кВ на промплощадке с двумя трансформаторами по 25 МВА.
Питание потребителей вентстволов №1 и №3 и подземных потребителей южного блока осуществляется через подстанцию 35/6 кВ на вентстволе №3 с двумя трансформаторами по 10 МВА. Кроме того, питание потребителей вентствола №2 осуществляется по двум кабельным линиям 6 кВ от РУ кВ подстанции закрытой ныне шахты «Промышленная».
Напряжения электрических сетей.
Приняты следующие стандартные напряжения электрических сетей на шахте:
6 кВ – для питания РУ-6 кВ на поверхности, ЦПП, РПП-6 кВ подземных выработок, участковых подземных подстанций (ПУПП), КТП 6/0,4-0,23 поверхности, высоковольтных двигателей;
1140 В – для питания подземных силовых электроприемников;
660 В – для питания низковольтных подземных силовых электроприемников;
380-220 В – для питания низковольтных силовых и осветительных потребителей поверхности;
127 В – для сети освещения подземных выработок и ручных электросверл.
Данным проектом производится проверочный расчет электроснабжения очистного забоя 312-с на напряжение потребителей 1140В и 660В по упрощённой методике на основе эмпирических силовых и электрических характеристик для типового электрооборудования и горно-геологических условий шахты «Комсомольская» и в соответствии с отчетом №1 о расстановке ГШО на добычных участках шахты «Комсомольская» на март 2001 года.
На основании технических характеристик электроприводов машин и механизмов для выбранного механизированного очистного комплекса, составляется таблица нагрузок на очистной забой – табл. 5.1. В таблицу нагрузок также вносятся резервные и вспомогательные установки, которые применяются только в ремонтно-вспомогательную смену и на общую нагрузку не влияют. Для расчета принимаем смешанное (660В и 1140В) напряжение электроснабжения участка, для питания осветительной сети и ручного электросверла 127 В.
Схема электроснабжения конкретных токоприемников приведена на чертеже ДП.180400.05.
Таблица 5.1
|
Наименование и тип потребителя |
Тип двигателя |
Количество двигателей |
Технические данные одного двигателя |
|||||
|
Uн, В |
Pн, кВт |
н, % |
cosн, |
IН, А |
IП, А |
|||
|
Комбайн 2ГШ-68Б |
ЭКВ5-200 |
2 |
1140 |
200 |
90,5 |
0,84 |
182 |
850 |
|
Конвейер в лаве Анжера-26 |
2ЭДКОФВ–250LB4 |
3 |
1140 |
110 |
93,2 |
0,85 |
70,5 |
528,8 |
|
Пусковой агрегат АПШ -2 |
– | – |
1140 |
4 |
92 |
0,92 |
17,4 |
– |
|
Перегружатель СП-202 |
2ЭДКОФ–250М4 |
2 |
660 |
55 |
92,5 |
0,86 |
60,5 |
453,8 |
|
Насос орошения НУМС |
ВРП–180 М4 |
1 |
660 |
30 |
91,7 |
0,9 |
33 |
182 |
|
Маслостанция СНТ – 32 (3 шт) |
2ЭДКОФ–250М4 |
1 |
660 |
55 |
92,5 |
0,82 |
62,5 |
450 |
|
ВАИУ-110 L2 |
1 |
660 |
5,5 |
89,7 |
0,85 |
7,3 |
47,5 |
|
|
Бак эмульсионный |
2ВР100/2 |
1 |
660 |
13 |
87 |
0,86 |
17 |
63 |
|
Пусковой агрегат АПШ –1 |
– | – |
1140 |
4 |
92 |
0,92 |
17,4 |
– |
|
Лебедка ЛКГН (2шт) |
ВРП–160М4 |
1 |
660 |
18,5 |
90,5 |
0,82 |
21,5 |
136,5 |
|
Лебедка 17ЛС2С |
ВРП–180S4 |
1 |
660 |
22 |
90,5 |
0,86 |
25,5 |
150 |
|
Компрессор ЗИФ–ШВ-5М |
ВАО–82–2 |
1 |
660 |
55 |
90 |
0,9 |
60 |
420 |
|
Подрывочная машина «Унизенг» |
ВРП–200М4 |
1 |
660 |
37 |
92 |
0,88 |
44 |
308 |
Расчет нагрузки и выбор участковых подстанций.
Определение мощности потребителей 1140 В. Суммарная установленная мощность токоприемников участка определяется как сумма номинальных мощностей отдельных токоприемников.
Полная расчетная мощность токоприемников в нормальном режиме определяется методом коэффициента спроса.
кВ·А
(5.1)
где – коэффициент, зависящий от типа механизации, = 0,4; Руст – установленная мощность потребителей; КИ – коэффициент использования наиболее мощного потребителя, КИ = 1; РМ – мощность наиболее мощного потребителя; сosм – средневзвешенный косинус потребителей:.
Р уст = Р ном = Р1 2 + Р2 3 = 200 2 + 110 3 =730 кВт, (5.2)
сos м
=
=
=
0,84, (5.3)
где Р1 и Р2 – мощность электроприемников на 1140 В; cos 1 и cos 2 – коэффициент мощности электроприемников питающихся от одной ПУПП на 1140 В.
Полная
расчетная
мощность
токоприемников
(
,
кВ·А) в нормальном
режиме с учетом
мощностей
пускового
агрегата
= 633 + 4 = 637 кВ·А,
(5.4)
Sн
≥
,
(5.5)
где Sн – номинальная мощность условно принятого ПУПП, Sн = 1000 кВ·А. Условия выполняются.
Определение предельно установленной мощности электроприемников.
Рпр =
=
= 1500 кВт (5.6)
Определяем допустимую мощность электроприемников, которые могут быть подключены к ПУПП, с учетом микроклимата.
Рдоп =
=
=
1952кВт (5.7)
где: Кк – коэффициент влияния микроклимата Кк = 1,12.
Руст. = 730кВт < Рпр.= 1500 кВт (5.8)
Руст. = 730кВт < Рдоп.= 1952 кВт (5.9)
Общая установленная мощность приемников меньше, чем допустимая и предельная мощности для данной подстанции, то подстанция обеспечивает электроснабжение участка без перегрева. Следовательно, принимается трансформатор ТСВП 1000/6/1,2.
Определение мощности потребителей 660В.
Определение полной суммарной мощности потребителей 660 В:
Sт.р =
+Sап,
(5.10)
где Кс – коэффициент спроса вымоечного участка, зависящий от применения технологического оборудования; Руст – суммарная установленная мощность приемников электроэнергии на участке; Sап – суммарная мощность пусковых аппаратов, Sап = 8 кВ·А; сos ср – средневзвешенное значение коэффициента мощности токоприемников, питаемых от данного ПУПП.
Кс =
= 0,4 + 0,6
=
0,58 (5.11)
где: Рном.к – номинальная мощность наиболее мощного электродвигателя; Ки – коэффициент использовании мощности электродвигателей, Ки =1.
Руст = Рном = 165 + 31 +60,5 3 +18,5 2 + 22 + 13 + 5,5 + 37 + 8 = 541,5 кВт (5.12)
сos м
=
=
=
(5.13)
Sт.р =
+
8 = 377,5 кВ·А
Sт.ном ≥ Sт.р (5.14)
где Sт.ном – номинальная мощность трансформатора.
Принимается трансформатор ТСВП 400/6/0,69
Таблица 5.2
|
Таблица характеристик выбранных трансформаторов |
||||||||
|
Тип подстанции |
Ном.мощ. кВ·А |
Напряжение, В |
Ном. ток, А |
Напр |
Потери, Вт |
|||
|
ВН |
НН |
ВН |
НН |
к.з. % |
х.х. |
к.з. |
||
|
ТСВП 1000/6/1,2 |
1000 |
6000 |
1200 |
60,2 |
483 |
5,5 |
2630 |
6000 |
|
ТСВП 400/6/0,69 |
400 |
6000 |
690 |
38,5 |
335 |
3,5 |
2070 |
3600 |
Расчёт освещения очистного забоя
Базовыми светильниками для освещения очистного участка принимаем светильники типа РВЛ – 20 м (Рсв= 20 Вт,св= 0.8, cosсв = 0.7). Определяется необходимое число светильников в очистном забое и вдоль конвейера – перегружателя до пересыпа по нормам освещённости.
Для очистного забоя расстояние между данными светильниками Lсв1 = 5-8 м, по бремсбергам Lcв2 = 7-8 м, на пересыпах не менее 3-х светильников.
светильников
(5.15)
где L л – длина лавы, L л = 200 м; Lрп – расстояние от окна лавы до энергопоезда, Lрп = 60 м; Lсп – расстояние до привода перегружателя СП 301, Lсп = 120; ппер = 2 - число пересыпов очистного забоя.
Определим мощность осветительного трансформатора
кВ·А
(5.16)
где с=0.950.97
– кпд сети; св,
и свр
– кпд светильника
и электродвигателя
сверла; cosсв,
– коэффициент
мощности светильника;
- суммарная
мощность всех
ламп, Вт; Рсвр.
– номинальная
мощность сверла,
кВт.
Определяем сечение жилы осветительного кабеля по методу момента мощности М, кВтм:
5,1
ммІ
(5.17)
где M – момент нагрузки, М = Рл L/2 ; кВт / м; L – длина осветительной линии, L = 380 м; Мветви =1320380/2=237,6кВт/м; С – табличный коэффициент, С = 8,5; ∆U – максимально допустимое падение напряжения на самом удалённом светильнике, U = 4-7% .
Для сети освещения принимается кабель: КГЭШ 3 4+1 2 ,5.
Определение мощности трансформатора для подключения электросверла.
Принимаем сверло СЭР-19М с характеристиками представленными в табл. 5.3
Таблица 5.3
Характеристика сверла СЭР-19М
| Тип |
Uном, В |
Рном, Вт |
КПД, % | сos φ |
| СЭР-19М | 127 | 1200 | 93 | 0,9 |
кВ·А (5.18)
где: с = 0.950.97 – кпд сети; свр – кпд электродвигателя сверла; cosсвр – коэффициент мощности; Рсвр. – номинальная мощность сверла, Рсвр = 1,2 кВт.
Определение момента нагрузки:
М = Рсвр L = 1,2 80 = 96 кВт /м (5.19)
где L - длина питающего кабеля, L = 80 м.
Определение сечения питающего кабеля:
ммІ
(5.20)
Для питания электросверла принимается кабель, кабель КОГВЭШ 34 +14 +14.
Суммарная потребляемая мощность питающего трансформатора.
S = Sос + Sсвр = 2,1 +1,5 = 3,6 кВА
Таблица 5.4
| Тип |
U1ном, В |
U2ном, В |
I2ном, А |
Pном, кВ·А |
КПД, % |
| АПШ-2 | 1140 | 127 | 17,4 | 4 | 94 |
Расчет кабельной сети сводится к определению таких сечений магистральных (фидерных) и распределительных кабелей, которые, будучи прочными механически, допустимым по температуре нагрева длительным рабочим током и потере напряжения в рабочем режиме, обеспечивало бы подвод электроэнергии к потребителям при напряжении, достаточным для нормальной работы электродвигателей.
Расчет и выбор фидерного кабеля
nф.Iдоп. ≥ кр.Iф (5.21)
где nф – число параллельно включенных фидерных кабелей; Iдоп – допустимый ток для принятого сечения кабеля; кр – коэффициент резерва, кр = 1,1 – 1,2; Iф – расчетный ток нагрузки на фидерный кабель определяется в зависимости от схемы распределения электроэнергии на участке:
Iф =
(5.22)
где Uн – номинальное напряжение сети; Руст. – суммарная мощность приемников, подключаемых к кабелю; cos - средневзвешенный коэффициент мощности приемников участка; Кс – коэффициент спроса, определяется для каждой группы приемников отдельно.
Сечение гибких кабелей однодвигательных электроприемников участка выбирается исходя из длительно допустимой нагрузки по нагреву номинальным током.
Iдоп. ≥ Iном (5.23)
При питании по одному кабелю нескольких одновременно работающих электродвигателей сечение кабеля выбирают по сумме номинальных токов этих электродвигателей.
Iдоп. ≥ ∑ Iном (5.24)
При питании многодвигательных забойных конвейеров от двух пускателей сечение кабелей, приложенных к каждому приводу определяют из условия:
Iдоп. ≥ Iном (5.25)
При питании от одного аппарата:
Iдоп. ≥ n Iном (5.26)
где Iном. – номинальный ток одного электродвигателя; n - число электродвигателей.
Выбор и расчет фидерных, комбайновых кабелей и кабелей других вспомогательных приемников энергии на напряжение 660В и 1140В заносим в кабельный журнал – табл. 5.5.
Таблица 5.5
|
Начало кабеля |
Конец кабеля |
Ном. напр. Uном.,В |
Ном. ток Iном.,А |
Длит. доп. ток Iдоп.,А |
Длина L, м |
Марка кабелей |
|
ТСВП630/6/1,2 |
АВ400ДО2(1) |
1140 |
294,3 |
347 |
3 |
КГЭШ 395+110+34 |
|
АВ400ДО2(2) |
1140 |
196,2 |
274 |
5 |
КГЭШ 370+110+34 |
|
|
АВ400ДО2(1) |
ПВВ320Т(1) |
1140 |
294,3 |
347 |
3 |
КГЭШ 395+110+34 |
|
АВ400ДО2(2) |
ПВВ320Т(2) |
1140 |
196,2 |
274 |
55 |
КГЭШ 370+110+34 |
|
ПВВ320Т(1) |
2ГШ-68Б (рез) |
1140 |
| | | |
|
ПВВ320Т(1) |
2ГШ-68Б |
1140 |
182 |
220 |
315 |
КГЭШ 350+110+34 |
|
ПВВ320Т(2) |
«Анжера» |
1140 |
70,5 |
147 |
85 |
КГЭШ 325+110+34 |
|
ПВВ320Т(2) |
«Анжера» |
1140 |
70,5 |
147 |
295 |
КГЭШ 325+110+34 |
|
ПВВ320Т(2) |
«Анжера» |
1140 |
70,5 |
147 |
90 |
КГЭШ 325+110+34 |
|
АПШ-2 |
СЭР-19М |
127 |
6,5 |
88 |
380 |
КОГВЭШ 34+12,5+11,5 |
|
РВЛ-20 |
127 |
9,33 |
64 |
395 |
КГЭШ 36+14+12,5 |
|
|
ТСВП400/6/0,690 |
АВ 400ДО2(3) |
660 |
314 |
347 |
15 |
КГЭШ 395+110+34 |
|
АВ400ДО2(3) |
СУВ-350(1) |
660 |
244 |
347 |
15 |
КГЭШ 395+110+34 |
|
СУВ-350АВ(1) |
СП-202 |
660 |
181,5 |
274 |
240 |
КГЭШ 370+110+34 |
|
СУВ-350АВ(1) |
НУМС |
660 |
31 |
147 |
35 |
КГЭШ 325+110+34 |
|
СУВ-350АВ(1) |
СНТ-32 |
660 |
69,5 |
147 |
25 |
КГЭШ 325+110+34 |
|
СУВ-350АВ(1) |
СНТ-32 |
660 |
69,5 |
147 |
15 |
КГЭШ 325+110+34 |
|
СУВ-350АВ(1) |
СНТ-32 |
660 |
69,5 |
147 |
5 |
КГЭШ 325+110+34 |
|
СУВ-350АВ(1) |
Бак эмуль. |
660 |
13 |
88 |
15 |
КГЭШ 310+110+34 |
|
ПВИ250БТ |
ЗИФ-ШВ-5М |
660 |
60 |
147 |
110 |
КГЭШ 325+110+34 |
|
ПВИ250БТ |
Унизенг |
660 |
44 |
147 |
260 |
КГЭШ 325+110+34 |
|
ПМВИР41 |
ЛКГН |
660 |
21,5 |
147 |
40 |
КГЭШ 325+110+34 |
|
ПМВИР41 |
ЛКГН |
660 |
21,5 |
147 |
95 |
КГЭШ 325+110+34 |
Проверка кабельной сети участка на потерю напряжения в рабочем режиме самого мощного и самого удаленного приемника электроэнергии.
Производится для одного наиболее удалённого и мощного токоприёмника. В данном случае принимается комбайн 2ГШ-68Б ПТЭ и ПТБ допускают падение напряжения на зажимах асинхронного эл. двигателя не более 5% от номинального.
Допустимое падение напряжения на зажимах эл. двигателей.
∆Uдоп. = U0 – 0,95Uном = 1200–0,951140 = 117 В (5.27)
где U0 – напряжение х.х. трансформатора ПУПП; Uном – номинальное напряжения питающей сети.
∆U = ∆Uтр.+ ∆Uг + ∆Uф. ≤ ∆Uдоп (5.28)
где ∆Uтр – потеря напряжения в силовом трансформаторе ПУПП.
∆Uтр =
(5.29)
где Sтр.с – расчетная мощность силового трансформатора; Sн – номинальная мощность принятого трансформатора; Ua – активная составляющая напряжения к.з. трансформатора.
Ua =
=
(5.30)
где Рк.з – потери короткого замыкания трансформатора при номинальной нагрузки; Uр – реактивная составляющая напряжения к.з. трансформатора.
Uр
=
(5.31)
где Uк.з – напряжение к.з. трансформатора; Uх – напряжение х.х. трансформатора.
∆Uтр =
=
32,39 В
где ∆Uг – потеря напряжения в комбайновом гибком кабеле.
∆Uг =
(5.32)
где Iн – номинальный ток двигателя комбайна; n – число двигателей комбайна; Rг.t – активное сопротивление комбайнового кабеля при температуре нагрева 650С.
Rг.t = кt R0Lг = 1,180,3940,315 = 0,146 Ом (5.33)
где кt – температурный коэффициент, учитывающий увеличение сопротивления кабеля с повышением температуры его нагрева с 200С до 650С, принимается 1,18; Хг – индуктивное сопротивление комбайнового кабеля.
Хг = Х0Lг = 0,0800,315 = 0,0252 Ом (5.34)
∆Uг =
1182
(0,1460,81 + 0,02520,58)
= 41,8 В
где ∆Uф – потери напряжения в фидерном кабеле, подающий питание на двигатели комбайна.
∆Uф =
(5.35)
где Iф – расчетный ток нагрузки на фидерный кабель, подающий питание на комбайн; Rф.t – активное сопротивление фидерного кабеля при температуре нагрева 650С.
Rф.t = кt R0Lф = 1,180,2380,06 = 0,0168Ом (5.36)
где кt – температурный коэффициент, учитывающий увеличение сопротивления кабеля с повышением температуры его нагрева с 200С до 650С, принимается 1,18; Хф – индуктивное сопротивление фидерного кабеля.
Хф = Х0 Lф = 0,074 0,06 = 0,00444 Ом, (5.37)
∆Uф =
500 (0,0168
0,81 + 0,00444
0,58) = 13,9 В
∆U = 32,39 + 41,8 + 13,9 = 88,1 В
Полное падение напряжения меньше допустимого, следовательно, требования ПТБ и ПТЭ выполняются.
Проверка кабельной сети участка на потерю напряжения в пусковом режиме самого мощного приемника электроэнергии. Производится для одного наиболее удалённого и мощного токоприёмника. В данном случае принимается комбайн 2ГШ-68Б.
В соответствии с ПТЭ и ПТБ допустимый уровень напряжения на зажимах асинхронных эл.двигателя при пуске должен быть не менее 0,8 номинального значения:
Uп.ф ≥ Uдв.мин = 0,8Uном = 0,8 1140 = 912 В (5.38)
Uп.ф =
(5.39)
где Iп.н – пусковой
ток электродвигателя
комбайна при
номинальном
напряжении
на их зажима;
–
коэффициент
мощности
электродвигателя
при пуске; ΔUн.р
– потери напряжения
в трансформаторе
и фидерном
кабеле питающем
двигатель
комбайна:
ΣR = Rтр + Rф.t + Rг.t = 0,087 + 0,0168 + 0,146 = 0,2498 Ом (5.40)
ΣХ = Хтр + Хф + Хг = 0,126 + 0,00444 + 0,0252 = 0,15564 Ом (5.41)
ΔUн.р =
(5.42)
где Рн.р1 – мощность электродвигателя, питающимся по первому фидерному кабелю, через который подключен комбайновый двигатель, второй комбайновый двигатель не учитывается при раздельном питании от разных пускателей, Рн.р1 = 250 кВт; Σ Рн.р2 – установленная мощность группы электродвигателей, питающимся по второму фидерному кабелю, Σ Рн.р2 = 330 кВт.
ΔUн.р =
= 96 В
Uп.ф =
Пусковое напряжение эл. двигателя комбайна больше минимально допустимого, следовательно кабельная линия удовлетворяет требованиям ПТБ и ПТЭ.
Расчёт токов короткого замыкания в кабельной сети. Расчет токов короткого замыкания в сетях с изолированной нейтралью трансформаторов состоит в определении наибольшего возможного тока трехфазного к.з. и наименьшего двухфазного к.з. Токи трехфазного к.з. рассчитываются с целью проверки кабелей на термическую стойкость и коммутационной аппаратуры на отключающую способность, термическую и динамическую стойкость. Токи двухфазного к.з. определяют для проверки уставок максимальной токовой защиты на надежность срабатывания при к.з. в электрически удаленных точках сети, а также для проверки правильности выбора плавких вставок предохранителей.
При расчете трехфазного к.з. и двухфазного к.з. учитываются следующие условия: при двухфазном к.з. активное сопротивление высоковольтного кабеля берется при температуре 650С (соответствующие наибольшей его длине, 1000 – 1200 м) и кабелей от ПУПП до точки к.з; при трехфазном к.з. активное сопротивление высоковольтного кабеля берется при температуре 200С (соответствующие наименьшей его длине, 200 – 400 м) и кабелей от ПУПП до точки к.з.
(5.43)
где Uном – номинальное напряжение; R(2) – результирующее активное сопротивление при двухфазном к. з.
R(2) =
(5.44)
где Rвм – активное сопротивление высоковольтного кабеля при его наибольшей длине, для температуры 650С.
Rвм =
(5.44)
где rо
– удельное
сопротивление
кабеля; L
– длина кабеля;
Uх – номинальное
напряжение
холостого хода
вторичной
обмотки трансформатора;
Uв – высокое
напряжение
трансформатора;
кt – температурный
коэффициент
для температуры
650С, кt
= 1,18;
– сумма активного
сопротивления
i – го кабеля
сети 1140В, включенных
последовательно
между ПУПП и
местом к.з.; nап
– число коммутационных
аппаратов в
цепи к.з. включая
ПУПП; Rп
– переходное
сопротивление
коммутационного
аппарата, Rп
= 0,005 Ом; Rт
– активное
сопротивление
трансформатора;
Х(2) – результирующее
индуктивное
сопротивление
при двухфазном
к.з.
Х(2) =Хв.с +Хвм
(5.45)
где Хв.с – приведенное к сети 1140В индуктивное сопротивление энергосистемы.
Хв.с =
(5.46)
где Sк.з
– мощность
трехфазного
к.з. энергосистемы
в распределительной
сети 6 кВ на зажимах
РПП – 6, Sк.з
= 50 МВ·А; Хвм
– индуктивное
сопротивление
высоковольтного
кабеля при его
наибольшей
длине, для ЭВТ
– 6000 3x35 + 1x10;
Хт – индуктивное
сопротивление
трансформатора;
–
сумма активного
сопротивления
i-го кабеля
сети 1140В, включенных
последовательно
между ПУПП и
местом к.з.
(5.47)
(5.48)
где Rво – активное сопротивление высоковольтного кабеля (от РПП–6 до ПУПП), при его наименьшей длине, для температуры 200С для ЭВТ – 6000 3x35 + 1x10.
Rво =
(5.49)
,
(5.50)
где Хво – индуктивное сопротивление высоковольтного кабеля (от РПП-6 до ПУПП).
Rвм = 0,512 1,2 =0,6144 Ом
Ом
Хвм = 0,088 1,2 = 0,1056 Ом
Ом
А
Rво = 0,512 0,4 = 0,2048 Ом
Ом
Хво = 0,088 0,4 = 0,0352 Ом
Ом
Ом
А
Подобным образом ведем расчет и для остальных точек, результаты сводим в табл. 5.6.
Таблица 5.6
|
Точки к.з. |
UН, В |
S, мм2 |
L, м |
|
|
|
К0 |
1140 |
- |
- |
2888 |
4152,3 |
|
К1 |
1140 |
95 |
6 |
2835,1 |
|
|
К2 |
1140 |
95 |
50 |
2396,4 |
|
|
К3 |
1140 |
50 |
315 |
1583,3 |
|
|
К4 |
1140 |
50 |
315 |
1583,3 |
|
|
К5 |
1140 |
- |
- |
2888 |
4152,3 |
|
К6 |
1140 |
70 |
5 |
2872,3 |
|
|
К7 |
1140 |
70 |
55 |
2647,9 |
|
|
К8 |
1140 |
25 |
295 |
1307,9 |
|
|
К9 |
1140 |
25 |
90 |
2028,1 |
|
|
К10 |
1140 |
25 |
85 |
2055 |
|
|
К11 |
127 |
6 |
380 |
1243,1 |
При определении токов короткого замыкания при напряжении 660 В используется те же формулы (5.43 – 5.50), что при определении токов короткого замыкания при напряжении 1140 В. Данные расчета при напряжении 660 В сводится в табл. 5.7.
Таблица 5.7
|
Точки к.з. |
UН, В |
S, мм2 |
L, м |
|
|
|
К11 |
660 |
- |
- |
5109 |
8361,2 |
|
К12 |
660 |
95 |
15 |
4899 |
|
|
К13 |
660 |
95 |
15 |
4521,4 |
|
|
К14 |
660 |
25 |
35 |
3268,6 |
|
|
К15 |
660 |
25 |
25 |
3529,1 |
|
|
К16 |
660 |
25 |
20 |
3668,2 |
|
|
К17 |
660 |
25 |
15 |
3824,6 |
|
|
К18 |
660 |
70 |
130 |
2857,8 |
|
|
К19 |
660 |
50 |
110 |
1993,7 |
|
|
К20 |
660 |
25 |
35 |
3249,6 |
|
|
К21 |
660 |
25 |
95 |
1745,2 |
|
|
К22 |
660 |
95 |
7 |
2245,5 |
|
|
К23 |
660 |
25 |
260 |
984,8 |
|
|
К24 |
660 |
25 |
80 |
1724,9 |
|
|
К25 |
660 |
25 |
120 |
1501,8 |
|
|
К26 |
660 |
25 |
345 |
865,2 |
|
|
К27 |
127 |
6 |
100 |
1501,4 |
|
|
К28 |
660 |
25 |
40 |
761,6 |
|
|
К29 |
660 |
6 |
15 |
3150,3 |
I ном. I ф (5.51)
где Iном – номинальный ток выключателя; I ф – ток защищаемой сети, равный току в фидерном кабеле.
I о.а 1,2 I(3)к.з. (5.52)
где Iо.а – предельно отключаемый ток автомата (действующее значение); I(3)к.з. – ток трехфазного к.з. на выводных зажимах (на зажимах моторной камеры) автомата.
Уставка тока максимального реле выключателя служит для защиты магистрали и выбирается:
I у I ном.п + Iном. (5.53)
где Iном.п – номинальный пусковой ток наиболее мощного электродвигателя подключенный к защищаемой сети; Iном. – сумма номинальных токов остальных токоприемников:
(5.54)
где
–
ток при двухфазном
к.з. наиболее
удаленной точке
защищаемой
сети.
Для защиты типа ПМЗ, встроенной в автоматические выключатели серии АВ или в распредустройства низкого напряжения трансформаторных подстанций, выбирается:
Iу = Кн [1,25Iп.ф + (Iнагр – Iном.max) (5.55)
где Кн – коэффициент надежности, Кн = 1,1 – 1,2; Iп.ф – фактический пусковой ток, самого мощного электродвигателя; Iнагр – ток нагрузки в магистральном (фидерном) кабеле; Iном.max – номинальный ток наиболее мощного электродвигателя.
Данные расчётов сведены в табл. 5.8.
Таблица 5.8
Технические данные электрооборудования и уставки тока срабатывания
максимальной защиты аппарата
|
Потребитель |
Аппарат управления |
Встроенный автомат |
Iном., А |
Iфак, А. |
Uном., В |
Iо.а,А |
Уставки, А |
Проверки |
||
|
Iу |
независимого расцепителя |
|
|
|||||||
|
Эл. сборка Анжера-26 |
АВ 400ДО2 |
А3792У |
400 |
250 |
1140 |
11000 |
1000 |
2400 |
1,8 |
4,1 |
|
Эл. сборка 2ГШ-68Б |
АВ 400ДО2 |
А3792У |
400 |
211,5 |
1140 |
11000 |
1200 |
2400 |
1,8 |
3,7 |
|
Эл. сборка СУВ 350АВ и вспом. привода |
АВ 400ДО2 |
А3792У |
400 |
244 |
660 |
20000 |
1600 |
2400 |
1,4 |
4,2 |
|
Энерго - поезд |
ТСВП1000/6/1,2 |
А3792У |
630 |
461,5 |
1140 |
25000 |
2200 |
2500 |
2 |
3,7 |
|
Энерго - поезд |
ТСВП400/6/0,69 |
А3732У |
400 |
314 |
660 |
20000 |
2000 |
2500 |
2,5 |
2,4 |
Iном Iс (5.56)
где Iном – номинальный ток на который рассчитана аппаратура; Iс – номинальный ток подключаемой сети.
Рном Рдв (5.57)
где Рном – предельная номинальная мощность двигателя, которая может быть подключена к пускателю; Рдв – номинальная мощность двигателя, для которой выбирается пускатель.
(5.58)
где
I0 – предельно
отключаемый
ток пускателя;
– расчетный
ток трехфазного
к.з. на зажимах
моторной камеры
пускателя.
Определение тока уставки ПМЗ.
Iу 1,1 Iп. ном (5.59)
где Iп. ном – пусковой номинальный ток защищаемого электродвигателя.
Iу 1,1 Iп. ном (5.60)
Проверка принятого тока уставки:
(5.61)
где
– минимально
возможный
расчетный ток
двухфазного
к.з. в наиболее
удаленной
точке сети; IУ
– выбранное
значение уставки
токовой защиты.
Данные расчётов сведены в табл. 5.9.
Таблица 5.9
Технические данные электрооборудования и уставки тока срабатывания
максимальной защиты аппарата
|
Потребитель |
Аппарат управления |
Фактические данные |
Паспортные Данные |
Проверка |
||||
|
Iн, А |
Рн, кВт |
Iпуск |
Iн, А |
Рмах |
Iу, А |
|
||
|
2ГШ-68Б |
ПВВ 320Т |
182 |
250 |
850 |
320 |
400 |
1000 |
2,5 |
|
2ГШ-68Б |
ПВВ 320Т |
182 |
250 |
850 |
320 |
400 |
1000 |
2,5 |
|
Анжера-26 |
ПВВ 320Т |
70,5 |
110 |
528,8 |
320 |
400 |
800 |
1,8 |
|
Анжера-26 |
ПВВ 320Т |
70,5 |
110 |
528,8 |
320 |
400 |
800 |
3,2 |
|
Анжера-26 |
ПВВ 320Т |
70,5 |
110 |
528,8 |
320 |
400 |
800 |
3,3 |
|
СП-202 |
СУВ 350 АВ Ф-250р№7 |
181,5 |
165 |
1361,4 |
250 |
200 |
1400 |
2,0 |
|
СНТ 32 |
СУВ 350 АВ Ф-125р№3 |
69,8 |
60,5 |
497,5 |
125 |
100 |
500 |
7 |
|
СНТ 32 |
СУВ 350 АВ Ф-125р№2 |
69,8 |
60,5 |
497,5 |
125 |
100 |
500 |
7,3 |
|
СНТ 32 |
СУВ 350 АВ Ф-125р№5 |
69,8 |
60,5 |
497,5 |
125 |
100 |
500 |
7,6 |
|
НУНС 200 |
СУВ 350 АВ Ф-250р№4 |
33 |
30 |
182 |
250 |
200 |
200 |
16,3 |
|
Бак эмульсионный |
СУВ 350 Ф-63р№5 |
17 |
13 |
63 |
63 |
61 |
125 |
6 |
|
ЗИФ-ШВ5 |
ПВИ 250БТ |
60 |
55 |
420 |
250 |
200 |
500 |
3,5 |
|
Унизенг |
ПВИ 250БТ |
44 |
37 |
308 |
250 |
200 |
375 |
2,6 |
|
ЛГКН |
ПМВИР41 |
21 |
18,5 |
136,5 |
125 |
54 |
156 |
11,2 |
|
ЛГКН |
ПМВИР41 |
21 |
18,5 |
136,5 |
100 |
61 |
150 |
6 |
Регулирование скорости электропривода вентилятора может быть ступенчатым (многоскоростной асинхронный двигатель и асинхронный двигатель с фазным ротором при реостатном регулировании) и плавным бесступенчатым. Первый способ используется редко. Бесступенчатое регулирование возможно при следующих системах электропривода: асинхронный вентильно-машинный каскад; асинхронный вентильный каскад; асинхронный двигатель в режиме двойного питания; тиристорный преобразователь частоты – асинхронный двигатель (ТПЧ–Д); генератор-двигатель (Г–Д); управляемый вентильный преобразователь-двигатель постоянного тока (УВП–Д).
В отечественной практике нашли применение пока лишь две системы электропривода с плавным регулированием: асинхронный вентильно-машинный каскад и асинхронный вентильный каскад. Существенное преимущество каскадных схем то, что преобразуемая электрическая мощность в них определяется диапазонами регулирования скорости в отличие от других систем регулируемого привода, в которых преобразуется вся мощность, подводимая к приводному двигателю, независимо от диапазона регулирования. Поскольку для вентиляторов требуемая глубина регулирования частоты вращения обычно не превышает 1 : 2, то и величина преобразуемой мощности в каскадных схемах не превышает половины полной мощности привода. Это уменьшает мощность преобразовательного оборудования и обеспечивает наиболее высокий КПД из всех систем регулируемого привода.
Донгипроуглемашем на основе разработок ВНИИЭлектропривода выполнен проект унифицированных комплектов электрооборудования вентиляторных установок с регулируемым приводом. В качестве последнего принята система асинхронного вентильного каскада (АВК). Комплекты оборудования применяются для вентиляторов ВЦД-47У, ВЦД-47 ''Север'', ВЦД-31,5М.
Комплекты предназначаются для:
автоматизированного выполнения всех технологических операций при эксплуатации вентиляторных установок;
изменения режима работы вентиляторов регулированием частоты вращения;
контроля работы и автоматического отключения вентиляторов при возникновении аварийных ситуаций.
Комплекты обеспечивают:
автоматические повторные пуски вентиляторных агрегатов в периоды кратковременных (до 9 с) исчезновений или глубоких падений напряжения сети;
реверсы воздушных струй без остановки центробежных вентиляторов;
регулирование производительности вентиляторов изменением частоты вращения;
возможность автоматического включения резервных вентиляторных агрегатов при аварийных отключеньях работающих;
автоматическое включение резервных вводов низкого напряжения.

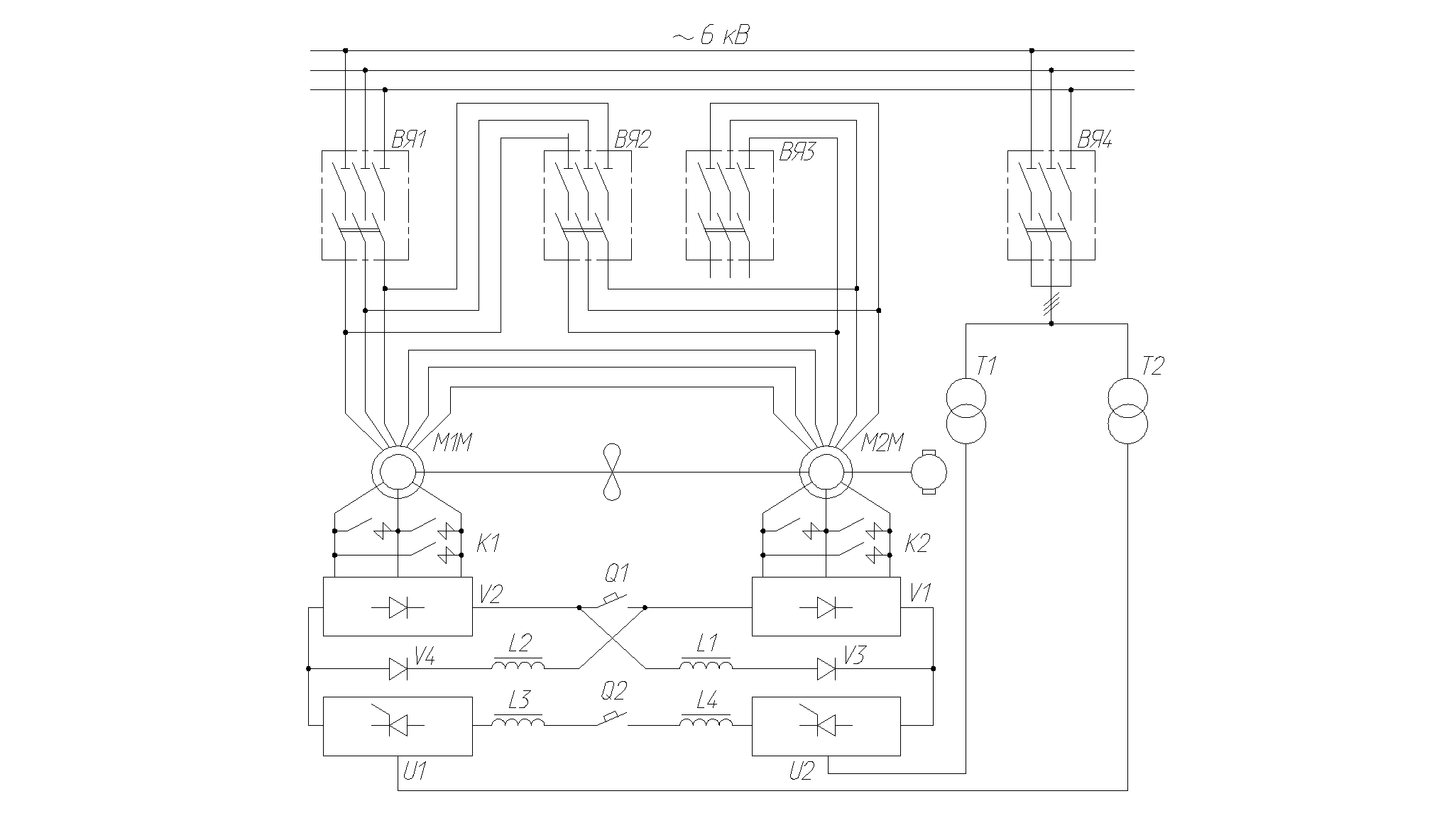
Рис. 2.1. Принципиальная схема электропривода вентиляторов ВЦД-47У и ВЦД-47
''Север'' по системе асинхронного вентильного каскада
Электрической схемой предусмотрены следующие виды управления вентиляторной установкой: автоматизированное из машинного зала; автоматизированное из диспетчерской; ремонтное (местное) с места установки механизмов. Выбор места управления производится универсальными переключателями, установленными на соответствующих станциях управления. При автоматизированном управлении комплект позволяет осуществить: выбор агрегата для работы (первый или второй); выбор режима работы (всасывание или нагнетание); пуск и остановку агрегата. В режиме ремонтного управления обеспечивается опробование любого вспомогательного механизма вентиляторной установки.
В связи с существенной разницей в способах пуска каскадных приводов для вентиляторов ВЦД-47У, ВЦД-47 ''Север'' (плавный пуск по схеме АВК с остановленного состояния) и вентилятора ВЦД-31,5М (резисторный пуск с последующим переходом в работу по схеме АВК) соответствующие принципиальные схемы заметно отличаются.
На рис.2.1 приведена принципиальная схема электропривода по системе АВК для вентиляторов ВЦД-47У и ВЦД-47 ''Север''. Схема дана для одного агрегата (для второго идентична). Комплект электрооборудования каждой вентиляторной установки состоит из двух одинаковых наборов электрооборудования вентиляторов и набора электрооборудования вспомогательных приводов.
Технические данные основного электрооборудования электропривода по системе АВК для вентиляторов ВЦД-47У и ВЦД-47 ''Север'':
Электродвигатель асинхронный с фазным ротором АКН2-18-53-12УХЛ4, 2000 кВт, 495 мин-1, 6000 В, 237 А, напряжение и ток ротора 1050 В, 1170 А (для вентилятора ВЦД-47У; обозначение на рис. 5.3 М1М, М2М).
Электродвигатель асинхронный с фазным ротором АКС-17-76-12, 3200 кВт, 495 мин-1, 6000 В, 376 А, напряжение и ток ротора 1360 В, 1425 А (для вентилятора ВЦД-47 ''Север'' – М1М, М2М).
Агрегат ТДП2-2500/400-2Т УХЛ4, 50 Гц, 4700 В, 125 А (VI,Ul,V2 u U2).
Трансформатор ТСЗП-1000/10УЗ, сетевая обмотка 6000 В, Ud=460 В, Id=1600 А (Т1, Т2).
Выключатель автоматический Q1 быстродействующий ВАБ-42-4000/10, ток уставки 1600 – 4000 А, номинальное напряжение 1050 В.
Реактор ТРОС-160 УХЛ4, номинальный ток 1000 А, индуктивность 0,5 мГн.
Рассматриваемый электропривод имеет свои особенности. Применяемые для приводов вентиляторов ВЦД-47У и ВЦД-47 ''Север'' асинхронные двигатели с фазным ротором имеют соответственно номинальные напряжения ротора 1050 и 1360 В. Выпускаемые для асинхронных вентильных каскадов преобразователи тока ротора имеют напряжение 700 В. Поэтому в каскаде для снижения напряжения предусмотрено последовательное соединение статорных обмоток двигателей М1М, М2М и включение их в зависимости от достигаемого значения частоты вращения в общую звезду или в общий треугольник. В зависимости от значения тока ротора в преобразователе переменного тока роторов производится переключение выпрямителей VI, V2 с параллельного на последовательное или наоборот.
Для регулируемых двухдвигательных приводов вентиляторов ВЦД-47У и ВЦД-47 ''Север'' целесообразно иметь глубину регулирования частоты вращения порядка 1 : 5 – 1 : 4. Для осуществления ступенчатого резисторного пуска асинхронных двигателей, применяемых в приводе вентиляторов ВЦД-47 ''Север'', отсутствуют серийно выпускаемые надежные средства. Поэтому принятые регулируемые приводы этих вентиляторов обеспечивают регулирование частоты вращения из остановленного состояния. Это позволяет осуществить надежный бесступенчатый пуск вентиляторов и настройку вентиляторов на необходимый, наиболее экономичный режим работы.
Электропривод вентилятора по системе АВК работает следующим образом. Вначале масляным выключателем высоковольтной ячейки ВЯ4 подается напряжение на согласующие трансформаторы Т1, Т2, а с их вторичных обмоток на инверторы U1, U2 (цепи управления инверторов должны быть подготовлены). На стороне постоянного тока инверторы создадут максимальную противо-ЭДС (автоматический выключатель Q2 разомкнут). Затем масляным выключателем ячейки ВЯЗ последовательно соединенные обмотки статоров асинхронных двигателей М1М и М2М включаются в общую звезду. После этого масляным выключателем ячейки ВЯ1 подается напряжение 6000 В на статорные обмотки двигателей. В результате такого включения напряжение на статорных обмотках каждого двигателя составит U1ф=1732 В, а на кольцах роторов напряжение равно U2Л =525 В в приводе вентилятора ВЦД-47У и U2Л = 680 В в приводе вентилятора ВЦД-47 ''Север''. Как видно, напряжение уменьшается по сравнению с номинальным вдвое и будет ниже номинального напряжения переменного тока 700 В на входе выпрямителей VI, V2. В дальнейшем при включении автоматического выключателя Q2 замыкается цепь контура постоянного тока, выпрямители VI, V2 подключаются параллельно (автоматический выключатель Q1 разомкнут) к последовательно соединенным инверторам U1, U2. Так как суммарная противо-ЭДС постоянного тока, создаваемая двумя инверторами, соответствует подведенному суммарному напряжению переменного тока 380Х2=760 В и превышает выпрямленную ЭДС ротора, соответствующую напряжению роторов 525 В (680 В), ток в контуре постоянного тока проходить не будет. Ток в роторных обмотках также отсутствует. Поэтому двигатели М1М и М2М не вращаются.
В процессе уменьшения противо-ЭДС с момента ее равенства выпрямленной ЭДС роторов начинает плавно возрастать ток в роторах двигателей и контуре постоянного тока. С появлением тока в роторах на валах двигателей возникает вращающий момент. Когда вращающий момент превысит момент сопротивления, двигатели начнут вращаться с плавным повышением частоты вращения. При прекращении изменения угла регулирования тиристоров инвертора устанавливается необходимое значение частоты вращения. При установившейся частоте вращения выпрямленная ЭДС роторов превышает противо-ЭДС инверторов на такое значение, при котором протекает ток в роторах, необходимый для создания на валах двигателей момента, равного моменту сопротивления. В случае необходимости снижения частоты вращения соответствующим изменением угла регулирования тиристоров повышается противо-ЭДC инверторов. Это вызывает уменьшение тока в роторах двигателей, снижение моментов двигателей и соответственно снижение частоты вращения двигателей.
Таким образом, изменение частоты вращения двигателей происходит за счет изменения противо-ЭДС инверторов: снижение ее значения повышает частоту вращения, а повышение – снижает. При максимальном значении противо-ЭДС угол регулирования тиристоров инвертора – максимальный, при минимальном – минимальный. Изменение угла регулирования осуществляется с помощью системы импульсно-фазового управления (СИФУ). В СИФУ подается сигнал выходного напряжения сельсинного задатчика скорости.
В режиме включения статорных обмоток двигателей в общую звезду электропривод обеспечивает получение установившихся частот вращения в зоне I (рис. 2.2).
При необходимости
получения
частот вращения
выше диапазона
зоны I на верхнем
значении частоты
вращения зоны
статорные
обмотки переключаются
с общей звезды
в общий треугольник:
масляный выключатель
ячейки ВЯЗ
(см. рис. 2.1) отключается,
а масляный
выключатель
ячейки ВЯ2
включается.
При этом напряжение
на кольцах
роторов двигателей
возрастает
в
раза
и обеспечивается
регулирование
частот вращения
в зоне II.
В случае необходимости дальнейшего повышения частоты вращения при достижении приводом верхнего предела частоты вращения зоны II включается автоматический выключатель Q1 и выпрямители VI и V2 подключаются последовательно к инверторам U1 и U2. Ток по диодам V3 и V4 не протекает, так как они включены непроводящей полярностью по отношению к ЭДС выпрямителей. В таком соединении привод работает в зоне III частот вращения, обеспечивая разгон двигателя до номинальной частоты вращения или работу на любой из частот вращения в пределах зоны III. С достижением электроприводом максимальной, близкой к номинальному значению, частоты вращения замыкаются контакты контакторов К1, К2. Двигатели переводятся на естественную характеристику.
При необходимости перевода привода вентилятора с естественной характеристики в зону III, затем в зону II и далее в зону I вначале размыкаются контакты Kl, К2. После снижения частоты вращения до нижней границы зоны III отключается автоматический выключатель Q1. В дальнейшем при снижении частоты вращения до нижней границы зоны II производится переключение обмоток статоров с общего треугольника в общую звезду, т. е. переключения производятся в обратном порядке. Переключения обмоток статора с общей звезды в общий треугольник и наоборот, а также включение и отключение выключателя Q1 производится автоматически в функции частоты вращения.
Дроссели LI, L2 ограничивают пики выпрямленного тока в процессе включения и отключения автоматического выключателя Q1, а также сглаживают пульсации выпрямленного напряжения при работе в зонах I и II. Дроссели L3 и L.4 предназначены только для сглаживания пульсации выпрямленного напряжения. Инверторы U1, U2 во всех зонах работы электропривода рекуперируют через согласующие трансформаторы Т1, Т2 энергию скольжения в сеть.

Рис. 2.2. Зоны работы электропривода вентилятора ВЦД-470 ''Север''
Наличие в системе регулятора скорости обеспечивает поддержание установленной скорости в необходимых пределах с помощью обратной связи по частоте вращения (напряжению тахогенератора BR). Регулятор тока обеспечивает ограничение максимального значения выпрямленного тока при переходных процессах включения и регулирования частоты вращения.
Проектные решения в области автоматизации и управления технологическими процессами базируются на предписаниях норм технологического проектирования угольных шахт, разрезов и обогатительных фабрик, и направлены на облегчение условий труда и повышения безопасности производства работ. А также высвобождение рабочих, где это представляется технически возможным и экономически целесообразным, повышение производительности труда и снижение себестоимости угля, экономию энергетических и материальных ресурсов.
Реализация указанных мероприятий достигается следующим путем:
комплексной автоматизацией стационарных установок, групп технологического оборудования и процессов в шахте и на поверхности;
высокого уровня и глубины автоматизации технологических процессов;
использования в проекте аппаратуры автоматизации, базирующейся на комплектных устройствах блочного типа, разработанной на совершенной элементарной базе с учетом последних достижений отечественной науки и техники в этой области, имеющих высокие показатели надежности и ремонтопригодности, и оснащенные в ряде случаев средствами технической диагностики;
организации оптимальной структуры оперативного управления основным производством.
Таблица 7.1
|
Автоматизированный процесс |
Используемая аппаратура |
|
Автоматизация конвейерных линий |
АУК –1М |
|
Контроль за содержанием СН4 |
«Метан» |
|
Автоматизация бункеров |
РКУ |
|
Главный водоотлив |
ВАВ-1М, КАВ |
|
Вентиляционные установки |
УКАВ-2 |
|
Автоматизация очистных работ |
САУК |
|
Аппаратура громкоговорящей связи |
ГИС-1 |
|
Автоматизация управления стрелочным переводом |
АБСС-1 |
|
Аппаратура управления, сигнализации и связи |
УМК + АС-3СМ |
|
ВМП |
АПТВ |
|
Шахтные котельные |
АПК-1 |
|
Калориферные установки |
АКУ-3 |
В соответствии с правилами безопасности на угольных и сланцевых шахтах схемы управления главными вентиляторными установками должны обеспечивать непрерывное измерение, регистрацию и контроль давления и подачи (производительности) при работе вентилятора как в прямом, так и в реверсивном режиме.
Измерительная аппаратура, в большинстве случаев применяемая для этих целей, представляет собой комплект, состоящий из датчиков давления и производительности, первичного измерительного прибора и связанного с ним системой дистанционной передачи показаний вторичного измерительного прибора, обеспечивающего непрерывный контроль и регистрацию измерений.
Датчики давления и подачи (производительности), устанавливаемые в контрольном сечении вентиляторной установки, обеспечивают получение некоторого пневматического импульса в виде перепада давлений, пропорционального контролируемой величине. Полученный датчиком перепад давлений по импульсным трубкам подается на первичный измерительный прибор, представляющий собой чаще всего дифференциальный манометр, который размещается в здании вентиляторной установки. Вторичные измерительные приборы устанавливают в шкафу управления вентиляторами в помещении вентиляторной установки.
В качестве первичных приборов измерения давления и подачи вентиляторов используют датчики давления – разрежения и дифференциальные манометры следующих типов: сильфонные ДСС, ДСП; мембранные ДМИ-Т, ДМИ-Р; тензометрические Сапфир-22 и другие. С ними используют вторичные приборы типов ВФС, ВФП, Н342К, ДС1, ДСР1, ДСМР2, КСД2 и др.
Дистанционная передача результатов измерений от первичного прибора ко вторичному осуществляется на основе использования нуль-балансных ферродинамических и дифференциально-трансформаторных систем.
Для непрерывного автоматического контроля температуры подшипников вентиляторов главного проветривания и приводных двигателей используется аппаратура ДКТЗ-8М и АКТ-1.

Структура системы автоматического управления вентиляцией шахты (САУ):
ВГП – вентилятор главного проветривания;
РРВ – регулятор расхода воздуха;
ШВС – шахтная вентиляционная сеть;
УВК – управляющий вычислительный комплекс;
ПД – программный диспетчер;
ОСРВ – операционная система реального времени;
НМД – накопитель на магнитных дисках.
Аппаратура контроля и управления вентилятором главного проветривания (ВГП) УКАВ-2М предназначена для контроля и телемеханического управления шахтными вентиляторными установками, оборудованными одним или двумя вентиляторами с электродвигателями высокого и низкого напряжения.
Аппаратура обеспечивает:
– телемеханическое и местное управление двумя главными вентиляторами;
– телемеханическое реверсирование воздушной струи вентиляторов;
– защиту электродвигателя от ненормальных режимов;
– нулевую защиту;
– автоматический двухпредельный контроль за развиваемыми вентиляторами расходом воздуха и депрессией в канале;
– непрерывную регистрацию расхода воздуха на вентиляторе, установке и депрессии;
– автоматическую световую сигнализацию при пуске вентилятора;
– невозможность включения вентилятора, если не включена маслостанция при циркулярной системе смазки.
Схема управления и контроля – телемеханическая, релейная с полярным разделением каналов связи. Линия связи семипроводная.
Комплект состоит из пульта диспетчера; станции управления; автоматического переключателя дифманометра АПД и аппаратов контроля температуры АКТФ-1.
Пульт предназначен для телемеханического управления главной вентиляционной установкой и сигнализации о режимах ее работы.
Станция управления служит для приема и воспроизведения команд телеуправления, передачи сигналов и местного управления главной вентиляторной установкой, а также для защиты электродвигателей от различных ненормальных режимов работы.
АПД предназначен для подключения минусового пространства расходомера, измеряющего перепад давления в канале работающего вентилятора на установках, состоящих из двух вентиляторов, работающих поочередно.
АКТФ-1 применяется для непрерывного контроля и автоматической сигнализации о перегреве подшипников шахтных вентиляторов с фиксацией места нагрева выше допустимой величины. Работает в комплексе с восемью ферритовыми датчиками температуры.
Комплект аппаратуры УКАВ-2М включает 13 станций и один пульт управления, конструктивно выполненные в виде шкафов управления одностороннего обслуживания серии ШГС. По согласованию с заводом-изготовителем шкафы управления могут быть объединены в щит управления.
На каждый шкаф при заказе заполняется опросный лист, где указываются все необходимые данные для завода-изготовителя, в том числе уставки автоматов силовых цепей.
Высоковольтное распредустройство не входит в комплект поставки. Его выбирает и заказывает проектная организация. При этом заказываются также дополнительные трансформаторы тока для высоковольтных реверсивных электроприводов и кнопки для местного (ремонтного) управления вспомогательными приводами ляд (дверей) вентиляционных каналов, направляющих аппаратов, тормоза и спрямляющего аппарата осевых реверсивных вентиляторов, маслостанций и т. д., устанавливаемых по месту.
Приборы контроля давления и подачи вентилятора заказывает проектирующая организация со шкалой, определяемой параметрами вентиляции. Приборы поставляются заводом-изготовителем вентиляторов в комплекте с технологическим оборудованием и устанавливаются на станции КИП и в помещении диспетчера или оператора при монтаже. Приборы контроля маслосмазки поставляются комплектно с маслостанцией.
Конечные выключатели положения ляд, тормоза, направляющих и спрямляющих аппаратов поставляет завод-изготовитель вентиляторов. Аппаратура унифицированного комплекта автоматизации вентиляторов (УКАВ-1М) главного проветривания позволяет осуществить:
– выбор вентилятора для работы и резерва;
– выбор вида (места) управления вентиляторной установкой дистанционное автоматизированное из машинного зала или от диспетчера (оператора) и ремонтное местное;
– выбор режима работы вентилятора прямой или реверсивный;
– автоматический контроль за работой установки;
– регулирование производительности вентилятора изменением угла установки лопаток направляющего аппарата без остановки вентилятора;
– автоматическое включение резервного вентилятора при аварийном отключении работающего вентилятора;
– автоматическое включение резерва (АВР);
– автоматическое повторное включение работавшего вентилятора при кратковременном (до 10 с) отключении или глубоком падении напряжения питающей сети;
– изменение направления движения (реверс) воздушного потока без остановки работавшего центробежного вентилятора.
– при этом производится закрытие направляющих аппаратов, перевод ляд (дверей) в положение, соответствующее реверсивному режиму работы вентилятора, и открытие направляющих аппаратов;
– последовательный пуск разгонного асинхронного, а затем синхронного электродвигателей синхро-асинхронного привода;
– последовательный пуск колес второй и первой ступеней вентилятора встречного вращения при прямом режиме его работы, обратную последовательность при реверсивном режиме и пуск одного из его колес в любом режиме;
– автоматизированное выполнение всех технологических операций после подачи команды на пуск вентилятора.
Основные функции и работа основных элементов комплекса УКАВ-1М может быть рассмотрена на принципиальной схеме блока управления (ДП.180400.05).
Работа схемы при пуске реверсивного или нереверсивного вентилятора. Пуск вентиляторной установки осуществляется из помещения машинного зала кнопкой КнПМ либо из диспетчерского пункта кнопкой КнПД.
Если резервный вентилятор не работает и, следовательно, контакт II-РРЛ замкнут, включится реле РПН (в нормальном режиме) или РПР (в реверсивном режиме) (4), которое включит реле РПП (4) и подготовит цепи реле РМН (РМР) (4) и пускателей ПЛВ, ПЛН (9) (станции вспомприводов). Схема включения пускателей ПЛВ и ПЛН ляд контактами реле РПН, РПР, РП. РПП и РИА определяется технологической схемой вентиляторной установки.
Реле РПН (РПР) включит реверсивные пускатели управления ПНО, ПНЗ (8) и ПСО, ПСЗ (8) соответственно направляющим и спрямляющим аппаратами, которые установят их в положение, соответствующее режиму работы установки. При нормальном режиме направляющий аппарат пускателем ПНЗ установится в положение «Меньше», спрямляющий – пускателем ПСО в положение «Больше»; при реверсивном режиме направляющий и спрямляющий аппараты установятся в положение «Реверс» пускателями ПНЗ и ПСЗ. При нормальном режиме работы установки конечные выключатели BKM1 и ВКБ2, контролирующие положение направляющего и спрямляющего аппаратов, включат реле РИА (4), которое подготовит цепь включения реле пуска вентилятора РМН (РМР) (4) (станция автоматизации).
Реле РПП на станции автоматизации включит реле пуска РП (4), моторное реле разгона РКР (4), пускатель рабочего маслонасоса ПМ1 (ПМ2), (5), реле времени РВ {6), реле режима снятия напряжения РСС (6), пускатель включения тормоза ПЭ (8), подаст питание на реле скорости вентилятора РСВ (6), замкнет контакты в цепях контактора пуска приводного электродвигателя КПн (КПр) (2).
Реле РП (4) замкнет контакты в цепи реле РПН (РПР) (4) и в цепи питания дифманометров и логометра (11), разомкнет контакт в цепи пускателей ПЛН1, ПЛН2 (9).
Реле РП (4) зашунтирует контакты РКО и РРЛ в цепи реле РПН (РПР) (4), подготовит цепь реле отключения РО (6), у асинхронного фазного приводного двигателя вентилятора – роторную станцию.
Реле контроля разгона вентилятора РКР (4) (станция автоматизации) замкнет с выдержкой времени свои контакты: РКР-2 через 3 мин в цепи реле резервного маслонасоса РРМ (5) (станция автоматизации); РКР-5 через 4 мин и РКР-4 через 7 мин в цепи катушки включения пускателя ПНО (8) открывания направляющего аппарата (станция автоматизации); РКР-3 через 7 мин в цепи блинкера аварийной сигнализации РС5 (6) и реле РОА (6) (станция автоматизации); РКР-1 через 10 мин в цепи реле контроля пуска РКП (4) (станция автоматизации); РКР-6 через 1 – 3 с в цепи пускателя тормоза ПЭ.
Выдержка времени каждого контакта уточняется при наладке.
При нормальной работе маслосистемы (при замыкании контактов электроконтактных манометров ЭКМ1, ЭКМ2, ЭКМЗ и размыкании контактов струйных реле ПРС1, ПРС2) включается реле контроля давления и протока масла РЭМ (5), которое своими контактами включит реле контроля маслосистемы РКМ (5) и разорвет цепь реле, включая цепь резервного маслонасоса РРМ (5) (станция автоматизации).
Реле РКМ (5) подготовит цепь включения реле пуска вентилятора РМН (РМР) (4) и разомкнет цепь включения РС1 – РОА (6) (станция автоматизации).
Реле времени РВ (6) замкнет свои контакты в цепях реле РПН (РПР) (4) и РП (4) и разомкнет свой контакт в цепи пускателя включения тормоза ПЭ (8) (станция автоматизации).
Реле режима снятия напряжения РРС (6) при наличии напряжения включено, а его контакт в цепи электромагнита отключения масляного выключателя ЭОн (ЭОр) (2) (или реле РОК для низковольтных электродвигателей) разомкнут.
Пускатель ПЭ, включившись, подсоединит к сети электромагнит ЭТ, и на вал вентилятора належится тормоз. Если вентилятор не раскручивается перед пуском потоком воздуха, нет необходимости в наложении тормоза. В этом случае между клеммами 349 и 349А станции автоматизации необходимо снять перемычку, а контакт ВКТ в цепь пускателей ляд не подключать.
Реле РНА включит катушки пускателей управления лебедками ляд, которые, установят ляды в положение, соответствующее конкретной технологической схеме (9) (станция вспомогательных приводов).
Правильность установки ляд контролируется конечными выключателями КВ.
После подготовки вспомогательными приводами вентиляторной установки к пуску (ляды установлены в положение, соответствующее конкретной технологической схеме; направляющий аппарат установлен в положение «Меньше», спрямляющий – в положение «Нормально» при нормальной работе или оба установлены в положение «Реверс» при реверсивной работе; на вентилятор наложен тормоз, система маслосмазки работает нормально) собирается цепь готовности установки и включается реле пуска вентилятора РМН (РМР) (4) (станция автоматизации).
У высоковольтного двигателя реле РМН (РМР) включает контактор пуска КПн (КПр) (2), который, в свою очередь, включает электромагнит включения масляного выключателя ЭВн (ЭВр) (2), а последний подключает двигатель к сети.
У низковольтного двигателя реле РМН (РМР) включает контактор включения К.Л, который подключает двигатель к сети (станция статорная).
Масляный выключатель Вн (Вр) (контактор включения электродвигателя К.ЛН или КЛР) разомкнет свои блок-контакты в цепях пускателей ПНЗ (8) направляющего аппарата, электромагнита тормоза ПЭ (8) (станция автоматизации), в. цепи защелки контактора ускорения Уз-4 (станция роторная) или в цепи защелки контактора возбуждения КВз (3) (станция возбуждения), включит реле размножения контактов РРЛ (6) (станция автоматизации).
Реле РРЛ подготовит цепь реле PC1, PC2, РСЗ, РОА (6), разомкнет контакты в цепях сигнальной лампы ЛО1 (6) и реле РПН (РПР) (4) (станция автоматизации), сигнальной лампы ЛО (10) и замкнет контакт в цепи сигнальной лампы ЛВ (10) (пульт управления).
У синхронного двигателя реле РРЛ (6) включит реле РРЛ1 (3) (станция возбуждения), которое подготовит цепи контактора форсировки КФ (3) и контактора управления двигателем возбуждения КМГ (3), реле асинхронного режима РАР и разомкнет свой контакт в цепи защелки КМГз (3) (станция возбуждения). При этом включится возбудительный агрегат.
При подключении синхронного двигателя к сети возникнет толчок тока, от которого сработает реле тока РПТ (1). Последнее включит реле времени РВ1 (3), которое, в свою очередь, включит реле времени РВ2 (3). Эти два реле подготовят цепь включения контактора KB (3). При достижении двигателем подсинхронной скорости вращения ток статора уменьшится, реле РПТ отключится и разомкнет контакт в цепи реле РВ1 (3), которое, в свою очередь, разомкнет цепь реле РВ2 (3) и включит контактор KB (контакт реле РВ2 в цепи контактора KB в этот момент еще замкнут).
Контактор KB своими главными контактами подключит обмотку ротора синхронного двигателя к возбудителю, отключив ее от сопротивления гашения СГ, после чего двигатель войдет в синхронизм.
Когда станция управления питается от возбудителя, для четкой работы станции пуск двигателя производится при форсировке возбуждения (контактор форсировки КВ (3) включается контактом реле времени РВ2 и закорачивает сопротивление Р5Д).
У асинхронного двигателя реле РРЛ, размыкая свой контакт в цепи реле РВ1 (станция роторная), обеспечивает последовательное отключение реле времени РВ1 – РВ5 и включение контакторов У1 – У4, которые закорачивают роторные сопротивления, осуществляя разгон электродвигателя.
При разгоне вентилятора срабатывает реле контроля скорости РСВ (6), переключает контакты в цепи пускателя тормоза ПЭ (8) и включает реле контроля оборотов РКО (6) (станция автоматизации). Реле РКО своими контактами отключает реле пуска РПН (РПР) (4) и шунтирует контакт РВ в цепи реле РП (4) (станция автоматизации), которое отключает реле РМН (РМР) и РПП (4).
Реле РПП подготавливает цепи реле РКП (4), РС2, РОА (6) и размыкает свои контакты в цепях реле РП (4), РС5, РОА (6) и контакторов КПн (КПр) у реверсивного двигателя или КП (2) у нереверсивного двигателя.
Если пуск агрегата осуществляется по режиму «Нормально», после разгона вентилятора реле РКР контактом РКР-5 (или РКР-4, если рабочий маслонасос оказался неисправным и был включен резервный, т.е. удлинился процесс пуска агрегата) включит катушку ПНО (8) пускателя направляющего аппарата. После установки направляющего аппарата в положение «Больше» пускатель ПНО отключится конечным выключателем ВКБ1.
На этом пуск вентиляторного агрегата заканчивается. Если пуск прошел нормально, контактом реле РКР-1 включится реле контроля пуска РКП (4), которое отключит реле РКР и замкнет свои контакты в цепях реле РРМ (5), РСП1, РСП4, РСП5 (7).
Аппаратура предусматривает основные блокировки, исключающие:
– одновременную работу двух вентиляторов (рабочего и резервного), что осуществляется перекрестным включением контактов масляных выключателей или их промежуточных реле и контактов концевых выключателей, контролирующих положение ляд (дверей);
– повторное или самопроизвольное включение привода вентилятора после оперативного или аварийного его отключения без новой команды на пуск и до устранения причины остановки. Для этого используются реле аварийного отключения с самоблокировкой и блокировкой контактами сигнальных реле. Деблокировка выполняется кнопкой деблокировки аварии (станция автоматизации);
– включение вентилятора без подачи команды на новый пуск после нарушения пускового режима включением в цепь пусковых реле контакта реле отключения, размыкающегося при нарушении пускового режима;
– включение вентилятора до установки ляд в положение, соответствующее выбранному режиму работы, введением контактов конечных выключателей контроля их положения в цепь пусковых реле;
– включение электродвигателей лебедок ляд до установки лопаток направляющего и спрямляющего аппаратов в заданное положение. В случае нереверсивного вентилятора вводится замыкающий контакт реле контроля положения лопаток направляющих аппаратов (РНА) в цепь пускателей привода ляд при пуске агрегата в любом режиме. При реверсивном вентиляторе вводится замыкающий контакт реле РНА в цепь пускателей привода ляд для пуска в нормальном режиме, а для пуска в реверсивном режиме – замыкающих контактов конечных выключателей BKPI и ВКР2. Реле РНА контролирует установку направляющего аппарата в положение «Меньше», а у реверсивного вентилятора – остановку направляющего и спрямляющего аппаратов также в положение «Нормально». Конечные выключатели BKPI и ВКР2 контролируют установку направляющего и спрямляющего аппаратов в положение «Реверс»;
– включение синхронного двигателя синхро-асинхронного привода, если не включен асинхронный двигатель и частота вращения вентилятора не достигла подсинхронной величины (с помощью реле контроля частоты вращения);
– включение реверсивного двигателя вентилятора в обратную сторону до полной его остановки с помощью размыкающего контакта реле контроля оборотов, введенного в цепи реле пуска;
– одновременное включение двух видов управления посредством универсального переключателя;
– перестановку ляд нереверсивного вентилятора при открытом направляющем аппарате благодаря введению в цепь пускателей ляд замыкающего контакта реле РНА;
– перестановку ляд реверсивного вентилятора при включенном приводе или расторможенном его роторе способом введения в цепь пускателей ляд контактов пусковых реле;
– одновременный пуск колес первой и второй ступеней вентилятора встречного вращения с помощью контактов реле времени в цепи контактора;
– размыкание контактов высоковольтных разъединителей под нагрузкой по средством введения контакта выключателя, контролирующего его состояние, в цепь аварийного реле.
Аппаратура обеспечивает защиту от аварийных режимов, вызывающую отключение вентиляторной установки при:
– коротких замыканиях и перегрузке. Осуществляется токовыми реле, которые воздействуют непосредственно на электромагнит отключения высоковольтных двигателей и включают реле аварийного отключения установки;
– замыкании на землю;
– асинхронном режиме синхронного двигателя. При выпадении двигателя из синхронизма срабатывает реле контроля асинхронного режима, реагирующее на изменение коэффициента мощности, и замыкает свои контакты в цепи реле времени, которое с выдержкой времени включает реле аварийного отключения, производящего отключение электродвигателя от сети;
– отключении питающего напряжения на время более 10 с. В этом случае электродвигатель переходит в генераторный режим и частота его вращения снижается. В свою очередь, при уменьшении частоты переменного тока от двигателя срабатывает реле контроля частоты и отключает реле напряжения, шунтирующее своим контактом реле режима снятия напряжения, которое отпадает и отключает масляный выключатель и контактор возбуждения;
– наложении тормоза во время работы. Конечным выключателем контроля его положения через блинкер сигнального реле включается аварийное реле, и вентилятор отключается;
– затянувшемся пуске (более 8 мин). Реле времени контактом через блинкер сигнального реле подает импульс на аварийное реле РОА, которое отключает вентилятор;
– отсутствии протока и давления масла в системе маслосмазки. Осуществляется струйными реле и электроконтактными манометрами. При отсутствии протока и давления масла отключается реле, которое своим размыкающим контактом включает реле РОА (станция автоматизации) и останавливает вентиляторную установку;
– повышении температуры подшипников двигателя и вентилятора. Включается реле РОА и отключается вентиляторная установка. Аппаратурой предусмотрены следующие виды контроля:
– разгона двигателя (по времени). В случае затянувшегося пуска (необходимое время пуска устанавливается при наладке) реле времени своим контактом через блинкер включает реле аварийного отключения РОА (станция автоматизации). Происходит аварийное отключение агрегата или снятие невыполненной команды на пуск;
– положения ляд с помощью конечных выключателей в цепях пусковых реле;
– положения лопаток направляющего и спрямляющего аппаратов с помощью конечных выключателей. Пуск вентилятора и перестановка ляд производятся при закрытом направляющем аппарате;
– давления и подачи вентилятора. Осуществляется дифманометрами со вторичными приборами, имеющими устройства для сигнализации при отклонении параметров от заданных значений (при работе вентилятора в нормальном режиме). Каждый вентилятор оборудуется двумя вторичными приборами. Один устанавливается в помещении машинного зала на дверце шкафа КИП, второй – в помещении диспетчера. Сигнал об отклонении параметров расхода или давления подается на реле предупредительной сигнализации через блинкер сигнального реле;
– температуры обмоток электродвигателя вентилятора с помощью термометров сопротивления и логометра, установленного на шкафу КИП. Применяется только в случае поставки двигателей с термометрами сопротивления, заложенными в обмотки двигателей. На станции автоматизации предусмотрены резервные блинкеры в цепи аварийной сигнализации. В случае применения аппаратуры контроля температуры обмоток с выходными сигнальными контактами они должны быть включены в цепи соответствующих блинкеров;
– температуры подшипников двигателя и вентилятора через контакт аппаратуры АКТТ–1, установленной на станции КИП. При перегреве подшипников свыше 80° С подается сигнал на реле аварийного отключения РОА. Вентилятор отключается;
– отключения напряжения электродвигателя с помощью, реле напряжения и реле предупредительной сигнализации;
– положения тормоза (конечным выключателем);
– наличия напряжения на станциях управления с помощью реле контроля напряжения;
– исправности катушки РОА через реле тока, блинкер и реле предупредительной сигнализации РПС;
– тока статора приводного двигателя (амперметром А1);
– тока ротора приводного двигателя (у синхронного двигателя амперметром);
– потока и давления масла в системе маслосмазки с помощью струйного, реле и электроконтактных манометров с подачей сигнала через промежуточные реле на реле аварийного отключения РОА;
– высокого напряжения (6000 В) вольтметром;
– напряжения на шинах 380В вольтметрами;
– остановки вентилятора с помощью реле контроля частоты вращения с магнитоиндуктивным датчиком ДМ.
В помещении машинного зала предусмотрены следующие виды сигнализации. Блинкерная. Предупредительная и аварийная сигнализация на станции автоматизации.
Световая (с помощью сигнальных ламп).
На станции автоматизации: вентилятор включен или отключен, контроль напряжения, предупредительная и аварийная сигнализация, готовность цепей пуска вентилятора.
На роторной станции: контроль напряжения, готовность станции к пуску.
На станции возбуждения: контроль напряжения, контроль форсировки.
На станции статорной: контроль напряжения.
На станции вспомогательных приводов: контроль напряжения и контроль положения ляд.
На станции КИП: контроль напряжения.
В диспетчерском пункте на пульте управления имеются лампы: аварийной и предупредительной сигнализации, вентилятор включен или отключен, автоматический режим.
Звуковая. Звонки находятся в помещении машинного зала на станции автоматизации и в диспетчерском пункте на пульте управления.
Включение звонка осуществляется контактами реле РОА и РПС. При нарушении режима работы, не приводящем к аварии, подаются предупредительные световой и звуковой сигналы.
Перед пуском вентиляторного агрегата необходимо произвести следующие подготовительные операции на рабочем и резервном агрегатах:
включить автоматические выключатели на всех станциях этого агрегата;
на станции автоматизации универсальным переключателем выбрать вид управления электроприводом и механизмами вентиляторной установки (из машинного зала, от диспетчера или ремонтное);
выбрать режим работы вентиляторной установки (нормальный или реверсивный). При автоматическом управлении вентиляторной установкой из машинного зала режим работы выбирается универсальным переключателем, расположенным на станции автоматизации. При дистанционном автоматическом управлении из помещения диспетчерского пункта режим работы выбирается тумблером на пульте управления (диспетчером или оператором);
на станции вспомогательных приводов универсальным переключателем выбрать рабочий ввод 380В. После включения выбранного контактора рукоятку переключателя установить в положение, соответствующее включению контактора резервного ввода;
на станции автоматизации включить ремонтный выключатель, включить переключатель для обеспечения автоматического включения резервного (АВР) вентилятора, если это предусмотрено режимом работы; переключателем маслонасосов выбрать рабочий маслонасос;
на пульте диспетчера поставить тумблеры в положение «Звонок включен»;
на станции вспомогательных приводов универсальным переключателем УПВ выбрать вид управления электроприводами ляд и вентиляторами проветривания машинного зала (Р – ручное, А – автоматическое);
на станции автоматизации ШГС 8803-13Б2 включить универсальные выключатели или один из них в зависимости от числа работающих колес вентилятора встречного вращения.
Для управления вентиляторной установкой с вентиляторами ВЦД47 «Север» институтами ВНИИЭлектропривод и Донгипроуглемаш помимо основного электрооборудования регулируемого электропривода по системе КАВМК, входящего в состав комплекта, разработаны пульт управления, станции регулирования привода вентилятора, станция автоматизированного управления, станция управления лядами, станция дополнительная управления лядами и станция контрольно-измерительных приборов. При этом пульт управления, станции автоматизации, управления лядами и КИП по своим функциям аналогичны таким же станциям комплекта УКАВ-2М для центробежных вентиляторов.
Применение регулируемого электропривода выдвинуло ряд новых требований, связанных с необходимостью обеспечения:
плавного бесступенчатого задания программы пуска вентиляторного агрегата и устойчивого поддержания любой промежуточной частоты вращения вентилятора в заданном диапазоне регулирования от 0 до номинальной частоты вращения вентилятора;
темпа задания программы пуска, при котором пусковой момент в течение всего периода разгона был бы меньше двукратного номинального момента вентилятора;
возможности перевода привода в режим регулирования только в том случае, если противо-э.д.с. управления равна или несколько больше э.д.с. цепи ротора приводного двигателя вентилятора;
контроля готовности всех элементов привода к работе перед его включением преобразовательные агрегаты и другие элементы системы регулирования приведены в исходное состояние);
защиты, контроля и сигнализации о состоянии элементов регулируемого привода. Реализация этих требований выполняется станциями регулирования. Кроме того, конструктивные особенности переключающих устройств вентиляционных каналов вентиляторной установки с вентиляторами ВЦД47 «Север» потребовали принудительного прижатия ляд для обеспечения герметичности поверхности стыка рамы и ляды, достигаемого за счет отключения двигателей их привода при достижении определенного, наперед заданного момента, превышающего номинальный. Для этого предназначена станция дополнительная управления лядами.
Конструктивно все станции выполнены в шкафах двустороннего обслуживания нормального исполнения. Напряжение цепей управления – 220В переменного с частотой 50 Гц и постоянного тока. Напряжение питания элементов меньшего номинала обеспечивается внутренними преобразователями и стабилизаторами.
Шахта «Комсомольская» является сверхкатегорийной по выделению газа и опасной по внезапным выбросам угля и газа. Все угольные пласты, разрабатываемые на шахте, опасные по взрывам пыли и являются высокометаноносными. При этом пласт «Мощный» с отметки –350 м и пласт «Тройной» с отметки –500 м являются опасными по внезапном выбросам угля и газа, а пласт «Четвёртый» с отметки –800 м – угрожаемый. Кроме того, все три пласта являются опасными по горным ударам соответственно с отметок –65, –270 м
Выделение ядовитых газов в атмосферу шахты происходит только при буровзрывных работах.
Породы шахты содержат более 10 свободного кремнезёма, поэтому выработки, пройденные по породе, относятся к силикозоопасным.
В качестве основных мероприятий по борьбе с выделениями метана предусматривается эффективное проветривание горных выработок и дегазации пластов.
Борьба с метаном ведется в следующих направлениях:
– исключение образования взрывоопасных метановоздушных смесей;
– сокращение метановеделения в горные выработки;
– предотвращение возможности воспламенения и взрывов метана.
Основным источником метановыделения является выработанное пространство участка, которое определяется в основном метановыделением из пластов–спутников. Каптаж метана из пластов-спутников производят подземными скважинами, пробуренными с фланговых выработок, в зонах, разгруженных от горного давления.
На шахте работают две вакуум-насосные станции, оборудованные насосами типа НВ-50 и ЖВН-50, с помощью которых по системе подземных скважин и дегазационных трубопроводов из пластов-спутников и выработанного пространства выдается основная масса метановоздушной смеси для утилизации метана (сжигание в котлах котельной шахты).
Для ликвидации местных и слоевых скоплений метана необходимо применение вентиляторов местного проветривания пульсирующего действия. Местные скопления метана в лаве ликвидируются воздушными эжекторами.
Контроль за концентрацией метана во всех выработках осуществляется с помощью аппаратуры автоматического действия АМТ-3 и СММ-1, индивидуальных сигнализаторов метана CШ-2 и «Сигнал», газоанализаторов периодического действия ШИ-10, ШИ-11.
Проветривание выемочных участков производится с полным обособленным разбавлением метана по источникам его выделения.
Проветривание проходческих забоев осуществляется с помощью вентиляторов местного проветривания (ВМП) в комплексе с аппаратурой «Ветер – 1М», обеспечивающей непрерывный контроль за работой ВМП.
Комплекс «Метан» применяется для выдачи информации на диспетчерский пункт и отключения ячеек распределительных пунктов в аварийных ситуациях.
Для снижения запылённости атмосферы в шахте предусмотрен комплекс мероприятий для борьбы с угольной и породной пылью, который включает в себя: использование гидрозабойки при буровзрывных работах, осланцевание, установка водяных завес, обмывка, связывание осевшей пыли, увлажнение угля в массиве, орошение.
Для локализации взрывов угольной пыли устанавливаются водяные или сланцевые заслоны, которыми изолируются очистные и подготовительные забои, откаточные выработки, крылья шахтного поля, конвейерные выработки, склад ВВ, выработки околоствольного двора. Количество инертной пыли в заслоне определяется из расчета 400 кг/м2 площади поперечного сечения выработки в свету, длина заслона должна быть не менее 20 м. Количество воды и число сосудов водяного заслона определяется из расчета 400 л/м2 площади поперечного сечения выработки в свету, длина водяного заслона – не менее 30 м.
В качестве индивидуальных средств защиты при работах в очистных и подготовительных забоях, выполнении работ в нишах и на исходящей струе из лавы применяются респираторы. Респираторами должны быть обеспечены все рабочие, а также ИТР участка. На каждом участке ведётся учёт проводимых мероприятий по борьбе с пылью.
Для осаждения взвешенной в воздухе пыли необходимо устройство водяных завес в местах образования пыли и на исходящей струе участка.
Для борьбы с пылью при проведении взрывных работ необходимо применение водяных завес и гидрозабойки, создаваемой взрыванием заряда ВВ в полиэтиленовых сосудах с водой.
У погрузочно-разгрузочных пунктов, у перегрузочных пунктов на конвейерных линиях один раз в смену производится обмывка горных выработок. В конвейерных выработках очистных участков и в подготовительных выработках обмывка производится раз в сутки.
Для повышения зольности осевшей угольной пыли производится осланцевание выработок.
На шахте «Комсомольская» для предупреждения динамических явлений применяется комплекс мероприятий:
а) мероприятия по предупреждению горных ударов и внезапных выбросов: бесцеликовая выемка угля, первоочередная отработка пласта «Четвертого», система разработки длинными столбами с поддержанием выработок на границе массив – выработанное пространство, дегазация пласта «Тройного» с защитного пласта «Четвертого», увлажнение угольного массива отрабатываемых пластов, ведение очистных работ по пласту «Тройному» в защищенной зоне, применение гидроотжима или гидрорыхления опережающих полостей при проведении подготовительных выработок;
б) технологические мероприятия, направленные на снижение опасности газодинамических явлений: проведение горных выработок узким забоем, управление кровлей полным обрушением, узкозахватная выемка в очистных забоях, проведение выработок по рабочим пластам проходческими комбайнами, отказ от применения БВР по углю;
в) мероприятия по обеспечению безопасности рабочих при ведении работ на опасных пластах.
Согласно требований по 16 §443 шахтные электроустановки на поверхности должны отвечать требованиям «Правил устройства электроустановок», «Правил эксплуатации электроустановок потребителей» и «Правил технической эксплуатации». Подземные электроустановки также должны отвечать требованиям указанных правил, если они не противоречат требованиям по 16.
Защита людей от поражения электрическим током осуществляется применением защитного заземления и сетей с изолированной нейтралью, а в подземных электроустановках напряжением до 1000 В – также и реле утечки тока с автоматическим отключением поврежденной сети, с применением максимальной токовой защиты. В шахте должно применяться электрооборудование с уровнем взрывозащиты не ниже РВ.
Запрещается применять в подземных выработках коммутационные и пусковые аппараты и силовые трансформаторы, содержащие масло или другую горючую жидкость. Это требование не распространяется на КРУ, установленные в камерах с высшей степенью огнестойкости крепи.
В качестве реле утечки, постоянно контролирующих сопротивление изоляции, применяются серийно выпускаемые аппараты АЗУР и АЗПБ, встроенные в передвижные трансформаторные подстанции и пусковые аппараты.
Для обслуживания, ремонта и наладки электрооборудования допускаются лица, прошедшие специальный курс обучения и проверку знаний в соответствии с указаниями «Правил технической эксплуатации».
Все работы по обслуживанию, ремонту и наладке электрооборудования, согласно требованиям ПБ, производятся только при снятом напряжении.
Для обслуживания электрических установок применяются индивидуальные средства защиты: диэлектрические перчатки и боты или изолирующие подставки.
При монтаже и ремонте электрооборудования в шахтах, опасных по газу и пыли, должен осуществляться контроль за содержанием метана в месте производства работ. Каждый коммутационный аппарат, комплектное распределительное устройство должны быть обозначены четкой надписью, указывающей включаемую установку или участок, а также уставки срабатывания максимальной токовой защиты.
Запрещается:
эксплуатировать электрооборудование при неисправных средствах взрывозащиты, блокировках, заземлении, аппаратах защиты, нарушении схем управления и защиты, поврежденных кабелях;
иметь под напряжением неиспользуемые электрические сети, за исключением резервных электрических сетей;
открывать крышки оболочек взрывобезопасного электрооборудования в газовых шахтах без предварительного снятия напряжения со вскрываемого отделения, оболочки и замера концентрации метана;
снимать с аппаратов знаки, подписи и пломбы лицам, не имеющим на это право.
В подземных выработках шахты устроена общая сеть заземления, к которой присоединены все объекты, подлежащие заземлению в соответствии с требованиями 16 («Инструкция по устройству, осмотру и измерению сопротивления шахтных заземлений»). Общее переходное сопротивление сети заземления, измеренное у любых заземлителей, не должно превышать 2 Ом.
Электрооборудование разрешается открывать и ремонтировать только лицам, имеющим соответствующую квалификацию и право на производство таких работ.
Все электрические машины, аппараты, трансформаторы и другое электрооборудование, их взрывобезопасные оболочки, кабели, заземления должны периодически осматриваться:
лицами, работающими на машинах и механизмах, а также дежурными электрослесарями – ежесменно;
механиками участков или лицами, их замещающими – еженедельно;
главным энергетиком или главным механиком шахты, или назначенными ими лицами – не реже одного раза в 3 месяца.
Ревизия и проверка взрывобезопасности электрооборудования проводится в соответствии с требованиями 16 («Инструкция по осмотру и ревизии рудничного взрывобезопасного электрооборудования»).
Согласно требований 16, каждая шахта, с целью подготовки к ликвидации возможных пожаров, должна быть обеспечена противопожарной защитой, для чего составляются проекты противопожарной защиты.
В проекте противопожарной защиты шахты «Комсомольская» предусмотрено использование для пожаротушения всех действующих водоотливных магистралей, водопроводов, специальных противопожарных трубопроводов и ёмкостей. На поверхности шахты располагается пожарный водоём и насосная установка, сеть противопожарного трубопровода, закольцованная с общешахтным трубопроводом. По всем действующим выработкам проложен противопожарный став, на котором через каждые 50 метров устанавливаются пожарные краны; в местах возможного возникновения пожара (электрооборудование, механизмы, сопряжения выработок) находятся средства пожаротушения – огнетушители, ящики с песком, инертной пылью, несгораемое полотно.
На поверхности шахты и на каждом действующем горизонте в специальных камерах оборудованы специальные противопожарные склады и поезда. Каждый поезд и склад, согласно 16, укомплектованы специальным оборудованием, средствами и материалами пожаротушения. Для локализации пожаров устья стволов и камеры с электрооборудованием оборудуются противопожарными дверями.
Основные мероприятия противопожарной защиты:
прямоточная обособленная схема проветривания очистных и подготовительных работ;
выемка пластов без оставления промежуточных целиков;
для крепления подземных выработок применяются металлическая и железобетонная крепь;
все проходческие забои, действующие лавы, стационарные установки, электроустановки оборудуются средствами пожаротушения: песок (инертная пыль), огнетушители и др.;
для строительства шахтных зданий и сооружений используются несгораемые материалы и конструкции.
За 12 месяцев 2000 года произведено 292 обследования шахты контролирующими органами, допущено 93 остановки, в том числе: в очистных забоях – 13, в подготовительных – 25, в действующих выработках – 46, по оборудованию – 6.
За 12 месяцев 2000 года потери от остановок по проходке – 188 м, по добыче – 33550 тонн. За 12 месяцев 2000 года произошло 100 травм, в том числе – 3 смертельных, 1 тяжелая. Травматизм с начала 2000 года уменьшился на 5 случаев в сравнении 1999 годом. Наибольшее количество травм произошло на участках: №1 – 10 случаев, №2 – 12 случаев (один тяжелый), №6 – 13 случаев, №9 – 6 случаев, №10 – 6 случаев, УКТ – 7 случаев (2 смертельных), ПУО – 1 случай (смертельный), ВШТ – 5 случаев, ВШНТ – 4 случая, ВТБ – 4 случая, РВУ – 4 случая, ПСХ – 4 случая. Сравнительный анализ травматизма по сравнению с 1999 годом приведен в табл. 8.1 и 8.2.
Таблица 8.1
|
Место происшествия травм |
1999 год |
2000 год |
||
|
Всего |
В т.ч. смер. |
Всего |
В т.ч. смер. |
|
|
Очистные |
20 |
- |
14 |
- |
|
Подготовительные |
12 |
- |
11 |
- |
|
Действующие |
57 |
1 |
57 |
3 |
|
Поверхность |
16 |
- |
18 |
- |
|
В т.ч. на подземном транспорте |
1 |
- |
13 |
2 |
|
В т.ч. травмиров. Женщин |
2 |
- |
9 |
- |
|
Подростки |
- |
- |
- |
- |
|
ИТР |
7 |
- |
7 |
- |
|
Всего травм |
105 |
1 |
100 |
3 |
Заболеваемость за 2000 год в сравнении с 1999 годом, табл. 8.3:
от производственных травм количество заболеваний уменьшилось на 31 случай и количество дней нетрудоспособности уменьшилось на 688 дней;
от бытовых травм количество заболеваний уменьшилось на 6 случаев, а количество дней нетрудоспособности уменьшилось на 965 дней;
от травм по пути на работу и с работы количество заболеваний увеличилось на 25 случаев, а количество дней нетрудоспособности увеличилось на 1246.
Таблица 8.2
|
Участки |
2000 год |
1999 год |
||
|
Всего |
В т.ч. смер. |
Всего |
В т.ч. смер. |
|
|
1 |
10 |
- |
13 |
- |
|
2 |
12 |
- |
12 |
- |
|
3 |
2 |
- |
2 |
- |
|
6 |
12 |
- |
12 |
- |
|
9 |
6 |
- |
16 |
1 |
|
10 |
6 |
- |
8 |
- |
|
ВШТ |
5 |
- |
4 |
- |
|
ВШНТ |
5 |
- |
6 |
- |
|
УКТ |
7 |
2 |
1 |
- |
|
РВУ |
3 |
- |
5 |
- |
|
РМУ |
2 |
- |
2 |
- |
|
ПУРСО |
1 |
- |
2 |
- |
|
ПУРСО-мк |
3 |
- |
3 |
- |
|
ПУРЭ |
- |
- |
1 |
- |
|
ВТБ |
4 |
- |
1 |
- |
|
УРЗО |
2 |
- |
1 |
- |
|
УПВР |
2 |
- |
3 |
- |
|
ПУО |
1 |
1 |
7 |
- |
|
УВПП |
2 |
- |
2 |
- |
|
УОУ |
2 |
- |
1 |
- |
|
ТКП |
2 |
- |
- |
- |
|
ПСХ |
4 |
- |
1 |
- |
|
УРЗПС |
1 |
- |
- |
- |
|
Мех. Цех |
1 |
- |
- |
- |
|
Связь |
- |
- |
1 |
- |
|
АБК |
1 |
- |
- |
- |
|
АУП |
3 |
- |
- |
- |
|
Всего |
100 |
3 |
105 |
1 |
|
С инвалидным исходом |
1 |
- |
2 |
- |
Таблица 8.3
|
Травмы |
Кол-во случаев |
Кол-во дней |
||
|
2000 год |
1999 год |
2000 год |
1999 год |
|
|
Производственные |
112 |
143 |
3999 |
4687 |
|
По пути на работу |
115 |
90 |
2732 |
1486 |
|
Бытовые |
284 |
290 |
5610 |
6575 |
|
Всего заболеваний |
3872 |
4342 |
56132 |
62200 |
Согласно §16 по 16 должен быть составлен план ликвидации аварий (ПЛА), который разрабатывается на каждые шесть месяцев главным инженером шахты, согласовывается с командиром обслуживающего шахту горноспасательного взвода и утверждается техническим директором ОАО «Воркутауголь» за 15 суток до ввода плана в действие.
В ПЛА предусмотрены мероприятия, которые осуществляются немедленно при обнаружении аварии: спасение людей, застигнутых аварией в шахте, ликвидация аварии и предупреждение её развития.
ПЛА должен содержать:
1. оперативную часть, составленную по форме, согласно 16 «Форма и примерная схема составления оперативной части ПЛА»;
2. список должностных лиц и учреждений, которые должны быть немедленно извещены об аварии;
3. правила поведения работников шахты при авариях;
4. рекомендации по ликвидации последствий аварийных ситуаций, не включённых в позиции ПЛА.
К оперативной части ПЛА прилагаются: схема вентиляции шахты, план горных выработок с нанесением на него всех противопожарных средств и средств связи, микросхема горных выработок с нанесением направления движения воздуха, мест установки телефонов и их номеров, протяжённости и углов наклона основных горных выработок.
Санитарные требования для угольных шахт, согласно 24 и 16, определены «Санитарными правилами по устройству и содержанию предприятий угольной промышленности».
Организация медицинского обслуживания и профилактика профзаболеваний предусматривает: устройство санитарно-бытовых помещений в соответствии с действующими строительными нормами и правилами; оборудование на каждой шахте здравпункта в соответствии с санитарными нормами и специальными указаниями Минздрава РФ; регулярное проведение медицинских обследований всех работников шахты; обучение всех подземных рабочих оказанию первой медицинской помощи; обеспечение всех рабочих спецодеждой, индивидуальными средствами защиты; хранение, сушку, обеспыливание и стирку спецодежды; обеспечение околоствольных дворов, подготовительных (основных) и очистных забоев (у входа и выхода из них) носилками; концентрация угольной и породной пыли в воздухе действующих выработок должна соответствовать требованиям 16 и 24; создание климатических условий, регламентируемых требованиями 16; установку в стволах шахты водоулавливателей, а в околоствольном дворе – приспособления для защиты людей от капежа при посадке в клеть и выходе из нее; снабжение всех подземных рабочих флягами вместимостью не менее 0,75л; физико-химический и бактериологический анализ воды, откачиваемой из шахты на поверхность.
Шахта ''Комсомольская'' расположена на юго-западе от поселка Комсомольский в 1,2 км от центра поселка. Санитарно-защитная зона граничит с жилой зоной. Люди в санитарно-защитной зоне не проживают. Расстояние от источников выброса до границ санитарно-защитной зоны:
560 м – юго-восточное направление;
840 м – южное направление;
680 м – юго-западное направление;
500 м – по всем остальным направлениям.
Отопление поселка осуществляется от котельной шахты.
Загрязнение окружающей среды происходит за счет выбросов вредных веществ в воздух, воду, на поверхность земли.
Основными источниками загрязнения воздушной среды при эксплуатации шахты являются:
Углеобогатительная фабрика, выбрасывающая угольную пыль;
Две котельные, выбрасывающие угольную золу, сернистый ангидрид, угарный газ, оксиды азота;
Технологический комплекс поверхности;
Породные отвалы, с которых сдувается породная и угольная пыль;
Горящие породные отвалы выбрасывающие СО, SO2, H2S;
Угольный склад и погрузка, с которых сдувается угольная пыль;
Мехцех, где в процессе сварки выделяется сварочная аэрозоль и соединения марганца;
Комплекс проветривания шахты, который включает вентиляционные стволы шахты, выбрасывает в атмосферу отработанный воздух из горных выработок, содержащий угольную и породную пыль, метан и другие вредные газы.
|
Наименование загрязняющего вещества |
Выбросы, т/год |
|
Сернистый ангидрид (SO2) |
396,304 |
|
Оксид углерода (CO) |
596,350 |
|
Оксид азота (NO2) |
290,802 |
|
Метан (CH4) |
50088,349 |
|
Сероводород (H2S) |
1,78 |
|
Твердые |
1242,766 |
|
Газообразные и жидкие |
51373,585 |
|
Всего: |
52616,351 |
На шахте ''Комсомольская'' имеется котельная (блок Южный) и котельная (блок Северный). В качестве топлива используется как уголь, так и газ-метан, каптируемый из горных выработок. Шесть котлов работают на угле, 6 – на газе-метане.
Дымовые газы от котлов, сжигающих уголь поступают в экономайзер, где происходит охлаждение. Очистка от золы осуществляется циклоном батарейным блочным (БЦ).
Перевод котлоагрегатов на газ-метан с угольного топлива, является наиболее эффективным путем снижения выбросов в атмосферу, так как нет выбросов золы и сернистого ангидрида.
Места выделения угольной пыли оборудованы аспирационными системами с пылеулавливающим оборудованием (КЦМП-4, ЦН-15, ВД-10, ЦС-8 (погрузка угля в железнодорожные вагоны), СИОТ).
Перевод котлоагрегатов на газ-метан с угольного топлива является наиболее эффективным, так как исключает выбросы в атмосферу летучей золы и SO2;
Замена и ремонт циклонов;
Формирование породного отвала с учетом мер предотвращения самовозгорания;
Ликвидация несанкционированных свалок;
Недопущение вывоза мусора на породные отвалы.
Основными источниками загрязнения водной среды являются:
Вода, выдаваемая из шахты, загрязнена взвешенными веществами, некоторыми металлами, нефтепродуктами и другими веществами;
Вода с углеобогатительной фабрики загрязнена взвешенными веществами;
Вода бытовой и дождевой канализации, загрязненная взвешенными веществами и биологическими отходами.
|
№ пп |
Наименование загрязняющего вещества |
Ед. изм. |
СОШВ |
|
1 |
БНК |
т |
3,3 |
|
2 |
Взвешенные вещества |
т |
7,1 |
|
3 |
Нефтепродукты |
т |
1,4 |
|
4 |
Сухой остаток |
т |
4125,2 |
|
5 |
Сульфаты |
т |
469,2 |
|
6 |
Хлориды |
т |
308,5 |
|
7 |
Азот аммония |
кг |
275 |
|
8 |
Азот нитрита |
кг |
52,1 |
|
9 |
Азот нитрата |
кг |
17640,7 |
|
10 |
Железо |
кг |
285,7 |
|
11 |
Магний |
кг |
48208,5 |
|
12 |
Фосфор |
кг |
250 |
|
13 |
СПАВ |
кг |
571,4 |
|
14 |
Cu |
кг |
17,9 |
|
15 |
Фенолы |
кг |
2,1 |
|
16 |
Цинк |
кг |
18,2 |
|
Всего: |
кг |
67326,51 |
|
|
Объем сточных вод шахты Комсомольская 3571 тысм3/год |
|||
Чистка золонакопителя;
Капитальный ремонт КНС, хозяйственной фекальной канализации;
Очистка водоохранной и прилегающей территории вокруг реки Безымянной;
Предотвращение загрязнения территории предприятия нефтепродуктами (оборудовать моечную площадку маслосборником).
К нарушенным относятся земли, которые при разработке полезных ископаемых, проведении строительных и иных работ претерпели изменения в рельефе, почвенном покрове. К ним относятся выемки карьеров, деформированные поверхности шахтных полей (воронки, провалы), породные отвалы, золоотвалы, шлаконакопители УОФ, пруды-отстойники, свалки мусора и прочие.
К отработанным относятся земли, надобность в которых у предприятия миновала.
|
Нарушено |
Отработано |
||
|
Всего, га |
В том числе за отработанный период |
Всего, га |
|
|
Породные отвалы |
55,01 |
1,88 |
23,24 |
|
Шлаконакопители |
10,8 |
| |
|
Золоотвалы |
6,8 |
| |
|
Пруды-отстойники |
1,85 |
| |
|
Промплощадки для шлака |
2,02 |
| |
|
Всего по шахте: |
70,118 |
1,88 |
23,24 |
За 2000 г. территория нарушенных земель увеличилась с 74,60 га до 76,48 га.
Вскрытие и подготовка шахтного поля приняты с учетом горнотехнических условий шахты «Комсомольская».
К мероприятиям, рекомендуемым для снижения потерь полезного ископаемого в целиках, относятся следующие:
бесцеликовая технология охраны промежуточных выработок;
планирование и производство горных работ с учетом тектонических особенностей шахтного поля;
применение механизированных выемочных комплексов типа КМ, позволяющих исключить потери угля по мощности пластов.
Таблица 9.4
|
№ пп |
Показатели |
Платежи, руб. |
|
1 |
За выброс в атмосферу загрязняющих веществ |
181650,56 |
|
1.1 |
В пределах установленных лимитов |
105324,8 |
|
1.2 |
За превышение допустимых лимитов |
76325,76 |
|
1.3 |
Штрафы за аварийные выбросы |
|
|
2 |
За сброс в водные объекты загрязняющих веществ |
26249,6 |
|
2.1 |
В пределах установленных лимитов |
8422,4 |
|
2.2 |
За превышение допустимых лимитов |
17827,2 |
|
2.3 |
Штрафы за аварийные выбросы |
|
|
3 |
За размещение аварийных (захороненных) отходов |
2764,61 |
|
3.1 |
В пределах установленных лимитов |
2764,61 |
|
3.2 |
За превышение допустимых лимитов |
|
|
3.3 |
Штрафы за аварийные выбросы |
|
|
4 |
Общая сумма платы |
210664,77 |
|
4.1 |
В пределах установленных лимитов |
116511,81 |
|
4.2 |
За превышение допустимых лимитов |
94152,96 |
|
4.3 |
Штрафы за аварийные выбросы |
|
|
5 |
Платежи за сверхнормативные и не комплексное исполнение природных ресурсов и получаемого из них сырья (от передвижения источников загрязнения) |
1180,48 |
|
Всего за год: |
211845,25 |
Основными задачами эксплуатации современных систем электроснабжения горных предприятий являются правильное определение электрических нагрузок, рациональная передача и распределение электроэнергии, обеспечение необходимой степени надежности электроснабжения, обеспечение необходимого качества электроэнергии на зажимах электроприемников, обеспечение электромагнитной совместимости приемников электрической энергии с питающей сетью, экономия электроэнергии и других материальных ресурсов.
В своей работе рассматриваю возможность наиболее качественной передачи и распределения электроэнергии, решаю вопрос компенсации реактивной мощности, с помощью конденсаторных батарей.
Интенсификация производственных процессов, повышение производительности труда связаны с совершенствованием существующей и внедрением новой, передовой технологии.
Экономное использование электроэнергии приобретает все большее значение. Анализ потребления электрической энергии горными предприятиями показывает, что основными направлениями сокращения потерь электроэнергии в сетях являются компенсация реактивной мощности с одновременным улучшением качества потребляемой электрической энергии непосредственно в сетях горных предприятий, увеличение загрузки трансформаторов с целью достижения максимальной эффективности их использования, приближение трансформаторов к приемникам электроэнергии (глубокие вводы), сокращение ступеней трансформации и исключение дополнительного реакторного оборудования, сокращение потерь непосредственно в трансформаторах, внедрение более экономичного силового электрооборудования и источников света, оптимизация режимов работы электрооборудования, реконструкция и перевод сетей на повышенное напряжение, внедрение диспетчерского управления и автоматизированных систем управления электроснабжением и учетом электроэнергии.
Режим работы электрической системы характеризуется значениями показателей ее состояния, называемых параметрами режима. Все процессы в электрических системах можно охарактеризовать тремя параметрами: напряжением, током и мощностью Р. Но для удобства расчетов и учета электроэнергии применяются и другие параметры, в том числе реактивная мощность Q. Существует несколько определений реактивной мощности. Например, что реактивная мощность, потребляемая индуктивностью и емкостью, идет на создание магнитного и электрического полей. Индуктивность рассматривается как потребитель реактивной мощности, а емкость – как ее генератор.
В цепях переменного тока мощность можно определить по формуле:
![]()
только при совпадении по фазе тока и напряжения (угол = 0,) (U, I –действующие значения напряжения и тока). Поэтому для характеристики мощности цепи переменного тока требуется дополнительный показатель, отражающий разность фаз тока и напряжения. Произведение показаний вольтметра и амперметра в цепи переменного тока называется полной мощностью. Для трехфазной цепи она равна:
![]()
Активная мощность трехфазного переменного тока определяется по формуле:
![]()
На основании этих выражений полная мощность S представляется гипотенузой прямоугольного треугольника, один катет которого представляет активную мощность Р = S cos, а другой – реактивную Q = Ssin. Из треугольника мощностей получаются следующие зависимости:
![]()
Множитель cos называется коэффициентом мощности. В некоторых случаях удобней пользоваться не cos, a tg, называемым коэффициентом реактивной мощности:

Расчетное значение реактивной мощности легко найти из выражения:
![]()
Коэффициент реактивной мощности tg с приближением угла к нулю позволяет найти значение Qp с меньшей погрешностью, чем величина cos, так как в зоне малых углов , где cos = 0,95, изменение коэффициента мощности на 1% приводит к изменению коэффициента реактивной мощности на 10 %.
Следует помнить об условности толкования Q как мощности. Только активная мощность Р может совершать работу и преобразовываться в механическую, тепловую, световую и химическую энергию. Активная мощность обусловлена преобразованием энергии первичного двигателя, полученной от природного источника, в электроэнергию. Реактивная мощность не преобразуется в другие виды мощности, не требует для ее производства затраты других видов энергии, не совершает работу и поэтому условно называется мощностью.
Аналогия реактивной мощности с активной состоит в сходстве аналитического выражения, в том, что электроприемники потребляют не только активную, но и реактивную мощность, так как процессы передачи и потребления электроэнергии неразрывно связаны с возникновением магнитного и электрического полей, в зависимости и активной, и реактивной мощности от напряжения и частоты в соответствии со статическими характеристиками, в зависимости потерь в сетях от потоков и активной, и реактивной мощности, в одинаковом способе измерения активной и реактивной мощности. Для расчета режимов в цепях синусоидального тока реактивная мощность является очень удобной характеристикой, широко используемой на практике.
К потребителям реактивной мощности в электроустановках горных предприятий относятся асинхронные двигатели, трансформаторы, преобразователи, сварочные трансформаторы, а также реакторы и электрические сети. Поскольку с изменением нагрузки приемников реактивная мощность изменяется незначительно, основной причиной повышенного потребления реактивной мощности являются выбор приемников с чрезмерным запасом мощности, а также работа приемников в режиме холостого хода.
Передача реактивной мощности:
а) снижает пропускную способность элементов схемы электроснабжения (генераторов, трансформаторов, линий и т. д.) по активной мощности, поскольку пропускная способность по полной мощности является неизменной;
б) вызывает дополнительные потери активной мощности на передачу реактивной мощности;
в) вызывает дополнительные потери напряжения в линиях, трансформаторах, реакторах.
Для устранения недостатков, связанных с передачей реактивной мощности, необходимо применять меры и средства для ее компенсации:
а) повышать загрузку электродвигателей за счет рационального изменения технологического процесса;
б) ограничивать время работы двигателей на холостом ходу, применяя в случае необходимости автоматические ограничители холостого хода, если продолжительность межоперационного периода превышает 10 с;
в) заменять длительно незагруженные двигатели менее мощными, используя заменяемые электродвигатели в другом месте, если изъятие избыточной мощности вызывает уменьшение потерь активной энергии в энергосистеме;
г) рационализировать работу трансформаторов, переводя их нагрузки на другие трансформаторы и отключая на время спада нагрузки, а также заменяя менее мощными трансформаторами, если их средняя загрузка составляет менее 30% номинальной мощности;
д) установка на предприятии специального электрооборудования, компенсирующего реактивную мощность (допускается только с разрешения энергосистемы).
Для компенсации реактивной мощности применяются статические конденсаторы, синхронные электродвигатели, синхронные компенсаторы.
Величина требуемой реактивной мощности QК компенсирующих устройств определяется по формуле:
![]()
где QМ – реактивная нагрузка предприятия в режиме наибольших активных нагрузок энергосистемы;
QС – наибольшее значение реактивной мощности, передаваемой энергосистемой в сеть предприятия в режиме наибольших активных нагрузок энергосистемы.
В данной работе рассмотрим наиболее простой с технической точки зрения вариант компенсации реактивной мощности с помощью конденсаторных батарей. Наиболее простой способ компенсации с экономической точки зрения, установка компенсирующих устройств на ГПП. Но он не решает компенсацию реактивной мощности непосредственно в отдельных ветвях системы.
Конденсаторные установки могут выполнять компенсацию реактивной мощности, регулирование напряжения, создание симметричного режима, устранение гармоник в устройствах соответствующих фильтров и др. При решении задачи выбора мощности конденсаторных установок и размещения их в распределительных сетях необходимо учитывать: номинальное напряжение сети, где предполагается их установка; допустимые колебания напряжения в сети; график потребляемой реактивной мощности и характеристики основных потребителей данной сети отключающую способность коммутационной аппаратуры; возможность возникновения резонансных явлений; применение автоматического регулирования мощности конденсаторных установок; потребность в реактивной мощности не только в системе в целом, но и для всего района с соответствующим учетом необходимого резерва; номенклатуру выпускаемых заводами комплектных конденсаторных установок; экономический эффект от использования конденсаторных установок; возможность регулирования напряжения с помощью трансформаторов с РПН и конденсаторных установок.
Передача реактивной мощности во многих случаях экономически целесообразна в пределах одной ступени трансформации, а конденсаторные установки выгодно размещать вблизи мест потребления реактивной мощности.
Целесообразно применять КУ с автоматическим регулированием мощности, а суммарная мощность нерегулируемых КУ не должна превышать наименьшую реактивную нагрузку в данной сети. Управляемые КУ с номинальным напряжением ниже 1000 В могут оказаться более экономичными вследствие их большего технико-экономического эффекта и меньшей стоимости коммутационных аппаратов. В сетях же напряжением выше 1000 В удельная стоимость самих конденсаторов ниже, а стоимость коммутационной аппаратуры для автоматического управления секциями значительно выше. Частота включений и отключений секций КУ при прочих равных условиях больше для КУ, присоединяемых к сетям напряжением до 1000 В, и меньше для КУ, присоединяемых к сетям напряжением выше 1000 В.
Конденсаторные установки поперечной компенсации в зависимости от результатов произведенных технико-экономических расчетов могут размещаться в распределительных сетях 660/1140 В и 6/10 кВ на шинах подстанций и непосредственно на воздушных линиях передачи. Совместное использование регулирующего и компенсирующего эффектов рассредоточенных конденсаторных установок малой и средней мощности более экономично, чем использование крупных конденсаторных установок.
Исходя из номенклатуры, намечаемой к выпуску заводами, рекомендуется применять для низкого напряжения следующие мощности КУ в единице 80, 100, 150, 200, 300, 400, 540 квар с аппаратурой дистанционного управления, а для осветительных нагрузок низкого напряжения – с мощностью в единице порядка 30 – 150 квар, подключаемые непосредственно без выключателей к осветительным сетям. На напряжении 6/10 кВ рекомендуется применять мощность КУ в единице: 300, 450, 600, 750, 900, 1050, 1200 квар с присоединением через отдельные выключатель.
Величина капитальных затрат на конденсаторную установку определяется мощностью, напряжением, наличием автоматического регулирования, типом распределительных устройств, используемых при подключении установки к электрической сети. С увеличением мощности конденсаторной установки удельные характеристики снижаются, так как стоимость и монтаж коммутационной, защитной, измерительной, разрядной аппаратуры, а также вводных ячеек и аппаратуры автоматического регулирования почти не зависят от мощности конденсаторной установки.
При работе в электрических системах мощных генераторов с высоким коэффициентом мощности, ростом протяженности сетей 220, 330, 500 кВ передача реактивной мощности от электростанции к местам ее потребления экономически нецелесообразна. Источниками реактивной мощности являются не только генераторы электрических станций, но и синхронные компенсаторы, синхронные двигатели, работающие в режиме перевозбуждения, регулируемые конденсаторные установки и др.
Увеличение потоков реактивной мощности в элементах сети приводит к изменению напряжения в различных ее точках, поэтому одновременно с компенсацией реактивной мощности должен решаться вопрос регулирования напряжения в сети. Для этих целей в последнее время получили широкое распространение конденсаторные установки, размещаемые в любых точках распределительных сетей напряжением 0,66 – 10 кВ в непосредственной близости к месту потребления реактивной мощности. При этом можно или полностью отказаться от регулируемых под нагрузкой цеховых трансформаторов, или значительно уменьшить их диапазон регулирования, что даст снижение потери энергии в сетях и улучшает качество напряжения у электроприемников.
Для покрытия реактивной мощности косинусными конденсаторами в сетях горных предприятий получили распространение централизованная, групповая и индивидуальная виды компенсации (рис.10.1). При централизованной компенсации на стороне высшего напряжения (рис.10.1,а), когда конденсаторная установка подсоединяется к шинам б/10 кВ трансформаторной подстанции, получается хорошее использование конденсаторов, их требуется меньше и стоимость 1 квар получается минимальной по сравнению с другими способами. При компенсации по этой схеме разгружаются от реактивной мощности только расположенные выше звенья энергосистемы: питающие сети 6/10 кВ, трансформаторы главных подстанций 110/6 кВ, питающие линии электропередачи 110 кВ и генераторы электрических станций. Распределительные же сети питающих трансформаторов не разгружаются от реактивной мощности, а следовательно, потери электроэнергии в них не уменьшаются и мощности трансформаторов на подстанции не могут быть уменьшены.

Рис.10.1 Способы компенсации реактивной мощности в сетях
промышленных предприятий
а – централизованная на стороне высшего напряжения; б – централизованная на стороне низшего напряжения; в – групповая; г – индивидуальная.
При централизованной компенсации на стороне низшего напряжения (рис.10.1,б), когда конденсаторная установка подсоединяется к шинам 0,66 кВ трансформаторной подстанции, от реактивной мощности разгружаются не только сети 6/10 кВ, но и трансформаторы на подстанции, а внутризаводские распределительные сети 660/1140 кВ остаются неразгруженными. При групповой компенсации (рис.10.1,в), когда конденсаторные установки устанавливаются на штреках и присоединяются непосредственно к участковым распределительным пунктам (РП) или кабели 0,66 кВ, разгружаются от реактивной мощности и трансформаторы на .подстанции м питательные сети 0,66 кВ. Неразгруженными остаются только распределительные сети к отдельным электроприемникам.
В целях равномерного распределения компенсирующих устройств целесообразно подключать конденсаторную установку к шинам (РП) таким образом, чтобы реактивная нагрузка этого РП составляла более половины мощности подключаемой конденсаторной установки.
При индивидуальной компенсации (рис.10.1,г), когда конденсаторная установка подключается непосредственно к зажимам потребляющего реактивную мощность электроприемника, такой способ является наиболее эффективным в отношении разгрузки от реактивной мощности питательной и распределительной сетей трансформаторов и сетей высшего напряжения, но при этом получается относительно недостаточное использование конденсаторных установок, так как при отключении электроприемника отключается и его конденсаторная установка. В целом по всей шахте потребуется большая установленная мощность конденсаторов. Индивидуальная компенсация целесообразна при высоком коэффициенте одновременности для некоторых видов электроприемников, являющихся постоянными потребителями реактивной мощности.
Преимуществом индивидуальной компенсации является и то, что для конденсаторной установки используется то же пусковое устройство, что и для электроприемника, а разрядным сопротивлением служит электроприемник. Возможны также варианты комбинированного размещения конденсаторных установок. Все рассмотренные выше способы компенсации имеют положительные стороны, благодаря чему каждый из них находит свое применение.
Определение наивыгоднейших решений выбора способа компенсации реактивной мощности производится на основании технико-экономических расчетов тщательных исследований производственных условий, факторов конструктивного характера и т.д. При выборе места размещения конденсаторной установки в распределительной сети необходимо учитывать ее влияние на режим напряжения и величину потерь энергии в сети.
Как правило, компенсация реактивной мощности должна производиться в той же сети (на том же напряжении), где она потребляется, три этом будут минимальные потери энергии, а следовательно, и меньшие мощности трансформаторов. Но могут быть и исключения. Например, на предприятии установлено большое количество двигателей напряжением 0,66 кВ с коэффициентом мощности 0,4 – 0,6. Для решения этого вопроса можно принять индивидуальную компенсацию, т.е. установку конденсаторов около каждого двигателя. Однако с учетом технологии данного производства эти двигатели работают в течение смены с большими перерывами и изменяющейся нагрузкой. Таким образом, установка индивидуальной компенсации будет экономически невыгодна из-за недоиспользования большой установленной мощности конденсаторов, а если учесть, что нельзя установить конденсаторы внутри шахты из-за наличия газа и пыли и недостаточной вентиляции, то следует проверить возможность групповой компенсации на напряжения 660/1140 В.
Но для групповой компенсации необходимо место внутри ПУПП для размещения конденсаторной установки, а его может не оказаться. Следовательно, осуществить компенсацию реактивной мощности в той же сети 660/1140 В, где она потребляется, в данном случае не представилось возможным.
При анализе участковой сети напряжением 660/1140 В на данном предприятии, а также в связи с неэкономичным использованием конденсаторных установок у малозагруженных двигателей и наличием места в распределительном устройстве (РУ) 6 кВ подстанции для установки конденсаторов напряжением 6 кВ наиболее приемлемым и экономически оправданным оказался централизованный способ компенсации реактивной мощности на шинах 6 кВ ЦПП.
При компенсации реактивной мощности необходимо также учитывать характер изменения нагрузки внутри шахты. Если нагрузка шахты подвергается значительным колебаниям реактивной мощности, необходимо установить конденсаторную установку с автоматическим регулированием ее мощности. При загрузке большей части графика постоянной реактивной нагрузкой возможна установка в соответствующей части постоянно включенной нерегулируемой конденсаторной установки, а остальную часть конденсаторной установки предусматривают с автоматическим регулированием ее мощности в зависимости от графика реактивной мощности предприятия. Кроме установки специальных компенсирующих устройств, для выравнивания графика реактивной нагрузки на промышленных предприятиях, необходимо стремиться к уменьшению передачи реактивной мощности по электрическим сетям естественными мерами: за счет упорядочения технологического процесса, улучшения режима работы электроприемников и др.
Проведем расчет фактических токов и анализ вводных кабелей энергосистемы шахты Комсомольская:

где Рр – взята из данных предоставленных службой главного энергетика ш. Комсомольская;
cos – (средневзвешенный) предоставлен службой главного энергетика ш. Комсомольская;
U – 660 В – для питания низковольтных потребителей;
U – 1140 В – для питания наиболее мощных низковольтных потребителей;
U – 6000 В – для питания подземных понизительных подземных подстанций, и наиболее мощных асинхронных двигателей.

где Кот = 1 – коэффициент изменения напряжения трансформаторной подстанции при положении отпайки 0;
– коэффициент
трансформации
трансформаторной
подстанции;
Кс – коэффициент спроса предоставленный службой главного энергетика.
Токоприемники РПП-4С (ДП.180400.06)
Для ТП №32: Руст = 107 кВт; Ррас = 43 кВт; Кс = 0,4.
Фактический ток нагрузки:
![]()
Ток нагрузки ТП:
![]()
Для ТП №40: Руст = 230 кВт; Ррас = 115 кВт; Кс = 0,5.
Фактический ток нагрузки:
![]()
Ток нагрузки ТП:
![]()
Для ТП №51: Руст = 40 кВт; Ррас = 20 кВт; Кс = 0,5.
Фактический ток нагрузки:
![]()
Ток нагрузки ТП:
![]()
Для ТП №82: Руст = 40 кВт; Ррас = 24 кВт; Кс = 0,6.
Фактический ток нагрузки:
![]()
Ток нагрузки ТП:
![]()
Расчет сечения вводных кабелей РПП-4С
Ввод №1 L = 1635 м сеч. 3х70 кв. мм
Ввод №2 L = 1705 м сеч. 3х70 кв. мм
Рсум. рас = 43 + 115 + 20 + 24 = 202 кВт
Фактический ток нагрузки:
![]()
Ток нагрузки токоприемники РПП-4С:
![]()
Суммарный расчетный ток В.Н. – 367 А; расчетная нагрузка на ввод – 2114 кВт
При действующих токоприемниках РПП-4С вводные кабели на РПП-4С проходят проверку как в нормальном, так и в аварийном режимах (табл. 10.1).
Дальнейшие расчеты идентичны, сведем их в таблицу:
Таблица 10.1
|
Место установки |
Рсум. расч , кВт |
Iф , А |
Lвводн.каб , м |
Sвводн.каб , мм2 |
|
|
Н.Н. |
В.Н. |
||||
|
РПП-3С |
3822 |
1571 |
647 |
L1 = 1232 L2 = 1300 |
S1 = 3х120 S2 = 3х95 |
|
РПП-2С |
2192 |
2949 |
392 |
L1 = 1243 L2 = 1150 |
S1 = 3х95 S2 = 3х95 |
|
РПП-1С |
7183 |
1112 |
1227 |
L1 = 1013 L2 = 986 |
S1 = 3х120 S2 = 3х120 |
|
ЦПП конвейеризации |
4509 |
358 |
801 |
L1 = 1360 L2 = 1400 |
S1 = 3х150 S2 = 3х150 |
|
ЦПП-центр |
9616 |
121 |
1671 |
L1 = 2213 L2 = 21100 L3 = 2200 L4 = 2110 |
S1 = 3х150 S2 = 3х150 S3 = 3х150 S4 = 3х150 |
|
ЦПП-725-ю |
4579 |
4945 |
811 |
L1 = 780 L2 = 795 |
S1 = 3х150 S2 = 3х150 |
|
ЦПП-620-ю |
6512 |
1120 |
1121 |
L1 = 1485 L2 = 1615 L3 = 1515 L4 = 1515 |
S1 = 3х150 S2 = 3х150 S3 = 3х150 S4 = 3х150 |
|
ЦПП-620-с |
3177 |
115 |
445 |
L1 = 1367 L2 = 1400 |
S1 = 3х150 S2 = 3х150 |
|
ЦПП -270 |
1901 |
48 |
250 |
L1 = 840 L2 = 850 |
S1 = 3х120 S2 = 3х120 |
Питание подземных потребителей горизонта –270 (ЦПП –270) осуществляется по вводам №1 и №4, обеспечивая нормальный и аварийный режим.
Питание подземных потребителей горизонта –620 околоствольного двора (ЦПП–620–с) осуществляется по вводам №3 и №6, обеспечивая нормальный, но, не обеспечивая аварийный режим работы.
После компенсации реактивной мощности, питание подземных потребителей по вводам №3 и №6 будет обеспечивать и нормальный, и аварийный режим работы, что наглядно показывает диаграмма для определения числа и сечения стволовых кабелей (ДП.180400.07, рис.10.2).
Питание подземных потребителей ЦПП–центр осуществляется по вводам №2, №5, №9 и №10, обеспечивая нормальный, но, не обеспечивая аварийный режим работы.
Питание подземных потребителей РПП–4–с осуществляется двумя кабельными линиями №48 и №52, обеспечивая нормальный и аварийный режим.
Питание подземных потребителей РПП–3–с осуществляется двумя кабельными линиями №40 и №45, обеспечивая нормальный и аварийный режим.
Питание подземных потребителей РПП–2–с осуществляется двумя кабельными линиями №42 и №46, обеспечивая нормальный и аварийный режим.
Питание подземных потребителей РПП–1–с осуществляется двумя кабельными линиями №36 и №38, обеспечивая нормальный, но не обеспечивая аварийный режим работы.
Питание подземных потребителей ЦПП конвейеризации осуществляется по вводам №7 и №8, обеспечивая нормальный и аварийный режим.

Рис.10.2 Диаграмма для определения числа и сечения стволовых кабелей
Питание подземных потребителей ЦПП–620–ю осуществляется по вводам №1, №2, №3 и №4 (от РУ–6кВ – Вентиляционный ствол №1) обеспечивая нормальный и аварийный режимы работы.
Питание подземных потребителей ЦПП–725–ю осуществляется по кабельным линиям №95 и №96, обеспечивая нормальный и аварийный режим.
Проанализировав существующую схему электроснабжения, определили места наибольшей нагрузки. Ими являются: ЦПП–центр, РПП–1–с, ЦПП–620–ю. А наиболее отдаленным потребителем является ПУПП №55 и №90 (энергопоезд лавы 412–с пласта «Четвертого»).
Для данных потребителей произведем расчет компенсации реактивной мощности при помощи конденсаторных батарей.
Данные для расчета приведены в табл. 10.2
Таблица 10.2
|
Место установки |
Рсум. расч , кВт |
cos |
tg |
||
|
До компенсации |
после компенсации |
до компенсации |
после компенсации |
||
| РПП–4С | 2114 |
0,6 |
0,8 |
1,33 |
0,75 |
| РПП–3С |
3822 |
0,6 |
0,8 |
1,33 |
0,75 |
| РПП–2С |
2192 |
0,6 |
0,8 |
1,33 |
0,75 |
| РПП–1С |
7183 |
0,6 |
0,9 |
1,33 |
0,48 |
|
ЦПП конвейеризации |
4509 |
0,7 |
0,9 |
1,02 |
0,48 |
| ЦПП–центр |
9616 |
0,65 |
0,95 |
1,17 |
0,33 |
| ЦПП-725-ю |
4579 |
0,6 |
0,8 |
1,33 |
0,75 |
| ЦПП–620-ю |
6512 |
0,6 |
0,9 |
1,33 |
0,48 |
|
ЦПП-620-с |
3177 |
0,6 |
0,8 |
1,33 |
0,75 |
|
ЦПП-270 |
1901 |
0,7 |
0,9 |
1,02 |
0,48 |
Информация о cos предоставлена главным энергетиком шахты Комсомольская.
Расчитаем tg (до компенсации) и tg' (после компенсации):

РПП-4С:

РПП-3С:

РПП-2С:

РПП-1С:

ЦПП-конвейеризации:

ЦПП-центр:

ЦПП-725-ю:

ЦПП-620-ю:

ЦПП-620-с:

ЦПП-270:

Результаты вычислений занесем в таблицу.
Рассчитаем мощность компенсирующих устройств для данных ЦПП:
![]()
где Р – суммарная нагрузка ЦПП;
tg – тангенс угла сдвига фаз до компенсации (средневзвешенный годовой);
tg' – тангенс угла сдвига фаз после компенсации (проектный);
РПП-4С:
![]()
РПП-3С:
![]()
РПП-2С:
![]()
РПП-1С:
![]()
ЦПП-конвейеризации:
![]()
ЦПП-центр:
![]()
ЦПП-725-ю:
![]()
ЦПП-620-ю:
![]()
ЦПП-620-с:
![]()
ЦПП-270:
![]()
Расчета мощности компенсаторных установок можно выполнить графическим способом (ДП.180400.07, рис. 10.3).

Рис. 10.3 Номограмма для выбора требуемой мощности компенсирующих устройств
cos1 – до компенсации; cos2 – после компенсации; на пересечении линий данных косинусов опускаем перпендикуляр на ось X, получаем множитель, который необходимо умножить на установленную полную мощность.
Использование промышленных конденсаторных установок в обычном исполнении, в угольных шахтах, запрещено ПБ.
В настоящее время промышленность выпускает конденсаторные установки в РВ исполнении только одной модификации.
Технические данные конденсаторной установки ККУВП:
Номинальное напряжение – 6,3 кВ;
Номинальная мощность (реактивная) – 450 кВА;
Номинальный проходной ток сборных шин обходящих соединений – 460 А;
Главный коммутационный аппарат – РУВН вакуумный;
Конденсаторная установка типа ККУВП в РВ-4В.
Компенсировать полностью реактивную мощность экономически не целесообразно из-за высокой стоимости конденсаторных батарей. Целесообразно компенсировать примерно половину реактивной мощности, а остальное брать из сети.
Рассмотрим компенсацию реактивной мощности на РПП-4С:
Расчетом определили, что нужно скомпенсировать 1200 кВА. Технически возможно скомпенсировать – 900 кВА (2х450).
Предлагаем установить на РПП-4С конденсаторные установки ККУВП в количестве двух штук, по одной на каждый ввод.
РПП-3С необходимо скомпенсировать 2200 кВА, за минусом 900 кВА скомпенсированных на РПП-4С.
Предлагаем установить на РПП-3С конденсаторные установки ККУВП в количестве двух штук, по одной на каждый ввод.
РПП-2С – 1250 кВА. Ставим ККУВП в количестве двух штук, по одной на каждый ввод.
РПП-1С – 6100 кВА, за минусом 2700 кВА. Ставим ККУВП в количестве шести штук, по три на каждый ввод.
ЦПП-конвейеризация – 2435 кВА. Ставим ККУВП в количестве четырех штук, по две на каждый ввод.
ЦПП-центр – 8080 кВА, за минусом 5400 кВА. Ставим ККУВП в количестве четырех штук, по два на каждый ввод.
ЦПП-725-ю – 2655 кВА. Ставим ККУВП в количестве шести штук, по три на каждый ввод (по одной на каждом вводе оставляем в резерве, в виду дальнейшего развития мощностей присоединяемых к ЦПП-725-ю).
ЦПП-620-ю – 5535 кВА, за минусом 2700 кВА. Ставим ККУВП в количестве шести штук, по три на каждый ввод.
ЦПП-620-с – 1840 кВА. Ставим ККУВП в количестве двух штук, по одной на каждый ввод.
ЦПП-270 – 1020 кВА. Ставим ККУВП в количестве двух штук, по одной на каждый ввод.
Для полной компенсации реактивной мощности на шахте Комсомольская необходимо 36 компенсирующих устройств. Полная компенсация реактивной мощности не выгодна как с экономической (см. экономическую часть), так и технической точки зрения.
Предлагаем установить компенсирующие устройства на РПП наиболее удаленные от ГПП, т.к. они разгружают всю шахтную сеть.
Наиболее удаленными являются – РПП-4С, РПП-3С, РПП-2С, ЦПП-725-ю.
Для этого необходимо ККУВП в количестве 12 штук.
Наиболее удаленным потребителем считаем участковую передвижную подземную подстанцию №55 (энергопоезд участка №9). Данные для расчета сведем в таблицу.
|
Место установки |
Рсум. уст , кВт |
Cos |
tg |
||
|
До компенсации |
после компенсации |
до компенсации |
после компенсации |
||
| К/ш 412-с |
630 |
0,6 |
0,8 |
1,33 |
0,75 |

|
Место установки |
Рсум. расч , кВт |
Iф , А |
Lвводн.каб , м |
Sвводн.каб , мм2 |
|
|
Н.Н. |
В.Н. |
||||
|
К/ш 412-с |
812 |
351 |
61 |
L1 = 3223 |
S2 = 3х35 |
![]()
При установке компенсирующего устройства у наиболее удаленного потребителя происходит почти 100% компенсация реактивной мощности, что экономически не целесообразно (большая стоимость компенсирующего устройства не окупится за время работы добычного участка по отработке данной лавы).
В связи с тем, что промышленностью выпускаются конденсаторные установки в РВ исполнении только одной модификации, компенсация реактивной мощности подземных потребителей имеет практически и экономически выгодное только одно решение. Установку компенсирующих устройств на наиболее удаленных РПП.
Полную стоимость БК определим по формуле:
П = Ртр + Цо (11.1)
где Ртр = 15 – расходы на транспортировку, % от оптовой цены;
Ртр = 0,15 71500 = 10725 руб.
Тогда
П = 10725 + 71500 = 82225 руб.
Затраты на амортизацию определим по формуле:
(11.2)
где На = 2,27% – норма амортизационных отчислений в месяц.
Тогда
руб.
Затраты на КБ приведены в таблице 11.1.
Таблица 11.1
Затраты на БК
|
Наименование показателя |
Затраты, руб |
|
Приобретение аппаратуры |
71500 |
|
Затраты на БК |
10725 |
|
Налог на добавочную стоимость |
14300 |
|
Амортизационные отчисления в месяц |
1865 |
|
Амортизационные отчисления на 01.04.200 года |
27975 |
Монтаж БК предлагаем осуществить на действующих РПП. Поэтому затраты на монтаж не учитываются.
Для обслуживания БК электрослесарями подземными принимаем 5 чел/см.
Количество рабочих по разрядам находим из условия:
электрослесарь подземный 5 разряда – до 30%;
электрослесарь подземный 3 и 4 разряда – остальная часть норматива численности рабочих.
Общая нормативная численность электрослесарей подземных 4 и 5 разрядов:
– электрослесарь 5 разряда: 5 0,3 = 1,5 чел/см.
Принимаем 2 чел/см.
– электрослесари 3 и 4 разрядов принимаем соответственно 3 чел/см.
Все параметры режима работы сети зависят от активной и реактивной мощности. Однако если для изменения активной мощности требуется изменять технологический режим работы потребителей энергии, то изменение реактивной мощности достигается более просто – с помощью компенсирующих устройств (КУ), наиболее распространенными из которых являются батареи конденсаторов (БК).
Установка дополнительных БК связана с затратами средств на приобретение, доставку, монтаж и обслуживание как самих БК, так и дополнительного оборудования. Эти затраты приближенно могут быть представлены в виде линейной зависимости от мощности БК:
,
(11.3)
где зК – удельные затраты на БК, руб/квар в год.
Потери мощности и энергии в сети при установке БК снижаются в соответствии с квадратичной зависимостью. Затраты на потери выражаются формулой:
,
(11.4)
где с0 – удельная стоимость потерь, руб/кВт в год; ЗПР и ЗПQ – затраты на потери, обусловленные потоками активной и реактивной мощности, руб/год.
Ввиду того что основную часть затрат на БК производят единовременно (затраты на приобретение, доставку и монтаж оборудования), а снижение потерь происходит в течение всего срока службы БК, единовременные затраты приводят к годовым, умножая на коэффициент нормативной эффективности капиталовложений рн = 0,12. Коэффициент рн означает, что экономически целесообразными считаются капиталовложения, дающие ежегодный эффект не менее 12% их объема (т.е. окупающиеся за срок tок= 100 / 12 8 лет и менее). Так как кроме единовременных затрат на БК необходимо производить ежегодные затраты на их обслуживание, ремонт, отчисления на амортизацию, а также учитывать потери активной мощности в самих БК, годовые удельные приведенные затраты на БК определяют по формуле, руб/квар в год:
,
(11.5)
где ро – нормативы отчислений на обслуживание и ремонт; рА – на амортизацию; КК и КВ –единовременные затраты на приобретение БК и ввод их в действие (приобретение дополнительного оборудования, его доставка и монтаж), руб/квар; ск—стоимость потерь в БК, руб/квар в год.
В соответствии с действующими нормативами ро + ра = 0,1 и формула (11.6) приобретает вид:
(11.7)
где зк.К – составляющая затрат, определяемая стоимостью БК; зв – составляющая затрат, определяемая стоимостью монтажных работ, дополнительного оборудования и его доставки к месту назначения.
Чем больше мощность БК, тем больше затраты на их установку и тем меньше затраты на потери в сети. Целью оптимизационной задачи является определение такой мощности БК, при которой суммарные затраты З = Зк + ЗП принимают возможное наименьшее значение. На рис. 11.1 приведены качественные зависимости Зп, 3К и 3 от мощности Q, передаваемой по сети. При начальной, нескомпенснрованной нагрузке узла Qн затраты на БК Зк = 0, затраты на составляющие потерь соответствуют отрезкам З’пр и 3’ПQ, а суммарные затраты – точке 3’. При снижении Q затраты на БК возрастают линейно, затраты на передачу реактивной мощности снижаются в соответствии с квадратичной зависимостью, а на передачу активной Зпр остаются неизменными. При полной компенсации реактивной нагрузки затраты на БК соответствуют точке З”к, а затраты на потери – точке З’’п = 3’пр. Суммарные затраты вначале снижаются, затем, достигнув точки 0, начинают увеличиваться. В точке 1 они принимают значение, равное 3’, а при полной компенсации 3’’.
Оптимальная (экономическая) мощность БК Qк.э, при которой 3 = 3MIN, соответствует точке 0. Мощность Оэ = QН – QК.Э целесообразно передавать в данный узел от электростанций или других источников реактивной мощности энергосистемы, так как ее компенсация приводит к увеличению суммарных затрат. Для нахождения оптимального решения используют тот факт, что в точке 0 производная d3 / dQ = 0 (касательная к кривой 3 принимает горизонтальное положение). Поэтому для получения оптимального решения необходимо записать аналитическое выражение целевой функции, взять его производную по реактивной мощности, приравнять нулю и из полученного уравнения найти QкЭ и соответствующее ему Qэ.

Рис. 11.1. Зависимость целевой функции и ее составляющих от мощности КУ
Аналитическое выражение целевой функции
(11.8)
где а, b, c – коэффициенты уравнения параболы:
(11.9)
(11.10)
(11.11)
Производная от целевой функции (9.8):
(11.12)
Полученную производную от целевой функции приравняем к нулю:
(11.13)
Тогда
![]()
В сложной сети целевая функция зависит от нагрузок многих узлов, поэтому приходится брать ее частные производные по нагрузке каждого узла и решать систему уравнений, число которых равно числу узлов. В результате получают взаимоувязанные оптимальные значения Qэ для всех узлов.
Расчеты компенсации реактивной мощности в целом по предприятию и по отдельным потребителям после обработки показали, что целесообразней компенсировать 4555% реактивной мощности, а остальное получать из сети.
Электровооруженность труда обеспечивает возможность дальнейшего проведения комплексной механизации и автоматизации, и на основе этого возрастает производительность труда, но нормальная работа горного предприятия зависит от качественного электроснабжения.
При качественном электроснабжении паспортные характеристики горных машин практически не отличаются от номинальных, что было установлено в комплексной работе.
На качество электроснабжения токоприемников шахты ''Комсомольская'' большое влияние оказывает коэффициент мощности, повысив его разгрузим шахтную сеть и улучшим работу электроприемников.
Принятые решения в комплексной работе отвечают требованиям правил техники безопасности.
1. Информация. Шахта «Комсомольская» п/о «Воркутауголь». Общие сведения. а) отдел главного энергетика, б) маркшейдерский отдел, в) технический отдел, г) отдел главного механика, д) участок ВТБ, е) участки №6, №9, №10, ж) участок ''подъем'', з) экономический отдел.
2. metronad@komi.com – стандарт РК;
3. e-mail@Russia_on-lain.com – энергия РК;
4. e-mail@IJP.com – IJP-механизация;
5. www.rgantd.saminfo.ru/123_08.phtml – Уральская горная академия;
6. Правила составления и оформления пояснительной записки”: Методические указания / (Сост.: И. Е. Ефимов, Г.И. Коломоец), 3-е изд., перераб. и доп. – Воркута: РИО ВГИ СПбГИ(ТУ), 1997.—25с.
7. ''Правила безопасности в угольных шахтах'': –Самара, Самарский дом печати, 1995. – 292 с.
8. ''Инструкция по безопасному ведению горных работ на пластах, склонных к внезапным выбросам угля, породы и газа'' (М., РД 05 – 350 – 00 2000 г.)
9. ''Инструкция по безопасному ведению горных работ на шахтах, разрабатывающих пласты, опасные по горным ударам''(М, РД – 05 – 328 – 99 2000 г.).
10. ''Горные машины и оборудование'': учебное пособие Санкт-Петербургский горный институт. Составитель В. В. Габов. Л, 1994г.
11. Транспортные машины и комплексы. Расчет ленточных конвейеров: Методические указания / Санкт-Петербургский горный институт; Сост. К. А. Васильев. СПб, 1995,
12. Программа расчета ленточных конвейеров Сост. К. А. Васильев. СПб, 1995.
13. Найденеко И. С., Белый В. Д. Шахтные многоканатные подъемные установки Изд. 2, перераб. и доп. М., Недра, 1979,
14. Электрооборудование на 1140 В для угольных машин и комплексов Е. С. Траубе и др. Под ред Е.С.Траубе. – М.: Недра, 1991..
15. Сафохин М.С. и др. Горные машины и оборудование. М., Недра, 1995
16. Рекламные проспекты АО «Гипроуглемаш»
17. Гетопанов В.Н. Проектирование и надежность средств комплексной механизации. Учебник для вузов. М., Недра, 1986
18. Солод В.И. и др. Проектирование и надежность средств комплексной механизации. Учебник для вузов. М., Недра, 1982
19. Григорьев В. Н., Дьяков В. А., Пухов Ю. С. Транспортные машины для подземных разработок. Учебник для вузов. 2-е изд., перераб. и доп. – М., Недра, 1984, 383с.
20. Зеленский О. В., Петров А. С. Справочник по проектированию ленточных конвейеров. – М.: Недра, 1986. – 223 с.
21. Татаренко А. М., Максецкий И. П. Рудничный транспорт: Учеб. для техникумов. – 2-е изд., перераб. и доп. – М.: Недра, 1990. – 318 с.: ил.
22. Транспортные машины и комплексы. Расчет ленточных конвейеров. Методические указания для курсового и дипломного проектирования для студентов специальностей 1705, 0202, 0206, 0209, 0210, 0402, 0603, 0634. Ленинград, 1985.
23. Электропривод и электрификация подземных горных работ: учебник для вузов/ В.И. Щуцский, Ю.Д. Глухарев, А.К. Малиновский. М., Недра, 1981 – 319 с.
24. Андреев В.П., Сабинин Ю.А. Основы электропривода: учеб. для ВУЗов. –М. ГосЭнергоИздат., 1993. – 722 с.
25. Башарин А.В., Голубев Ф.Н., Кепперман В.Г. Примеры расчета автоматизированного электропривода: учеб. для ВУЗов. –С-П, Элегия., 1998. – 440 с.
26. Бутаев Ф.И., Эттингер Е.Л. Вентильный электропривод: мет. пособие, С-П электротехнический университет. –С-П, 2000. – 272 с.
27. Каганов И.Л. Электронные и ионные преобразователи, ч.3: учеб. для ВУЗов. –М. ГосЭнергоИздат., 1993. – 528 с.
28. Шубенко В.А., Браславский И.Я. Тиристорный асинхронный электропривод с фазовым управлением: учеб для ВУЗов. –М. Элегия., 1993. – 543 с.
29. Костенко М.П. Электрические машины: учебники для ВУЗов. –М. Энергоиздат., 1985. – том I (общая часть) – 342 с, том II (спец. часть) – 513 с.
30. Нормы технического проектирования угольных и сланцевых шахт. ВНТП-1-86/ Минуглепром СССР. М.: Недра, 1986.
31. Борисенко К.С., Боруменский А.Г., Дулин В.С. Горная механика. М.:
32. Смородин С.С., Верстаков Г.В. Шахтные стационарные машины и установки. М.: Недра, 1975.
33. Умнов А.Е. Охрана труда в горнорудной промышленности. М.: Недра, 1979.
34. С.Т. Усатенко, Т.К. Каченюк, М.В. Терехова Выполнение электрических схем по ЕСКД: Справочник. – М.: Издательство стандартов, 1989. – 325 с.