реферат
Главная

Рефераты по биологии

Рефераты по экономике

Рефераты по москвоведению

Рефераты по экологии

Краткое содержание произведений

Рефераты по физкультуре и спорту

Топики по английскому языку

Рефераты по математике

Рефераты по музыке

Остальные рефераты

Рефераты по авиации и космонавтике

Рефераты по административному праву

Рефераты по безопасности жизнедеятельности

Рефераты по арбитражному процессу

Рефераты по архитектуре

Рефераты по астрономии

Рефераты по банковскому делу

Рефераты по биржевому делу

Рефераты по ботанике и сельскому хозяйству

Рефераты по бухгалтерскому учету и аудиту

Рефераты по валютным отношениям

Рефераты по ветеринарии

Рефераты для военной кафедры

Рефераты по географии

Рефераты по геодезии

Рефераты по геологии

Реферат: Ткачество

Реферат: Ткачество

Кинематический расчёт.


По кинематической схеме машины МШБ-9/140 сделан расчёт при частоте вращения вала электродвигателя 1700 об/мин и при передаточном числе передаточных механизмов 1,116 и 3,15.

Определение частоты вращения и окружной скорости рабочих органов машины.

Расчёт частоты вращения (об/мин) и линейной скорости (м/мин) первого тянульного вала:

где – диаметр тянульных валов, м.

Расчёт частоты вращения (об/мин) и линейной скорости (м/мин) отжимных валов:

где – диаметр отжимных валов, м.

Расчёт частоты вращения (об/мин) и линейной скорости (м/мин) сушильных барабанов:

где – диаметр сушильных барабанов, м.

Расчёт частоты вращения (об/мин) и линейной скорости (м/мин) второго тянульного вала:

Расчёт частоты вращения (об/мин) и линейной скорости (м/мин) выпускного вала:

где – диаметр выпускного вала, м.

Определение вытяжек.

Частные вытяжки устанавливают при помощи уравнительных механизмов.

Частная вытяжка в зоне первый тянульный вал – отжимные валы:

%


Частная вытяжка в зоне отжимные валы – сушильный барабан:

%

Частная вытяжка в зоне сушильный барабан – второй тянульный вал:

%

Частная вытяжка в зоне второй тянульный вал – выпускной вал:

%

Общая вытяжка:

Расчёт уравнительного механизма.

Передаточное отношение уравнительного механизма определяется по формуле:

где – частота вращения ведущего вала

об/мин

– частота вращения ведомого вала

об/мин

об/мин

где – передаточное отношение планетарного механизма

– частота вращения оси 2 и солнечной шестерни

об/мин

об/мин

где и – максимальная и минимальная частота вращения вала вариатора

об/мин

об/мин

где – передаточное отношение цепного вариатора =4,5


Диапазон регулирования уравнительного механизма (%) можно определить по формуле:

где


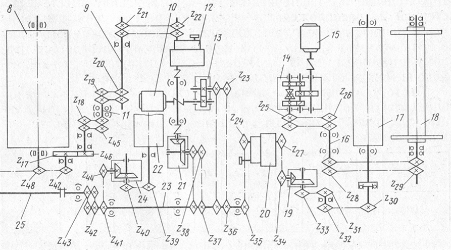
Кинематическая схема шлихтовальной машины МШБ-9/140



Технологическая схема шлихтовальной барабанной машины МШБ-9/140



Барабанная машина МШБ-9/140.


Шлихтовальная барабанная машина предназначена для шлихтования хлопчатобумажной, вискозной штапельной и льняной основной пряжи, а также пряжи из смесей хлопкового и льня­ного волокон с химическими.

Основные нити, сматываясь со сновальных валов 1, соединяются на стойке 2, огибают на­правляющие ролики 3 площадки обслуживания 4, проходят направляющий ролик 5, ролик-дат­чик натяжения основы 6 и огибают мерильный вал 7. Пряжа со сновальных валов 1 сматывается под определённым натяжением тянульным валом 8. Тянульный вал имеет принудительный привод от мажорного вала с помощью цепной передачи и обеспечивает подачу основы в кле­ильный аппарат с минимальным натяжением. Малое натяжение основы обеспечивается уравни­тельным механизмом УМ-3, установленным между отжимными и тянульными валами. Мини­мальное натяжение основы способствует лучшему пропитыванию нитей основы шлихтой. Ос­нова после тянульного вала огибает направляющий ролик 9 и погружающим роликом (воробой) 10 опускается в шлихтовальный раствор.

После погружения в шлихту основа проходит между двумя парами отжимных валов 11, по­лучающих движение от мажорного вала машины через цепную передачу. Далее основа, огибая направляющий ролик 12, направляется на сушильные барабаны 18, которые приводятся в дви­жение от двигателя мажорного вала через цепные передачи.

После сушильных барабанов основа огибает направляющий ролик 14, выходит из-под шатра, огибает направляющий ролик 15, направляется двумя роликами 16, расположенными под площадкой обслуживания 17, огибает ролик18, ролик-датчик 19, ролик 20 и поступает на второй тянульный вал 21. Второй тянульный вал 21 разделяет зону вытягивания сушильные ба­рабаны – выпускной вал на две: сушильные барабаны – второй тянульный вал и второй тянуль­ный вал – выпускной вал (две частные вытяжки). Такое конструктивное решение позволило ре­гулировать натяжение основы на небольших участках шлихтовальной машины. Второй тянуль­ный вал обрезинен и вместе с двумя роликами 20 и 22, которые увеличивают угол обхвата по­верхности тянульного вала основой, представляет тянульную установку.

Далее основа огибает ролик 22, разделяется ценовыми прутками 23 в горизонтальном на­правлении, проходит зигзагообразный рядок 24, огибает мерильный вал 25, выпускной вал 26, ролик-датчик 27, рассеивающий ролик 28 и навивается на ткацкий навой 29.

На машине установлено четыре уравнительных механизма, с помощью которых можно ре­гулировать натяжение основы, а следовательно, и вытяжку пряжи. Один механизм УМ-3 распо­ложен под клеильным аппаратом машины и регулирует натяжение основы на участке первый тянульный вал – отжимные валы. Второй механизм, расположенный у клеильного аппарата, ре­гулирует натяжение основы на участке отжимные валы – сушильные барабаны. Третий меха­низм расположен под ценовым полем выпускной части и регулирует натяжение основы на уча­стке сушильные барабаны – второй тянульный вал. Четвертый уравнительный механизм, рас­положенный у выпускной части машины, регулирует натяжение пряжи в ценовом поле на уча­стке второй тянульный вал – выпускной вал.


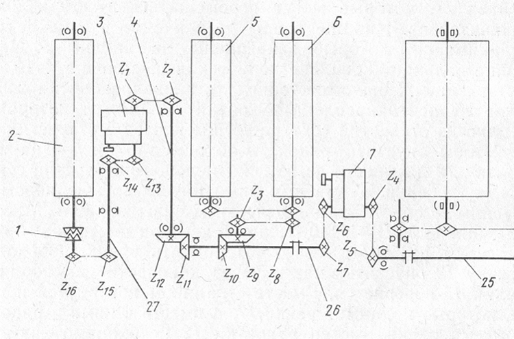
Партионная сновальная машина.


Партионная сновальная машина предназначена для снования пряжи с бобин на сновальные валы при большой скорости. По сравнению со снованием на ленточных машинах при сновании на партионных машинах обеспечивается большая равномерность натяжения основных нитей, лучшая форма и строение навоя, сокращаются затраты труда и снижается стоимость обработки в ткачестве.

Нити с бобин 1, расположенных на сновальной рамке 2, проходят между двумя направляю­щими прутками 3 и через рядок 4, огибают мерильный валик 5 и навиваются на сновальный вал 6, который получает движение от электродвигателя 7 через клиноременную передачу 8. Уплот­нение основных нитей осуществляется укатывающим валом 9. Рядок 4, распределяя равно­мерно основные нити между фланцами сновального вала, позволяет навивать основные нити параллельно друг другу.

Кинематическая схема машины. От электродвигателя 5 постоянного тока клиноременной передачей движение передается сновальному валу 2. Укатывающий валик получает движение благодаря трению о сновальный вал. Сновальный вал располагается между пинолями 9 и 4, ко­торые при закреплении сновального вала или перед его съемом могут получить движение в осевом направлении от электродвигателя 3. Движение от электродвигателя к пинолям переда­ется посредством червячных передач, зубчатых передач и червячно-винтовых передач. Пиноли соединяются со сновальным валом с помощью шипов на концах пинолей и соответствующих пазов в муфтах дисков сновального вала. Зажим и разъединение пинолей со сновальным вали­ком производится до пробуксовки муфты на валу электродвигателя 3.

От мерильного вала 7 движение передается зубчатыми передачами тахогенератору 6 и деся­тичному счетчику 8.

Рядок совершает возвратно-поступательное движение на определенное расстояние, что обеспечивает рассеивание витков пряжи на сновальном вале, предотвращая врезание их в ниж­ние слои и способствуя получению правильной цилиндрической намотки.

Возвратно-поступательное движение рядку передается от механизма вращения сновального вала с помощью червячной передачи и кривошипно-шатунной передачи угловому рычагу, ко­торый и сообщает движение рядку.

Механизм съема наработанного сновального вала и подачи к пинолям пустого приводится в действие от реверсивного электродвигателя 1 с помощью червячной пары, однозаходного чер­вяка, который поворачивает зубчатый сектор, находящийся на валу 10. Электродвигатель 1 включается с помощью одной из двух кнопок: под действием одной из них производится подъем пустого вала, под действием другой – опускание полного сновального вала.

На машине имеется механизм поддерживания постоянства линейной скорости снования по мере увеличения диаметра намотки сновального вала. Это осуществляется при помощи тахоге­нератора. При незначительном увеличении диаметра намотки основы на сновальном вале, есте­ственно, увеличивается линейная скорость нитей, а так как мерильный вал вращается за счет трения о него нитей то и его частота вращения увеличивается. На одном валу с мерильным ва­ликом находится тахогенератор. Он соединен с электродвигателем 5. Электрический ток, выра­батываемый тахогенератором, увеличивается; проходя через магнитный усилитель, он размаг­ничивает усилитель пропорционально силе тока. Так как мощность электродвигателя 5 посто­янна, это приводит к уменьшению напряжения, подаваемого на обмотку электродвигателя и снижению частоты вращения шкива электродвигателя. Причем уменьшение частоты вращения шкива электродвигателя происходит пропорционально увеличению диаметра намотки сноваль­ного вала. Таким образом, при увеличении диаметра намотки основы на сновальный вал его частота вращения уменьшается, за счет чего обеспечивается постоянство линейной скорости снования. Однако при работе машины все же наблюдаются отклонения от постоянства линей­ной скорости из-за нечёткой работы механизмов машины. Скорость снования устанавливается с помощью рукоятки переменного сопротивления. Машина оснащена стрелочным указателем скорости снования.

От мерильного вала 7 при помощи трехступенчатой зубчатой передачи движение передается десятичному счетчику длины снования. Счетчик рассчитан на максимальную длину основы 100000 м.

Длина нити измеряется механическим путем – счетчиком, связанным с измерительным ва­лом, вращающимся за счёт трения о движущиеся нити. В процессе снования, особенно при пуске и останове машины, наблюдается проскальзывание нитей по поверхности мерильного вала, вследствие чего возникает разница между фактической длиной нитей, навитых на сно­вальный вал, и показанием счетчика. Это увеличивает выход мягких концов в шлихтовании и формирование неполных основ при доработке партии. Особенно эта неточность работы сно­вальных машин очевидна при изготовлении основ с просновками. При наматывании на сно­вальный вал пряжи установленной длины машина автоматически выключается.


Кинематический расчёт.


Максимальная частота вращения сновального вала:

где – скорость снования, м/мин;

– диаметр ствола сновального вала, =0,24 м;

– частота вращения сновального вала, об/мин.

об/мин

Частота вращения вала электродвигателя для привода сновального вала:

об/мин

где 0,98 – коэффициент проскальзывания клиноременной передачи.

Чтобы установить закон изменения частоты вращения сновального вала в зависимости от диаметра намотки , предварительно построим график .

мм,

мм,

мм,

мм,

мм.

Определим частоту вращения вала для всех вариантов:

;

где – скорость снования, м/мин

об/мин; об/мин; об/мин;

об/мин; об/мин.

Производительность партионной сновальной машины (кг/ч):

кг/ч

где – число нитей на сновальном вале;

– линейная плотность пряжи, текс;

– коэффициент полезного времени, =0,35-0,5.


Шпулярник партионной сновальной машины.


Определяем количество сновальных валиков:

Определяем число нитей на каждом сновальном валике:

Определяем количество повторений частного раппорта на всех сновальных валиках:

Определяем количество повторений частного раппорта на одном сновальном валике:

Раппорт цвета в ткани Число нитей на сновальном валике
1 2 3 4 5 6 7 8 9 10 11 Σ

зелёный

3 3 3 3 3 3 3 3 3 3 3 33

красный

1 1 1 1 1 1 1 1 1 1 1 11

жёлтый

4 4 4 4 4 4 4 4 4 4 4 44

чёрный

1 1 1 1 1 1 1 1 1 1 1 11

8 7 6 5 4 3 2 1
1 2 3 4 5 6 7 8

з

ж

ч

з

ч

з

ж

ч

з

к

ж

з

ж

з

к

ж

з

ж

ж

з

ж

з

ж

ж

з

ж

ж

з

ж

з

ж

ж

з

к

ж

з

ж

з

к

ж

з

ж

ч

з

ч

з

ж

ч

ч

з

ж

ч

ж

ч

з

ж

к

ж

з

к

з

к

ж

з

ж

з

ж

ж

ж

ж

з

ж

ж

ж

з

ж

з

ж

ж

з

ж

з

к

ж

к

ж

з

к

ж

ч

з

ж

з

ж

ч

з

ж

ч

з

ж

з

ж

ч

з

ж

з

к

ж

к

ж

з

к

ж

ж

з

ж

з

ж

ж

з

ж

з

ж

ж

ж

ж

з

ж

к

ж

з

к

з

к

ж

з

ч

з

ж

ч

ж

ч

з

ж

з

ж

ч

з

ч

з

ж

ч

з

к

ж

з

ж

з

к

ж

з

ж

ж

з

ж

з

ж

ж

з

ж

ж

з

ж

з

ж

ж

з

к

ж

з

ж

з

к

ж

з

ж

ч

з

ч

з

ж

ч

КР

з

ж

ч

ж

ч

з

ж

к

ж

з

к

з

к

ж

КР
КР

з

ж

ж

ж

ж

з

ж

ж

ж

з

ж

з

ж

ж

КР

з

к

ж

к

ж

з

к

ж

ч

з

ж

з

ж

ч



ч

з

ж

з

ж

ч

з

ж

з

к

ж

к

ж

з



ж

з

ж

з

ж

ж

з

ж

з

ж

ж

ж

ж

з



ж

з

к

з

к

ж

з

ч

з

ж

ч

ж

ч

з



ж

ч

з

ч

з

ж

ч

з

к

ж

з

ж

з

к



ж

ж

з

ж

з

ж

ж

з

ж

ж

з

ж

з

ж



к

ж

з

ж

з

к

ж

з

ж

ч

з

ч

з

ж



з

ж

ч

ж

ч

з

ж

к

ж

з

к

з

к

ж



з

ж

ж

ж

ж

з

ж

ж

ж

з

ж

з

ж

ж



з

к

ж

к

ж

з

к

ж

ч

з

ж

з

ж

ч



Фрагмент раппорта узора.






Кинематическая схема партионной сновальной машины СП-140.



Технологическая схема машины СЛ-250-Ш.



Ленточная сновальная машина.


Машина СЛ-250-Ш предназначена для ленточного снования шерстяной и хлопчатобумаж­ной пряжи с конических бобин крестовой намотки с последующим перевиванием нитей на ткацкий навой.

Нити основы, сходящие с конических бобин 1, неподвижно установленных на бобинодержа­телях завозных секций сновальной рамки 2, проходят через натяжные приспособления – тор­мозки 3, закрепленные на стойках сновальной рамки, а затем через контактные крючки 4 меха­низма контроля наличия нитей, размещенного в передней части сновальной рамки по обеим её сторонам. По выходе из сновальной рамки нити основы проходят через направляющие валы 5, делительный рядок 6, рядок суппорта 7, огибают мерильный вал 8 и направляющие валы 9 и наматываются на сновальный барабан 10.

Благодаря применению в сновальной рамке завозных секций сокращаются затраты времени на операцию перезаправки бобин. Поле того как бобины срабатываются, нити между бобинами и нитенатяжителями обрывают, завозные секции выдвигают по рельсам из сновальной рамки, а на их место завозят запасные секции с установленными заранее бобинами. Таким образом, пе­резаправка машины сводится к смене секций и связыванию концов нитей основы.

Натяжные приспособления служат для создания необходимого натяжения нитей при нави­вании их на сновальный барабан.

Механизм контроля нитей электрического действия осуществляет автоматический останов машины в случае обрыва одной или нескольких нитей.

Делительный рядок является направляющим органом и одновременно разделяет нити на группы для прокладки между ними делительных шнурков (цен). В связи с этим в делительном рядке сделана пропайка зубьев и, кроме того, он снабжен подъемным устройством.

Рядок суппорта служит для равномерного распределения нитей по ширине ленты и смеще­ния ленты вдоль образующей сновального барабана во время наматывания ее на барабан.

Мерильный вал соединен с десятичным счетчиком зубчатой передачей. При наработке пер­вой ленты (в начале снования) включается десятичный счетчик и одновременно с ним – счетчик числа оборотов сновального барабана. В конце наработки первой ленты счетчик числа оборотов сновального барабана приводит в действие механизм останова машины. Остальные ленты сну­ются по показаниям только этого счетчика. Благодаря наличию двух счетчиков обеспечивается возможность наматывания лент одинаковой длины. При работе с одним счетчиком получить все ленты одинаковой длины невозможно вследствие разной величины скольжения нитей по мерильному валу и различного числа случаев пуска и останова машины при наработке лент.

Делительный рядок 6, рядок суппорта 7, мерильный вал 8 с десятичным счетчиком и на­правляющие валы 9 закреплены на столике механизма суппорта 11. При навивании ленты сто­лик механизма суппорта 11 со всеми деталями, закрепленными на нём, посредством ходового винта 12 равномерно перемещается вдоль направляющих 13, благодаря чему обеспечивается соответствующее смещение слоев ленты и создается правильная форма её сечения. В зависимо­сти от линейной плотности пряжи и плотности ленты величина скорости перемещения суп­порта изменяется.

Периметр сновального барабана 10 равен 4 м. При своём вращении барабан сообщает пряже принудительное поступательное движение. Сновальный барабан вращается также принуди­тельно от отдельного привода.

Когда на сновальный барабан будет навито заданное число лент, необходимое для образова­ния одной основы, ленты перевивают на ткацкий навой.

Для выполнения этой операции на машине имеется перевивочный станок 16, представляю­щий собой вторую половину сновальной машины. В процессе перевивки нити сматываются со сновального барабана 10 и, пройдя через направляющие валы 14, навиваются на ткацкий павой 15. Направляющие валы 14 служат для направления основы на ткацкий навой и являются до­полнительной зоной для создания натяжения нитей. В основном заданная величина натяжения нитей основы при перевивке их на ткацкий навой создаётся путем торможения сновального ба­рабана 10 колодочным тормозом.

В процессе перевивки основы на ткацкий навой перевивочный станок 16 равномерно пере­мещается вдоль барабана под действием ходового винта. Это перемещение по величине равно перемещению суппорта, но направлено в противоположную сторону. Перемещение перевивоч­ного станка необходимо для правильной укладки нитей основы относительно фланцев ткацкого навоя. Ткацкий навой вращается от отдельного привода.


Шпулярник ленточной сновальной машины.


Определяем количество лент:

Определяем число нитей в каждой ленте:

Определяем количество повторений раппорта на всех лентах:

Определяем количество повторений раппорта в одной ленте:

Число нитей в каждой ленте:


Количество лент:

полных лент, а 14-я лента с одним раппортом равным 99.

Раппорт цвета в ткани Число нитей на сновальном валике
1 2 3 4 5 6 7 8 9 10 11 Σ

зелёный

3 3 3 3 3 3 3 3 3 3 3 33

красный

1 1 1 1 1 1 1 1 1 1 1 11

жёлтый

4 4 4 4 4 4 4 4 4 4 4 44

чёрный

1 1 1 1 1 1 1 1 1 1 1 11

8 7 6 5 4 3 2 1
1 2 3 4 5 6 7 8



з

з

ж

ж

ч

з

з

ж

ж

ч







з

з

ж

ж

ч

з

з

ж

ж

ч







з

з

ж

ж

ч

з

з

ж

ж

ч








з

ж

ж

ч

з

з

ж

ж









з

ж

ж

ч

з

з

ж

ж









з

ж

ж

ч

з

з

ж

ж









з

ж

ж

ч

з

з

ж

ж









з

к

ж

ч

з

з

ж

ж









з

к

ж

ч

з

з

ж

ж









з

к

ж

ч

з

к

ж

ж









з

к

ж

ч

з

к

ж

ж









з

к

ж

ж

з

к

ж

ж









з

к

ж

ж

з

к

ж

ж









з

к

ж

ж

з

к

ж

ж









з

к

ж

ж

з

к

ж

ж









з

к

ж

ж

з

к

ж

ж









з

к

ж

ж

з

к

ж

ч









з

к

ж

ж

з

к

ж

ч









з

з

ж

ж

з

к

ж

ч









з

з

ж

ж

з

к

ж

ч









з

з

ж

ж

з

ж

ж

ч









з

з

ж

ж

з

ж

ж

ч









з

з

ж

ж

з

ж

ж

ч









з

з

ж

ж

з

ж

ж

ч






Технологическая схема партионной сновальной машины СП-140.



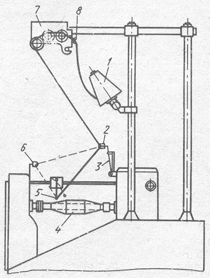
Процесс перематывания.


На шпуледержателе 7 ус­та­новлен прядильный поча­ток 6. Сматываемая с початка нить про­ходит направляю­щий пруток 5, натяжной при­бор 4, кон­трольно-очисти­тельный прибор 3, ните­води­тель 9 и наматыва­ется на мо­тальную паковку 10.

Для перематывания пряжи с мотка 2 его натя­ги­вают на спе­циальный держа­тель 1. Функ­цию на­тяжного устройства вы­полняет груз 11, который с по­мощью хо­мутика надет на сту­пицу мо­товила. В процессе пе­рема­тывания пряжи моток вра­ща­ется вместе с мотовилом. Нить с мотка огибает пруток 8, проходит контрольно-очи­сти­тельный прибор, ните­во­дитель и наматывается на мотальную па­ковку 10.

Пруток 5 является бал­ло­ноо­граничителем и предна­значен для улучше­ния усло­вий сматы­ва­ния нити с пря­дильного по­чатка. Натяжной прибор создает необходимое на­тяжение нити в зоне нама­тывания. Контрольно-очи­стительный прибор кон­тро­лирует пряжу по тол­щине и очищает её от сора и пуха. Ни­теводитель со­общает нити воз­вратно-поступательное движе­ние вдоль оси мотальной па­ковки. Мотальная паковка получает принудительное вращательное движение и вследствие этого наматы­вает на себя нить.

Мотальная машина М-150-2.


Все механизмы приводятся в движение от двух электродвигателей 1 мощностью 4,0 кВт ка­ждый и среднего электродвигателя 2 мощностью 0,6 кВт. Электродвигатели 1 приводят в дви­жение мотальные валы 4 и мотальные барабанчики 6, а электродвигатель 2 – эксцентриковые валы 8 для механизма электропрерывателя, ленточный транспортер 5 для доставки освободив­шихся от пряжи пустых патронов в ящики. Кулачковая муфта 7 служит для выключения меха­низма самоостанова и мотальных барабанчиков 6 при проведении чистки и обмашки одной сто­роны машины.

Частоту вращения мотальных барабанчиков 6 можно изменить с помощью вариатора скоро­сти 3 и проконтролировать тахометром, который установлен сбоку машины.


Расчёт мотальной машины М-150-2.


Определяем натяжение при перематывании (8-10% от разрывной нагрузки):

сН

Определяем диаметр контрольно-очистительной шпули для х/б пряжи, если линейная плот­ность Т=32 текс.

мм

где – коэффициент, характеризующий волокнистый состав нити ;

– линейная плотность нити

мм


Кинематическая схема мотальной машины М-150-2.



Мотальный автомат АМК-150-3.


В состав мотальной головки 1 входит мотальный барабанчик 23, получающий движение от индивидуального электродвигателя 20 с помощью клиноременной передачи 30. Диаметр мо­тального барабанчика у малого торца бобины 90 мм, у большого 100 мм, длина 173 мм. Изме­нение линейной скорости перематывания осуществляется перестановкой ремня барабанчика в одно из четырех положений коробки передач привода. Нить 3, сматываясь с початка 2, прохо­дит через баллоноограничитель 4, зажимное устройство 6, нитенатяжитель10, нитеочиститель 35 со шкалой 34, крючок 16 самоостанова при обрыве нити и наматывается мотальным бара­банчиком 23 на бобину 24, находящуюся на бобинодержателе 28.

Баллоноограничитель 4 служит для уменьшения натяжения нити при перематывании и ко­личества слетов нити с початка 2. Расстояние между вершиной прядильного початка 2 и балло­ноограничителем регулируется посредством передвижения его в пазах кронштейна 5 и устанав­ливается равным 70 мм.

Зажимное устройство служит для предотвращения выпадания из баллоноограничителя 4 оборванного конца нити. При обрыве нити от крючка 16 самоостанова включается электромаг­нит 9 и своим сердечником притягивает плоскую пружину 8, которая перекрывает щель, при­жимая нить к упору 7. Чёткость работы механизма зажима нити проверяют в подготовительных операциях перед пуском машины в работу. С этой целью включают главный выключатель си­ловой станции автомата и выключатель 33 на дверце 36 мотальной головки.

Нитенатяжитель предназначен для регулирования натяжения нити в процессе перематыва­ния и создания определенной плотности намотки пряжи на бобине. Натяжение движущейся нити создается за счёт воздействия подвижных пальцев 11, закрепленных на рычаге 43 нитена­тяжителя, относительно неподвижных элементов нитенатяжителя 10. Натяжение нити регули­руется смещением грузов 39 на рычаге 38.

Для уменьшения колебаний подвижных пальцев 11 и снижения дополнительных динамиче­ских нагрузок на нить имеется масляный амортизатор, состоящий из цилиндра 42, заполнен­ного маслом, поршня 41, укрепленного на штоке 40, и рычагов 37 и 43.

Плотность намотки пряжи на бобине 24 зависит также от давления бобины на мотальный барабанчик 23. Силу прижима бобины можно регулировать двумя грузами 25 на бобинодержа­теле и положением конца пружины 17 на толкателе 18.


Технологическая схема мотального автомата АМК-150-3.



Мотальный автомат Аутосук (ЧСФР).


Каждая мотальная головка мотального Аутосук имеет магазин 3 для четырёх початков. При дорабатывании рабочий початок автоматически снимается с початкодержателя 1 и отправля­ется на конвейер, а из магазина 3 по направляющему лотку устанавливается запасной початок 2. Нить, сматываясь с початка, поступает в баллоноограничитель 4 пруткового типа. Баллоноо­граничитель устанавливается на расстоянии 35-40 мм от конца патрона, и его можно использо­вать при перематывании нитей с левой и правой круткой. Затем нить попадает в пред варитель­ный чиститель 5, предназначенный для задержания слетов и больших прядильных пороков. Если эти пороки не устранить, то попадание их в контрольный прибор приведет к отказу авто­матики при включении автоматического цикла. Разводка предварительного чистителя устанав­ливается равной 3-4 диаметрам нити.

Далее нить попадает в гребенчатый нитенатяжитель 9, имеющий сменные грузовые шайбы, и контрольную щель 13 с метрической шкалой для установки необходимой разводки. Между предварительным чистителем 5 и нитенатяжителем имеются контрольная вилочка 6 для кон­троля наличия нити в нижней зоне автомата, сопло 7 подвижного отсоса для обнаружения, удержания и передачи оборванного конца нити с прядильного початка к узловязателю 8 и не­подвижное сопло 11, улавливающее нить при ее обрыве в верхней зоне.

Затем нить проходит между лезвиями ножниц 12 и через щуп 14, контролирующий наличие нити. В этой же зоне установлено сопло 10 неподвижного подсоса, удерживающее концы ни­тей, идущих от запасных прядильных початков, которые находятся в магазине.

Для парафинирования твердым парафином пряжи, используемой в трикотажном производ­стве, установлен парафинер 15. Мотальным барабанчиком 16 пряжа наматывается на кониче­ский патрон, образуя бобину 19. Если на барабанчик 16 наматывается пряжа в виде жгута, то срезка его осуществляется ножом 17. Бобина удерживается приклоном 21, имеющим на перед­них концах два зажима. Приклон можно устанавливать под различным углом относительно оси О1 для установки цилиндрического или конусного патрона. При увеличении диаметра бобины приклон 21 поворачивается относительно оси О2 вверх и через тягу 23, стержень 26 перемещает поршень 28 в гидравлическом цилиндре 31.

Приклон мотальной головки оснащен компенсирующим устройством, позволяющим под­держивать постоянную плотность намотки на бобине и состоящим из планки 22, двуплечего рычага 24, вращающегося на оси О3, крючка подвески 25, в которую ввернут регулировочный винт 27 с пружиной 30. Опытным путем определяют необходимое натяжение пружины, при ко­тором плотность намотки соответствует заданной.

Координация работы всех механизмов мотальной головки осуществляется с помощью 17 кулачков, закрепленных на кулачковом валу 34. Автоматическое отыскание конца нити на бо­бине 19 осуществляется за счет обратного (реверсивного) вращения бобины роликом 29 от главного вала 33 после торможения фрикционом мотального барабанчика 16, который приво­дится в движение клиноременной передачей от электродвигателя 32. Барабанчик совершает в обратном направлении 6-7 оборотов, что соответствует отмотанной длине нити 1-1,5 м. Одно­временно соплом 18 пневмосистемы конец нити транспортируется к узловязателю 8 типа URA-4 – URA-7 (цифры 4 и 7 указывают длину в миллиметрах концов нитей в узле после связыва­ния).

Процесс связывания узла происходит за 230° поворота кулачкового вала, что по времени со­ответствует 4 с, а весь процесс образования узла совершается за 10,8-16,8 с в зависимости от места обрыва нити. Если обрыв нити произошел в верхней зоне контрольного прибора, конец улавливается соплом 11 и контрольная вилочка 6 не передает сигнала на смену початка. Сопло 10 удерживает нити с запасных початков, а подвижное сопло 7 подает нить в зону узловязателя в случае, если первая попытка связывания прошла неудачно.

Если перематываемая нить оборвалась в нижней зоне или сработался початок, контрольная вилочка 6 действует на рычаг, который включает механизм смены початка.

Початок соскальзывает с початкодержателя 1 и попадает на транспортер автомата, а полная паковка из магазина поступает на початкодержатель, и связывание возобновляется. Если при второй попытке узел не образуется, электродвигатель выключается и загорается сигнальная лампочка на панели управления автоматом. Тогда устранить неполадку нужно вручную, т.е. за­править нить, ввести ручкой 20 бобину 19 в соприкосновение с барабанчиком 16 и включить головку.


Технологическая схема мотального автомата Аутосук (ЧСФР).



СПИСОК ЛИТЕРАТУРЫ


  1. 677.054.А84 П.Н.Арнаутов и др. «Ткацкие автоматические станки СТБ». М. Лёгкая индуст­рия 1973г. 216 стр.

  2. 677.054.К89 А.В.Кулигин «Автоматический ткацкий станок АТ-100-5М». Гиэлегпром 1958г. 266 стр.

  3. 677.024.С90 А.А.Мартынова, Л.Ф.Суринина «Технология и оборудование ткацкого произ­водства». М. Лёгкая и пищевая промышленность 1981г. 231 стр.

  4. 677.054.Е92 С.М.Ефремов «Автоматические ткацкие станки». М. Лёгкая индустрия 1975г.

  5. 677.3.054.Н62 М.Н.Никитин «Автоматический ткацкий станок АТ-175Ш». М. Лёгкая инду­стрия 1968г.

  6. 677.054.С79 Г.В.Степанов «Станки СТБ: устройство и наладка». Легпромбытиздат 1986г.

  7. 677.054.С79 Г.В.Степанов «Станки АТПР: устройство и расчёт параметров». М. Лёгкая и пищевая промышленность 1983г.

  8. 677.054.Г77 Т.С.Грановский «Ремонт и наладка текстильных машин». М. Лёгкая и пище­вая промышленность 1984г.

  9. 677.2.054.Б90 П.Т.Букаев «Устройство и обслуживание автоматических ткацких стан­ков». М. Лёгкая индустрия.

  10. 677.054.В18 М.Я.Варнаков «Жаккардовые машины». М. Лёгкая индустрия 1978г.

  11. А.Н.Паршин и др. «Пневморапирные ткацкие станки». Лёгкая индустрия 1974г.

  12. 677.054.Х98 М.И.Худых «Технология ремонта оборудования ткацкого производства». М. Лёгкая и пищевая промышленность 1982г.

  13. 677.054.Б74 В.Ф.Богомолов и др. «Оптимизация наладочных (работ) параметров жаккардо­вых машин для ткацких станков». 1982г.

  14. 677.2.024(03).С74 «Справочник по хлопкоткачеству». М. Лёгкая индустрия 1979г.

  15. 677.3.024(03).С74 «Справочник по шерстоткачеству». М. Лёгкая индустрия 1975г.

  16. 677.1.024(03).С74 «Справочник по льноткачеству». М. Ростехиздат.

  17. 677.3.024.Б50 Н.Ю.Беркович «Шерстоткачество». Легпромбытиздат 1985г.

  18. 677.4.024.А23 Н.П.Агапова «Шелкоткачество». М. Лёгкая индустрия.

  19. 677.1.024.Б92 Н.А.Бусова «Ткачество льна». М. Лёгкая индустрия 1978г.

  20. 677.053.Ж66 А.В.Живетин «Устройство и обслуживание шлихтовальных машин». М. Лёг­кая индустрия 1979г.

  21. 677.2.052.П64 А.Ф.Потягалов «Шлихтовальные машины хлопчатобумажного и льняного производства». М. Лёгкая индустрия.

  22. 677.2.054.М24 А.С.Манухин «Проборные и узловязальные машины хлопчатобумажной промышленности». М. Лёгкая индустрия 1972г.

  23. 677.2.023.Б83 А.И.Бородин «Подготовка основной пряжи к ткачеству». М. Лёгкая индуст­рия 1978г.

  24. А.П.Алленова «Автоматический ткацкий станок СТБ». 1985г.

  25. 677.024.Н62 М.Н.Никитин «Новости техники и технологии подготовительных отделов в ткачестве». ЦНИИТЭИЛегпром.

  26. 677.2.05.А47 К.Г.Алесеев «Устройство и обслуживание сновальных машин хлопчатобу­мажнго производства». М. Ростехиздат.



Прядильный початок Бобина Сновальный вал Ткацкий навой Уточная шпуля

Объём

V, (см3)

200-700 3000-5000 200000-800000 200000-500000 40-70

Масса

М, (гр)

100-350

2000

(1200-1500 цилиндрические)

100000-400000 200000-400000 20-40

Длина

L, (км)

1-3 20-80 5-25 1-5 0,4-0,8

Скорость

U, (м/мин)

500-800

400-800

(200-500 лента)

50-100 300-600

Натяжение

(г·с/нит)

15-25 20-25 20-30 20-30

Время наработки

(час)

1-2 0,5-1,5 1-2 2-6 мин

Время срабатывания

(мин)

3-10 100-300 300-600 5-30 дней 4-6

СНОВАНИЕ


ШЛИХТОВАНИЕ


ПЕРЕМАТЫВАНИЕ


ПОДГОТОВКА УТОЧНЫХ НИТЕЙ


МОСКОВСКИЙ ГОСУДАОСТВЕННЫЙ ТЕКСТИЛЬНЫЙ УНИВЕРСИТЕТ ИМ. А.Н.КОСЫГИНА


Кафедра ткачества


ОТЧЁТ


ПО ПРАКТИКЕ


Выполнил студент гр.: //


Проверил: /Акимов Г.И./


МОСКВА 2002 г.


Уточно-перемоточный автомат УА-300-3М.


Нить сходит с бобины 1, установленной на 6обинодержателе, проходит через кольцо 8 баллоноограничителя, двухзонный шайбовый нитенатяжитель 7, глазок 2 сигнального крючка 3 механизма самоостанова при обрыве нити, глазок водка нитераскладчика 5 и наматывается на вращающуюся шпулю 4.

Заправку можно проводить и следующим образом. После глазка 2 нить заправляется через дополнительный передний глазок 6, глазок водка нитераскладчика 5 и наматывается на шпулю 4. Такую заправку обычно используют при перематывании льняной, хлопчатобумажной и шерстяной пряжи от 50 текс и ниже.

В автомате автоматизированы следующие операции: останов ведущего шпинделя при обрыве нити или при смене шпули, замена наработанного початка пустой шпулей с закреплением конца нити у её основания, отрезание нити, образование резервной намотки, включение и выключение мотального механизма при смене шпуль, подача пустых шпуль из бункера.

Связывание концов нити при её обрыве, смена бобин, загрузка бункера пустыми шпулями выполняются вручную.

Привод автомата осуществляется от индивидуального электродвигателя с раздельной передачей движения к мотальным головкам и к механизмам автоматики.

Раскладка нити на шпуле осуществляется водковым нитераскладчиком, образующим крестовую намотку с дифференциальной раскладкой.

Кинематическая схема автомата дает возможность в широких пределах регулировать диаметр намотки шпули, длину резервной намотки, скорость и натяжение нити, применять шпули различной длины.


Технологическая схема уточно-перемоточного автомата УА-300-3М.



 
© 2012 Рефераты, доклады, дипломные и курсовые работы.