реферат
Главная

Рефераты по биологии

Рефераты по экономике

Рефераты по москвоведению

Рефераты по экологии

Краткое содержание произведений

Рефераты по физкультуре и спорту

Топики по английскому языку

Рефераты по математике

Рефераты по музыке

Остальные рефераты

Рефераты по авиации и космонавтике

Рефераты по административному праву

Рефераты по безопасности жизнедеятельности

Рефераты по арбитражному процессу

Рефераты по архитектуре

Рефераты по астрономии

Рефераты по банковскому делу

Рефераты по биржевому делу

Рефераты по ботанике и сельскому хозяйству

Рефераты по бухгалтерскому учету и аудиту

Рефераты по валютным отношениям

Рефераты по ветеринарии

Рефераты для военной кафедры

Рефераты по географии

Рефераты по геодезии

Рефераты по геологии

Реферат: Технология строительства газопровода

Реферат: Технология строительства газопровода

ГОСУДАРСТВЕННЫЙ КОМИТЕТ

РОССИЙСКОЙ ФЕДЕРАЦИИ

ПО ВЫСШЕМУ ОБРАЗОВАНИЮ

Алтайский Государственный Технический

Университет им. И.И. Ползунова


Кафедра теплогазоснабжения и вентиляции


ПОЯСНИТЕЛЬНАЯ ЗАПИСКА К КУРСОВОМУ ПРОЕКТУ

На тему:

«Технология строительства газопровода»


Выполнил: ст. гр. ТГВ-61

Дата 21.11.00

Небоженко Р. А.

Подпись________

Верещагин С. В.

Подпись________

Проверил:  

Дата __________

Подпись________


Барнаул 2000 г.

СОДЕРЖАНИЕ:

1.Исходные данные. 3

2. Физико-механические свойства грунта. 3

3. Земляные работы   3

3.1. Определение объемов земляных работ. 3

3.1.1. Срезка растительного слоя. 3

3.1.2. Предварительная планировка строительной площадки. 4

3.1.3. Разработка траншеи. 4

3.1.4 Объем грунта по ручной доработке (подчистки) траншеи. 4

3.1.5 Объем грунта по обратной засыпке. 4

3.2. Выбор оптимального комплекта землеройно-транспортных машин. 5

3.2.1. Расчетная стоимость машин и себестоимость машино-смен механизмов  6

3.2.2. Технико- экономическое сравнение комплектов машин. 6

3.3. Подбор автосамосвалов для доставки песка при устройстве основания трубопровода. 7

3.3. Указания по производству земляных работ. 8

3.4. Мероприятия по технике безопасности при выполнении земляных работ. 11

4. Монтажные работы. 13

4.1. Определение объёмов монтажных работ. 13

4.2. Указания по производству монтажных работ. 13

4.3. Выбор грузоподъемных монтажных механизмов по монтажным параметрам. 14

4.4. Стыковое соединение звеньев. 15

4.5. Антикоррозийная изоляция. 16

4.6. Переход газопровода через железнодорожные пути. 16

4.7. Испытание газопровода. 17

4.8. Мероприятия по технике безопасности при производстве монтажных работ. 18

5. Организация технология производства работ  19

5.1 Калькуляция трудовых затрат и заработной платы. 19

5.2. Календарный график производства работ. 19

5.3. Операционный контроль качества выполнения земляных работ. 36

5.4 Технико-экономические показатели. 37

5.5. Ведомость потребности машин и инвентаря. 39

5.6. Потребность в деталях, узлах и полуфабрикатах. 40

5.7. Потребность в эксплуатационных материалах. 42

6. Литература. 43

  1.Исходные данные.
  1. Строительство участка газопровода с пересечением железной дороги;
  2. Условия строительства – полевые;
  3. Трубы - стальные электросварные по ГОСТ 8696-74 -    219´5,0мм, масса 1м трубы 26,7кг, длина трубы 10м [5-стр.10, табл.1.7.];
  4. Протяжённость газопровода 1,1 км;
  5. Грунт – суглинок;
  6. Глубина заложения на начальном пикете 1,5 м;
  7. Время строительства – лето;
  8. Район строительства – Барнаул;
  9. Газопровод среднего давления.
2. Физико-механические свойства грунта.

В строительном производстве грунтами называют породы, залегающие в верхних слоях земной коры.

Суглинок - грунт, содержащий глинистые частицы от 10 до 30%, песчаных частиц в суг­линке больше, а пылеватых меньше, чем глинистых.

По ЕНиР 2-1 или по табл. 1 определяют физико-механические свойства грунта:

  1. Группа грунта в завис-ти от трудности его разработки: I-VI.
  2. Плотность грунта при естественном залегании:  , т/м3.
  3. Крутизна временного откоса: 1:m.
  4. Коэффициент первоначального разрыхления:  Кпр. (1)
  5. Коэффициент остаточного разрыхления:  Кор. (1)
Физико-механические свойства грунтов Таблица 1
1: m, м/м
Вид грунта

, т/м3

глубина траншеи, м

Кпр, %

Кор, %

до 1 до1,5 до 3
Суглинок 1,7 -1,9 1:0 1:0 1:0,5 18 - 24 3 - 6

 

3. Земляные работы

3.1. Определение объемов земляных работ.

3.1.1. Срезка растительного слоя

Подсчет объемов работ по срезке растительного слоя:

, где А – длина строительной площадки (траншеи); В – ширина строительной площадки.

 

3.1.2. Предварительная планировка строительной площадки

Срезка излишков грунта и засыпка впадин произво­дится «на глаз», в результате создаётся относительно ровная поверхность без заданных отметок.

3.1.3. Разработка траншеи

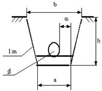
1.    Подсчет объемов по разработке траншеи.

а) Ширина траншеи по низу:

Для труб  219Х5,0 мм:

где  - расстояние от трубы до траншеи понизу, м. При d < 0,7 м  = d + 0,3 м; при d > 0,7 м  a = d + 0,7 м;

      d - диаметр трубы газопровода, м.

б) Ширина траншеи по верху:

    

  где h – высота траншеи;

         m – величина временного откоса.

в) Объем траншеи:

г) Объем трубы газопровода:

д) Объем траншеи под приямки для сварки труб:

е) Суммарный объем траншеи:

3.1.4 Объем грунта по ручной доработке (подчистки) траншеи

где hн = 0,05...0,2 м - глубина слоя по ручной доработке траншеи. (СНиП 3-4-80)

3.1.5 Объем грунта по обратной засыпке

а) Ручная засыпка (подбивка пазух)

Ширина подбивки пазух поверху:

 

Площадь подбивки:

Объем подбивки траншеи:

Объем подбивки пазух:

 

 б) Механизированная засыпка

Объем обратной засыпки:

в) Устройство кавальера.

При устройстве кавальеров для обратной засыпки, объем грунта в кавальере рассчитывается по формуле:

где  - коэффициент первоначального разрыхления грунта для суглинка   =1,2 [2-стр.209]

Площадь поперечного сечения кавальера рассчитывается по формуле:, [1-стр.19]

Fтр –площадь поперечного сечения траншеи

Высота и ширина кавальера по низу при угле естественного откоса 45°

 выражаются формулами:

3.2. Выбор оптимального комплекта землеройно-транспортных машин.

Подборка комплектов машин.

Таблица 2

I ВАРИАНТ

П ВАРИАНТ

Срезка растительного слоя

Бульдозер ДЗ - 8 (Т-100) Грейдер ДЗ-99(Д-710Б)

Планировка площадки и рекультивация

Бульдозер ДЗ – 8 (Т-100) Грейдер ДЗ-99(Д-710Б)

Разработка траншеи (ведущая машина)

Экскаватор обратная лопата   Э - 651

емкость ковша 0,65 м3 (с механическим приводом)

Экскаватор обратная лопата   Э - 656

емкость ковша 0,65 м3 (с механическим приводом)

Разработка грунта с погрузкой в автомобили-самосвалы

Экскаватор прямая лопата   ЭО - 4321

емкость ковша 0,8 м3(с гидравлическим приводом)

Экскаватор обратная лопата   ЭО – 4121А

емкость ковша 0,65 м3(с гидравлическим приводом)

Обратная засыпка с уплотнением

Бульдозер ДЗ - 8 (Т-100)

Трамбовки ИЭ-4502

Бульдозер ДЗ-29(Т-74)

 Трамбовки ИЭ-4502

Планировка площадки и рекультивация

Бульдозер ДЗ - 8 (Т-100) Бульдозер ДЗ-29(Т-74)

3.2.1. Расчетная стоимость машин и себестоимость машино-смен механизмов

Таблица 3
Наименование машины

Средняя стоимость машино-смены

Смаш.см, руб

Инвентарно-расчетная стоимость машины Си.с, тыс.руб

Нормативное число смен работы машины в год Тгод

I  ВАРИАНТ

Экскаватор обратная лопата   Э – 651

емкость ковша 0,65 м3 (с механическим приводом)

28,78 18,15 350
Бульдозер ДЗ - 8 (Т-100) 25,29 8,43 300

Экскаватор прямая лопата   ЭО - 4321

емкость ковша 0,8 м3(с гидравлическим приводом)

30,18 19,32 300

I I ВАРИАНТ

Экскаватор обратная лопата   Э – 656 емкость ковша

0,65 м3 (с механическим приводом)

28,37 17,58 350
Грейдер ДЗ-99(Д-710Б) 22,72 9,63 290
Бульдозер ДЗ-29(Т-74) 17,28 3,26 290

Экскаватор обратная лопата   ЭО – 4121А емкость ковша 0,65 м3(с гидравлическим приводом)

31,08 23,47 350

3.2.2. Технико- экономическое сравнение комплектов машин.

  1. Себестоимость разработки 1 м3 грунта:

где 1,08 - коэффициент, учитывающий накладные расходы; Смаш.см - средняя стоимость машино-смены входящей в комплект машины, руб; 1,5 - коэффициент, учитывающий накладные расходы на зар. плату; SЗп - сумма заработной платы, не учтенной в стоимости машино- смены; Псм.выр.(вед) - сменная выработка ведущей машины, учитывающая разработку грунта и погрузку в транспортные средства, м3/см.

где 8 - количество часов работы машины в смену;  - норма машинного времени, учитывающая разработку экскаватором 100 м3 грунта и погрузку в транспортные средства или навымет, маш. час, определяемая по ЕНиР 2-1.

2. Удельные капитальные вложения на разработку 1 м3 грунта:

где 1,07 - коэффициент, учитывающий затраты на доставку машин завода-изготовителя на базу механизации; Си.р - инвентарно-расчетная стоимость машины входящей в комплект, руб; Тгод - нормативное число смен работы машины в год.

  1. Приведенные затраты на разработку 1 м3 грунта:

,где Е = 0,15 - нормативный коэффициент эффективности капитальных вложений.

Расcчитываются технико-экономические показатели:

 Для I варианта, где ведущей машиной является экскаватор обратная лопата Э – 651 емкость ковша 0,65 м3 (с механическим приводом), работающий навымет:

 

Для I I варианта, где ведущей машиной является экскаватор обратная лопата   Э – 656 емкость ковша 0,65 м3 (с механическим приводом), работающий навылет:

Полученные данные сводятся в таблицу и сравниваются:

Таблица 4
Наименование показателя I вариант I I вариант

0,18 0,21

0,3 0,35

0,225 0,26

Для производства работ комплект машин и механизмов принимается I вариант, так как показатели этого комплекта выгоднее и экономичнее по сравнению с комплектом машин и механизмов I I варианта.

3.3. Подбор автосамосвалов для доставки песка при устройстве основания трубопровода.

1.    Объем песка в плотном теле в ковше экскаватора:

,где Vков - принятый объем ковша экскаватора, м3; Кнап - коэффициент наполнения ковша, принимаемый: для обратной лопаты 0,8...1; драглайна 0,9...1,15; Кпр - коэффициент первоначального разрыхления грунта.

2.    Масса песка в ковше экскаватора:

Q = Vгр. ×r = 0,65×1,6 = 1,05 т,где - плотность грунта при естественном залегании, .

3.    Количество ковшей грунта, загружаемых в кузов автосамосвала:

Для дальности транспортирования 1,5 км выбираем автосамосвал  МАЗ – 503 Б грузоподъемностью 7 тонн.[3-табл. 5; 3-стр.78]

4.    Объем песка в плотном теле, загружаемый в кузов самосвала:

Продолжительность одного цикла работы автосамосвала:

,где tп = V×Hвр / 100 - время погрузки грунта, мин; Нвр- норма машинного времени, учитывающая разработку экскаватором 100 м3 грунта и погрузку в транспортные средства, маш.мин. [2-стр.44,табл.7]; L - расстояние транспортировки грунта, км; vг - средняя скорость автосамосвала, км/ч, в загруженном состоянии[4-табл.7]; vп = 25...30 км/ч - средняя скорость автосамосвала в порожнем состоянии; tр = 1...2 мин - время разгрузки; tм = 2...3 мин - время маневрирования перед погрузкой и разгрузкой.

 

5.    Требуемое количество автосамосвалов:

 

Для доставки песка с места разработки принимаются два автосамосвала марки МАЗ-503 Б грузоподъемностью  7 тонн.

3.3. Указания по производству земляных работ.

1.    Срезка растительного слоя.

Процесс срезки растительного слоя производится бульдозером ДЗ - 8 на базе трактора Т – 100, с гидравлическим приводом неповоротного отвала. Набор грунта осуществляется прямоугольным способом, на глубину зарезания 0.15 м. Схема движения бульдозера - полоса рядом с полосой.

          Схема набора грунта.                                              Схема движения бульдозера.

 

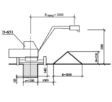
2. Разработка траншеи.

Разработка траншеи производится экскаватором марки Э-651, оборудованным обратной лопатой, с механическим приводом. Разработка ведется по лобовой схеме со складированием грунта в кавальер около траншеи, так как работы ведутся в нестесненных условиях за пределами строений.

Технические характеристики экскаватора Э-651:

1) Вместимость ковша – 0,65 м3;

2) Наибольшая глубина копания – 5,6 м;

3) Наибольший радиус резания – 9,2 м;

4)Радиус выгрузки – 5 м;

5) Высота выгрузки – 2,3 м;

6) Длина стрелы – 5,5 м.


Схема забоя экскаватора:

Максимальная ширина лобовой проходки экскаватора ЭО-651по верху при односторонней выгрузке грунта составляет:  , где

Rрез- наибольший радиус резания, (м); Lпер- длина рабочей передвижки экскаватор, (м); Rвыгр- наибольший радиус выгрузки, (м);В – ширина отвала грунта, (м)

Данная модель экскаватора Э-651 по результатам расчёта лобовой проходки обеспечивает разработку траншеи 1,3 м.

3.   Ручная доработка и устройство основания траншеи.

 Ручная доработка производится бригадой рабочих - землекопов с целью удаления лишнего грунта, не убранного экскаватором, из траншеи и выравнивания основания. Убираемый грунт складируется в кавальер на бровке траншеи. Объем ручной доработке равен объему песчаного основания под трубы.

Схема ручной доработки траншеи.

4. Устройство основания траншеи.

Устройство основания траншеи производится той же бригадой - землекопов на высоту 10см от дна траншеи для укладки труб.

Песок доставляется с карьера самосвалами МАЗ-503Б и производиться разгрузка в траншею с помощью лотка.


Схема разгрузки самосвала в траншею.

4.    Подбивка пазух с уплотнением.

Подбивка пазух производится с целью закрепления газопровода в траншее от сдвигов и перемещений. Грунт берется из кавальера. Уплотнение грунта производится в две проходки (послойно)на высоту 20 см каждая при помощи трамбовки марки ИЭ - 4502 вручную. Схема  засыпки грунта в траншею аналогично схеме устройства основания.

5.    Обратная засыпка.

Обратная засыпка производится бульдозером марки ДЗ -8 на базе трактора Т100, с неповоротным отвалом. Грунт перемещается из кавальера рядом с траншеей. Уплотнение грунта не производится ,т.к. газопровод прокладывается в нестесненных условиях(не в городе) и по этому засыпка производится с отметками немного больше отметки уровня земли для естественной осадки грунта.

Схема обратной засыпки траншеи:

6.   Планировка и рекультивация.

Планировка и рекультивация производится бульдозером ДЗ - 8 на базе трактора Т - 100 . Схема движения бульдозера - полоса рядом с полосой. По завершению планировки производится рекультивация почвенного покрова возврат растительного слоя на прежнее место.

Схема движения:


3.4. Мероприятия по технике безопасности при выполнении земляных работ.

Общие требования техники безопасности при производстве земляных работ:

1. Во избежании несчастных случаев и повреждений машин и механизмов, обслуживающий персонал обязан знать и строго соблюдать правила техники безопасности.

2. К управлению машиной (оборудованием) допускается машинист, прошедший  специальную подготовку и получивший удостоверение на управление машиной .

3. Машина (оборудование) должна содержаться в исправном состоянии. Не разрешается приступать к работе на неисправной машине (оборудовании).

4. Пуск двигателя должен осуществлять старший по смене. Перед началом пуска он должен дать сигнал предупреждения.

5. Прежде, чем тронуться с места, машинист обязан убедиться в отсутствии в опасной зоне людей и посторонних предметов.

6. Запрещается работа строительно - монтажных машин под проводами действующих ЛЭП.

7. Складирование материалов, движение и установка строительных машин и транспорта в пределах призмы обрушения грунта запрещено.

8. До начала производства земляных работ в местах расположения действующих подземных коммуникаций должны быть разработаны и согласованы с организациями, эксплуатирующими эти коммуникации, мероприятия по безопасным условиям труда, а расположение подземных коммуникаций на местности обозначено соответствующими знаками или надписями.

9. Производство земляных работ в зоне действующих подземных коммуникаций следует осуществлять под непосредственным руководством прораба или мастера, а в охранной зоне кабелей, находящихся под напряжением, или действующего газопровода, кроме того, под наблюдением работников электро- или газового хозяйства.

10. При обнаружении взрывоопасных материалов земляные работы в этих местах следует немедленно прекратить до получения разрешения от соответствующих органов.

11. Перед началом производства земляных работ на участках с возможным патогенным заражением почвы (свалка, скотомогильники, кладбища и т. п.) необходимо разрешение органов Государственного санитарного надзора.

12. Котлованы и траншеи, разрабатываемые на улицах, проездах, во дворах населенных пунктов, а также местах, где происходит движение лю­дей или транспорта, должны быть ограждены защитным ограждением  учетом требований ГОСТ 23407-78. На ограждении необходимо устанавливать предупредительные надписи и знаки, а в ночное время – сигнальное освещение. Места прохода людей через траншеи должны быть оборудованы переходными мостиками, освещаемыми в ночное время.

13. Грунт, извлеченный из котлована или траншеи, следует размещать на расстоянии не менее 0,5 м от бровки выемки.

14. Разрабатывать грунт в котлованах и траншеях "подкопом" не допускается.

15. Валуны и камни, а также отслоения грунта, обнаруженные на откосах. должны быть удалены.

 Рытье котлованов и траншей с вертикальными стенками без крепле­ний в нескальных и незамерзших грунтах выше уровня грунтовых вод и при отсутствии вблизи подземных сооружений допускается на глубину не более,м:

1,0- в насыпных, песчаных и крупнообломочных грунтах;

1,25 - в супесях;

1,50 - в суглинках и глинах.

16. Рытье котлованов и траншей с откосами без креплений в нескальных грунтах выше уровня грунтовых вод (с учетом капиллярного поднятия) или в грунтах, осушенных с помощью искусственного водопонижения, допускается при глубине выемки и крутизне откосов согласно таблицы.

Виды грунтов

Крутизна откоса (отношение его высоты к
заложению) при глубине выемки, м, но более

1,6 3 5
Насыпные неуплотненные 1:0,67 1:1 1:1,25
Песчаные и гравийные 1:0,5 1:1 1:1
Супесь 1:0,25 1:0,67 1:0,85
Суглинок 1:0 1:0,5 1:0,75
Глина 1:0 1:0,25 1:0,5
Лессы и лессовидные 1:0 1:0,5 1:0,5

Примечание. При напластовании различных видов грунта крутизну откосов
для всех пластов надлежит назначать по наиболее слабому виду грунта.

17. Крутизна откосов выемок глубиной более 5 м во всех случаях и глубиной менее 5 м при  гидрогеологических условиях и видах грунтов, не предусмотренных п. 10 и таблицы должна устанавливаться проектом.

18.При невозможности применения инвентарных креплений стенок котлованов или траншей следует применять, крепления, изготовленные по индивидуальным проектам, утвержденным в установленном порядке.

19. При установке креплений верхняя часть их должна выступать над бровкой выемки не менее чем на 15 см.

20. Устанавливать крепления необходимо в направлении сверху вниз по мере разработки выемки на глубину не более 0,5 м. Разборку креплений следует производить в направлении снизу вверх по мере обратной засыпки выемки.

21. Разработка роторными и траншейными экскаваторами в связных грунтах (суглинках, глинах) траншей с вертикальными стенками без крепления допускается на глубину не более 3 м. В местах, где требуется  пребывание рабочих, должны устраиваться крепления траншей или откосов.

22. Производство работ в котлованах и траншеях с откосами, подвергшимися увлажнению, разрешается только после тщательного осмотра производителем работ (мастером) состояния грунта откосов и обрушения неустойчивого грунта в местах, где обнаружены "козырьки" или трещины (отслоения).

23. Перед допуском рабочих в котлованы или траншеи глубиной более 1,3 м должна быть проверена устойчивость  откосов или крепления стен.

24. Котлованы и траншеи, разработанные в зимнее время, при наступлении оттепели должны быть осмотрены, а по результатам осмотра должны быть приняты меры к обеспечению устойчивости откосов или креплений.

25.  В случаях необходимости выполнения работ, связанных с электропрогревом грунта, должны соблюдаться требования ГОСТ 12.1.013-78. Прогреваемую площадь следует ограждать, устанавливать на ней преду­предительные сигналы, а в ночное время освещать. Расстояние между ограждением и контуром прогреваемого участка должно быть не менее 3 м.

На участках прогреваемой площади, находящихся под напряжением, пребывание людей не допускается.

26. Линии временного электроснабжения к прогреваемым участкам грунта надлежит выполнять изолированным проводом, а после каждого перемещения электрооборудования и перекладки электропроводок следует визуально проверять их исправность.

27. При извлечении грунта из выемок с помощью бадей необходимо устраивать защитные навесы-козырьки для укрытия работающих в выемке.

28. Погрузка грунта на автосамосвалы должна производиться со стороны заднего или бокового борта.

29. При разработке выемок в грунте экскаватором с прямой лопатой высоту забоя следует определять с таким расчетом, чтобы в процессе работы не образовывались ,,козырьки" из грунта.

30. При разработке, транспортировании, разгрузке, планировке и уп­лотнении грунта двумя и более самоходными или прицепными машинами (скреперами, грейдерами, катками, бульдозерами и др.), идущими одна за другой, расстояние между ними должно быть не менее 10м

31. Односторонняя засыпка пазух у свежевыложенных подпорных стен

и фундаментов допускается после осуществления мероприятий, обеспечивающих устойчивость конструкции, при принятых условиях, способах и порядке засыпки.

32. При разработке грунта способом гидромеханизации:

зону работы гидромонитора в пределах полуторной дальности действия

его струи, а также зону возможного обрушения грунта в пределах не менее трехдневной выработки следует соответственно обозначать предупредительными знаками и надписями и ограждать по верху забоя; расположение гидромонитора с ручным (непосредственно оператором) управлением должно быть таким, чтобы между насадкой гидромонитора и стенкой забоя обеспечивалось расстояние не менее высоты забоя, а между гидромонитором и воздушной линией электропередачи во всех случаях - не менее двукратной дальности действия его водяной струи; водоводы и пульпопроводы следует располагать за пределами охранной зоны воздушной линии электропередачи;

на водоводе в пределах не более 10 м от рабочего места гидромониторщика должна быть задвижка для прекращения подачи воды в аварийных случаях;

места отвалов намываемого грунта надлежит ограждать или обозначать предупредительными знаками;

очищать зумпф пульпоприемника допускается только после выключения гидромонитора и землесосного снаряда;

производить работы гидромонитором во время грозы не допускается; рабочее место гидромониторщика должно быть защищено от забоя за­щитным экраном.

33. При разработке грунта взрывным способом необходимо соблюдать Единые правила безопасности при взрывных работах, утвержденные Гос­гортехнадзором СССР.

34. При механическом ударном рыхлении грунта не допускается на­хождение людей на расстоянии ближе 5 м от мест рыхления.

Техника безопасности при эксплуатации одноковшового экскаватора.

1. При работе экскаватор  должен стоять на горизонтальной площадке которую предварительно выравнивают.

2. При погрузке грунта в автотранспорт запрещается перемещать ковш над кабиной шофера.

3. При разработке грунта запрещается поворачивать наполненный ковш до выхода последнего из забоя.

4. При наличии людей в опасной зоне запрещается начинать работу экскаватора

5. При работающем двигателе запрещается проводить ТО экскаватора.

6. При поднятом ковше не разрешается проводить регулировку тормозов.

7. Перед кратковременной остановке экскаватора машинист должен опустить ковш на грунт. Перед длительной остановкой необходимо стрелу установить вдоль оси экскаватора, а ковш опустить на грунт.

Техника безопасности при эксплуатации бульдозера.

1. При работе бульдозера необходимо соблюдать следующие требования:

 а) останавливать машину, если перед режущей кромкой отвала встретилось препятствие  которое бульдозер преодолеть не может;

 б) не выдвигать нож отвала за бровку откоса;

 в) опускать на землю отвал при его очистке или ремонте;

 г) не приближаться гусеницами к бровке свеженасыпанной насыпи ближе чем на 1 м.

2.    Машину оставленную при работающем двигателе необходимо надежно затормозить.

3.    Запрещается оставлять бульдозер с работающим двигателем.

4.    Бульдозеристу запрещается:

  а) Начинать движение бульдозера без подачи предупредительного сигнала;

  б) Выходить из кабины бульдозера во время его движения;

  в) Употреблять спиртные напитки.

4. Монтажные работы.

4.1. Определение объёмов монтажных работ

Ведомость объемов монтажных работ

Таблица № 5
№ п/п Наименование работ Ед. измер. Количество
1. Устройство временных мостов

1 м2

31,5
2. Устройство основания в траншее

1 м3

143
3. Сборка труб звеньев на бровке траншеи 1 м 1100
4. Укладка звеньев труб в траншею 1090
5. Электросварка стыков на бровке 1 ст. 88
6. Электросварка стыков в траншее 1 ст. 21
7. Монтаж и демонтаж для прокола 1 уст. 1
8. Прокол грунта 1м. 5
9. Укладка трубы в футляр 1м. 10
10. Заделка кромок футляра 1 ф. 1
11. Антикоррозионная изоляция стыков 1 ст. 109
12 Испытание трубопровода 1 м. 1100

4.2. Указания по производству монтажных работ.

1.    Устройство и разборка временных мостов.

Временные деревянные мосты устанавливают на время производства монтажных работ. Мосты состоят из бортовых досок 5х0,3м. Каждый мост состоит из трёх досок. Мосты устанавливают через каждые 150 метров, что составляет 7 мостов, на протяжённость строящегося газопровода. После завершения монтажных работ  разборку монтажных мостов.

2.    Доставка труб

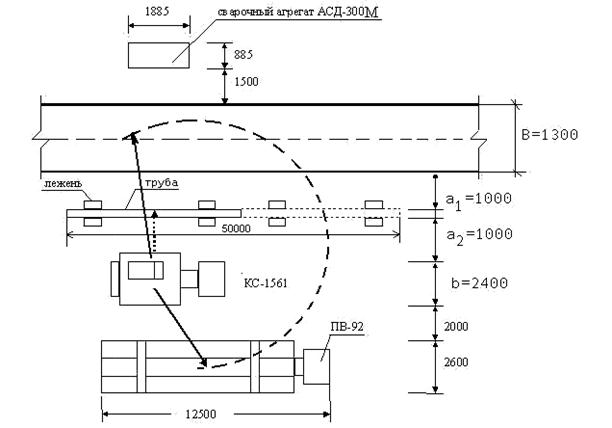
 Доставка труб на расстояние 25км  219´5,0мм длиной 10м и весом всей трубы 267 кг (исх. дан.) осуществляется 3–мя трубовозами марки ПВ – 92 [5-стр.249,табл.26.4.] с основными характеристиками:

Марка автомобиля-тягача - ЗИЛ – 131

Марка прицепа – 1-ПР-5

Грузоподъемность автопоезда по грунтовым дорогам – 4,5-7 т.

Число одновременно перевозимых труб Æ219´5,0мм – 11шт.

Расход топлива на 100км.- 40л.

3. Сборка труб в нитку.

Сборка труб в нитку производится на бровке траншеи с предварительной разгрузкой с помощью крана с трубовоза. Нитка собирается из пяти труб длиной по 10 метров в результате получается секция длиной 50 метров и весом 1335 кг. Сварка звеньев производится с разделкой кромок. На ширину 10 см от стыка производится зачистка. При сборке труб в звенья, для удобства монтажа, используют наружные эксцентриковые центраторы марки: ЦНЭ-16-21 для

* 168-219 мм [5-стр.267, табл.28.3.];

4.3. Выбор грузоподъемных монтажных механизмов по монтажным параметрам.

Для укладки секций трубопровода длиной 50 в метров траншею требуется три однотипных монтажных крана [5-стр.363,п.47.8.]. Монтажный кран подбирается по фактическому весу опускаемой трубы, приходящемуся на кран т.е. 1/3 веса одной секции, при соответствующем вылете стрелы.

Грузоподъемность крана:

Pэ – вес монтируемого элемента;

– вес оснастки – полотенца мягкие ПМ-521 весом 69 кг [5 – стр. 264, табл. 27.6.]

 Расчетный вылет стрелы крана (от вертикальной оси вращения крана до центра траншеи) будет равен:

B - ширина траншеи по верху; b  - ширина крана в зависимости от марки крана; a1 - расстояние от бровки траншеи до трубы принимается равной 0,7-1м [6-стр.22]; a2 - ширина места, занимаемого звеном (диаметр трубы); a3 – расстояние от трубы до оси крана. Сумма а1,а2 и а3 или расстояние от края траншеи до колес или гусениц крана должна быть не менее 1,5м [5-стр.342,п.46.5.]

 

Для выполнения монтажных работ подходит автомобильный гидравлический кран с унифицированной телескопической стрелой КС – 1571 [5-стр.255,табл.27.1.] со следующими основными техническими характеристиками:

Вылет стрелы на опорах: 3,3-5,6м;

·     Грузоподъемность при работе на опорах: 4-1,4т;

·     Базовый автомобиль: ГАЗ-53А

·     Размеры: длина-7,5м; ширина-2,4м; высота-2,9м;

·     Масса: 7,4т

Схема производства работ:

1.     Схема разгрузки труб с трубовоза со сборкой их в секции.

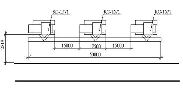
2. Укладка трубопровода в траншею

             Укладка трубопровода в траншею производится тремя кранами марки КС – 1571 грузоподъемностью 4т, расчетный вылет стрелы – 5,6 м с расстоянием между кранами 15м (5-стр.363,п.47.8) . В качестве грузозахватных приспособлений при укладке используются мягкие полотенца, грузоподъемностью 12,5т (5 – стр. 264, табл. 27.6.).

Схема укладки трубопровода траншею:

4.4. Стыковое соединение звеньев.

  Выполняется бригадой, состоящей из сварщика 5 разряда и  двух монтажников 5 и 3 разрядов. Стыковое соединение трубопровода выполняется ручной дуговой сваркой, с помощью электрического сварочного агрегата с двигателем внутреннего сгорания АСБ-300М [5-стр.265,тбл.28.1.] с основными характеристиками:

·     Генератор:

марка: ГСО-300М

номинальное напряжение: 32В

номинальный сварочный ток: 300А

пределы регулирования тока: 75-320А

·     Двигатель:

марка: 407-Д1

мощность: 20 л/с

·     Масса: 550 кг

 Сварка трубопровода поворотных и неповоротных стыков выполняется со скосом кромок  в два слоя. От стыка в обе стороны выполняется зачистка. Перед выполнением поворотного стыка делаются 3  прихватки по 20 - 40 мм длиной, а неповоротного 3 прихватки по 50-60мм [5-стр.343]. После проварке корневого шва производиться очистка от шлака и брызг металла. При сварке поворотных стыков первый слой шва накладывают в вертекальном положение на ¼  окружности с обеих сторон трубы; после поворота трубы на 90°(стык остается в вертикальном положение) заваривают оставшиеся две четверти окружности. Второй слой накладывают против часовой стрелки при непрерывном повороте трубы. При сварке неповоротных стыков все слои шва наносятся снизу вверх на половину окружности трубы. Для сварки используются электроды марки УОНИ-13/55 диаметром 3мм.

4.5. Антикоррозийная изоляция.

Согласно ГОСТ 9. 015 - 74 магистральные стальные газопроводы вне населенных пунктах усиленной изоляцией (грунтовка, полимерная изоляционная лента – 2 слоя, наружная обертка [5-стр.357,табл.47.17.] . Газопровод изолируется полимерной липкой лентой толщиной 0,8 мм на трассе. Физико-механическая характеристика полимерных лент [5-стр.358,табл.47.18.]:

·     Толщина ленты / слоя клея: 0,3 / 0,1мм

·     Сопротивление разрыву: 7,8 Мпа

·     Морозостойкость: -30°С

·     Адгезия к стали, г/см ширины: 100

 Трубопровод перед изоляцией очищается от ржавчины и окалины химическим методом, а после наносится слой грунтовки во избежании воздушного окисления. После производиться изоляция из полимерной липкой ленты. Работы производятся изоляционно-очистной машиной ОМ-522П. Контроль производится после окончания изоляции участка трубопровода внешним осмотром и приборами.

Схема изоляции стыков приведена в схеме укладки.

4.6. Переход газопровода через железнодорожные пути.

   Согласно СНиП 2.04.08-87* пересечения газопровод с железнодорожными путями следует предусматривать, как правило, под углом 90°.

   Прокладку подземных газопроводов всех давлений в местах пересечений с железнодорожными путями общегородского значения следует предусматривать в стальных футлярах.

Концы футляра следует выводить на расстояния от крайнего водоотводного сооружения железнодорожного земляного полотна (кювета, канавы, резерва) не менее 3м

Глубину укладки газопровода под железнодорожными путями следует принимать в зависимости от способа производства строительных работ и характера грунтов с целью, обеспечения безопасности движения.

  Минимальную глубину укладки газопровода до верха футляра от подошвы рельса, а при наличии насыпи от подошвы насыпи следует предусматривать, м:

под железными дорогами общей сети — 2,0 (от дна водоотводных сооружений — 1,5)

При этом на пересечениях железных дорог общей сети глубина укладки газопровода на участках за пределами футляра на расстоянии 50 м в обе стороны от земельного полотна должна приниматься не менее 2,10м от поверхности земли до верха газопровода.

Переход газопровода через железнодорожные  пути производиться способом прокола.

Бестраншейная прокладка трубопроводов способом прокола грунта. Проколом называется такой способ проходки, при котором разработка грунта не производится, а отверстие для трубы образуется за счет уплотнения грунта в радиальном направлении. Прокалывание грунта трубами производят при помощи домкратов, лебедок, тракторов, рычагов и других механизмов, спо­собных развивать усилия 25-300 Т. Усилие может сообщаться прокладываемой трубе при помощи шомпола или с помощью нажимных патрубков. Общая схема установки с двумя гидравлическими домкратами состоит из двух гидравлических домкратов марки ГД-170/1150 [5-стр.480,табл.57.3.]. которые задней своей частью опираются на упор 2. При помощи большой 3 и малой 4 опорных подкладок усилие домкратов передастся через нажимной патрубок 5 на прокладываемую трубу 6. Электродвигатель 7, имеющий щиток управления 8, приводит в движение гидравлический насос 9 с манометром 10. Масло или вода из гидронасоса поступает к домкратам по маслопроводам 11, которые выполняются из труб диаметром 18-25 мм, с толщиной стенки 4,5-5,5 мм. Вентили 12 позволяют в случае надобности отключать каждый из домкратов. Прокладываемая труба на переднем своем торце может иметь наконечник 13 или заглушку. Для сварки прокладываемых труб в передней части котлована устраивается приямок 14.

 Процесс прокола заключается в следующем. В котлован на направляющие брусья 15 укладывают первое звено прокладываемой трубы. После выверки домкратом вдавливают трубу диаметром 300мм в грунт на длину хода штоков домкратов. Затем штоки домкратов возвращают в первоначальное положение и в образовавшееся пространство помещают нажимной патрубок. После вторичного вдавливания трубы в образовавшееся пространство ставят второй патрубок или нажимной патрубок удвоенной длины. Путем комбинации патрубков вдавливают первое звено трубы. Далее укладывают второе звено трубы и приваривают к первому. Процессы повторяют до выполнения проходки на проектную длину. Передний (режущий) торец прокладываемой трубы снабжают обычно коническим наконечником с диаметром основания 325мм. Укладка трубы в футляр осуществляется методом протаскивания с помощью лебедки и трактора марки ДЗ-8.

4.7. Испытание газопровода.

            Газопровод в городе испытывается на прочность и плотность. Для очистки внутренней полости труб от окалины, влаги и загрязнений перед испытанием продувают. Продувку производят воздухом давлением 7*133.3 Па для чего устанавливают временные задвижки.  Испытание газопровода на прочность производится воздухом во время строительства, испытательным давлением 4.5*105 Па. Время испытания - 1 ч. При этом не допускается видимое падение давления по манометру. Обнаруженные дефекты должны устраняться до испытания на плотность. Испытание газопровода на плотность производится воздухом испытательным давлением 3*105 Па, продолжительность испытания не менее 24 часов. Результаты испытания на плотность считаются положительными, если фактическое падение давления не превысит расчетной величины, определяемой для газопровода одного диаметра по формуле: Газопровод при испытании на плотность выдерживают под давлением не менее 30 мин, после чего, не снижая давление, производят внешний осмотр и проверяют мыльным раствором все сварные, фланцевые и резьбовые соединения. При отсутствии видимого падения давления по манометру и утечек при обмыливании, газопровод считается выдержавшим испытание. При испытании газопровода в процессе производства работ устанавливают инвентарные заглушки с резиновыми уплотнениями.

4.8. Мероприятия по технике безопасности при производстве монтажных работ.

1.    Во избежании повреждения изоляции при укладке звеньев газопровода нужно применять не менее двух кранов. При использовании автомобильных кранов последние размещают так, чтобы укладку плети можно было вести с одновременным поворотов обоих кранов.

2.    Для защиты сварщика от поражения электрическим током при электродуговой сварке систематически проверяют состояние изоляции рукояти электрододержателя и всех токоведущих частей и проводов. Электрододержатель должен обеспечивать надежный зажим электрода, хороший контакт и быструю смену электрода.

3.    При изоляционных работах рабочие, занятые очисткой труб металлическими щетками, должны работать в защитных очках.

4.    При очистке, грунтовки и изоляции труб машинами необходимо до начала работ проверить исправность машин. При химическом способе очистки необходимо соблюдать особую осторожность в обращении с кислотами и едким натром.

5.    Во время работы очистных и изоляционных машин категорически запрещается чистить их, налаживать, менять катушки и регулировать.

6.    Во время контроля изоляционных покрытий детектором запрещается допускать к этим работам лиц, не прошедших специального инструктажа по технике безопасности и не знающих мер защиты и приемов оказания первой помощи при поражении электрическим током. Перед включением детектор должен быть заземлен. Рабочие, обслуживающие детектор, должны иметь резиновые перчатки и резиновые сапоги (или галоши).

7.    Опускание в траншею труб, различных материалов и деталей производят механизированным способом с помощью кранов. Сбрасывать трубы и материалы в траншею запрещается.

8.    На все машины и приспособления должны быть заведены паспорта и индивидуальные номера, по которым они записаны в специальный журнал учета их технического состояния.

9.    Краны и другие грузоподъемные механизмы перед пуском в эксплуатацию необходимо освидетельствовать и испытать.

10.  При работе стреловых кранов нельзя допускать пребывания людей в зоне их действия; во время опускания труб, фасонных частей , арматуры и других деталей в траншею и колодцы рабочие должны быть из них выведены

11.  При испытании газопровода воздухом должны быть проверены самым тщательным образом все запорные, предохранительные и сбросные устройства.

12.  При поднятии давления воздуха в газопроводе, находиться людям около инвентарных заглушек запрещается.

13.  Никаких работ по ликвидации дефектов газопровода, находящегося под давлением, производить нельзя.

14.  На концах испытываемого газопровода должны стоять инвентарные заглушки, а также закрепляющие улоры, воспринимающие усилия , возникающие в трубопроводе при повышении давления.


5. Организация технология производства работ

5.1 Калькуляция трудовых затрат и заработной платы.

На все виды работ составляется калькуляция трудовых затрат и заработной платы.

п/п

§ ЕНиР

Наименование

работ

Ед. изм. Объем работ Нормы на ед. изм. На весь объем работ

Нвр, чел.ч.

Нвр, маш.ч.

Расц. руб,коп. Труд-ть чел.см. Затр.тр. маш.см. Ст-ть затр. тр.,руб

1.

2.

3.

4.

5.

6.

7.

8.

9.

10.

11.

Земляные работы
1.

§ Е2-1-5

п. 1а

Срезка растительного слоя бульдозером ДЗ-8 (Т-100)

1000м2

22 0,84 0,84 0,89 2,31 2,31 19,58
2.

§ Е2-1-35

п. 2а

Предварительная планировка строительной площадки бульдозером ДЗ-8(Т-100)

1000м2

22 0,29 0,29 0,307 0,8 0,8 6,75
3.

§ Е2-1-13

п. 4ж

Разработка траншеи экскаватором Э-651

100м3

21,45 1,6 1,6 1,7 4,29 4,29 36,47
4.

§ Е2-1-47

п. 1д,

п. 1а

Подчистка дна траншеи в ручную (разработка грунта 3-мя землекопами

 2-го разр., перекидка 3-мя землекопами

1-го разр.)

1м3

143 0,97 ---- 1,845 17,3 ---- 263,84
5.

§ Е2-1-58

п. 2а

Обратная засыпка с трамбованием вручную(4 звена-1 звено:  землекоп 2 разр. и  землекоп 1разр.)

1м3

456,2 0,79 ---- 1,944 45,05 ---- 886,85
6.

§ Е2-1-34

п. 2а

Механизированная засыпка бульдозером ДЗ-8 (Т-100)

100м3

17,96 0,35 0,35 0,371 0,79 0,79 6,66
7.

§ Е2-1-35

п. 2а

Планировка  бульдозером ДЗ-8(Т-100)

1000м2

22 0,29 0,29 0,307 0,8 0,8 6,75
8.

§ Е2-1-36

п. 2а

Рекультивация земли бульдозером ДЗ-8 (Т-100)

1000м2

22 0,38 0,38 0,403 1,05 1,05 8,87
Монтажные работы
9.

§ Е9-2-34

п. 2б

Устройство и разборка временных мостов

1м2

31,5 0,94 ---- 0,63 3,7 ---- 19,85
10.

§ Е9-2-32

№ 1

Устройство песчаного основания в траншеи

1м3

143 0,9 ---- 1,206 16,09 ---- 172,458
11.

§ Е9-2-1

№ 3

Сборка труб в звенья на бровке траншеи 1100 0,04 ---- 0,032 5,5 ---- 35,2
12.

§ Е9-2-1

п. 3в

Укладка звеньев труб в траншею 1090 0,11 --- 0,086 14,99 --- 93,74
13.

§ Е22-2-7

таб. 1

п. 4б

Прихватка стыков трубопровода 1ст. 109 0,06 --- 0,165 0,817 --- 17,985
14.

§ Е22-2-2

таб. 6

п. 3а

Электросварка стыков на бровке 1ст. 88 1,4 ---- 3,822 15,4 ---- 336,336
15.

§ Е22-2-2

таб. 6

п. 7а

Электросварка стыков в траншее 1ст. 21 1,58 ---- 1,438 4,147 ---- 30,198
16.

§ Е9-2-10

таб. 2

п. 1б

п. 2б

Монтаж и демонтаж оборудования для прокола 1уст. 1 24,5 ---- 20,83 3,06 ---- 20,83
17.

§ Е9-2-10

таб. 4

п. 1б

Прокол грунта 5 1,4 ---- 1,12 0,88 ---- 5,6
18.

§ Е9-2-11

таб. 2

№ 2

Укладка трубы в футляр 10 0,48 ---- 0,384 0,6 ---- 3,84
19.

§ Е9-2-11

таб. 3

№ 2

Заделка кромок футляра 1 футляр 1 2,3 ---- 1,71 0,287 ---- 1,71
20.

§ Е9-2-12

п. 2б

Антикоррозионная изоляция стыков 1ст. 109 0,44 ---- 0,321 5,995 ---- 34,99
21.

§ Е9-2-9

таб. 2

п. 2а

Испытание трубопровода 1100 0,2 ---- 0,163 27,5 ---- 179,3

171,357

10,04

*2187,81

С учетом районного коэффициента стоимость затрат труда в ценах 1988 года:

На основании калькуляции трудовых затрат и заработной платы составляется графики производства работ (приведены в технологических картах).


календарный график производства работ таблица № 7

№ по каль

куля

ции

наименование работ ед. изм. объём работ

труд-ть

 на ед. измер.

чел. час.

труд-ть на весь объём работ

 чел. дней.

состав звена

смен

ность

кол-во дней

месяц июль
рабочие дни
1 2 3 4 5 6 7 8 9 10 11 12 13 14 15 16 17
1. срезка растительного слоя бульдозером дз-8 (т-100)

1000м2

22 0,84 2,31

машинист

 6 разряда

2 1,25
2. предварительная планировка строительной площадки бульдозером дз-8 (т-100)

1000м2

22 0,29 0,8

машинист

 6 разряда

2 0,5
3. разработка траншеи экскаватором э-651

100м3

21,45 1,6 4,29

машинист

 6 разряда

2 2,25
16. монтаж и демонтаж оборудования для прокола 1уст. 1 24,5 3,06 монтажник наружных трубопроводов 6,4,3 разр 2 0,75
17. прокол грунта 5 1,4 0,88 монтажник наружных трубопроводов 5,4,3 разр 2 0,25
S3,25
4.

подчистка дна траншеи в ручную (разработка грунта 2-мя землекопами

3-го разр., перекидка 2-мя землекопами

1-го разр.)

1м3

143 0,97 17,3

3 землекопа

3 разряда

3 землекопа

1 разряда

2 1,5
9. устройство и разборка временных мостов

1м3

31,5 0,94 3,7 2 плотника 2 разряда 2 1
10. устройство песчаного основания в траншеи

1м3

143 0,9 16,09 2 звена 1звено состоит: 2 монтажника наружных трубопроводов 3,2 разряда 2 2,25

11. сборка труб в звенья на бровке траншеи 1100 0,04 5,5 монтажник наружных трубопроводов 5,3 разр., 2 1,25
12. укладка звеньев труб в траншею 1090 0,11 14,99 монтажник наружных трубопроводов 5 разр., 2 монтажника наружных трубопроводов 4,3 разр. 2 1,5
13. прихватка стыков трубопровода 1ст. 109 0,06 0,8175 3 электросв-ка ручной сварки 5 разр. 2 0,25
14. электросварка стыков на бровке 1ст. 88 1,4 15,4 3 электросв-ка ручной сварки 5 разр. 2 2,75
15. электросварка стыков в траншее 1ст. 21 1,58 4,1475 электросв-к ручн.св. 5 разр. 2 2,25
18 укладка трубы в футляр 10 0,48 0,6 монтажники наружных трубопроводов 5,4,3 разр 2

0,25

19. заделка кромок футляра 1 футляр 1 2,3 0,287

изолировщик на гидроизоляции

4,3 разр.

2 0,25
S8,5
20. антикоррозионная изоляция стыков 1ст. 109 0,44 5,995

изолировщик на термоизоляции

4 разр., 2 -//-

3 разр.

2 1
21. испытание трубопровода 1100 0,2 27,5

4 монтажника трубопроводов

5 разряда

2 3,5
5. обратная засыпка с трамбованием вручную

1м3

456,2 0,79 45,05 4 звена-1 звено:  землек. 2 разр. и  землек. 1разр. 2 3
6. механизированная засыпка бульдозером дз-8 (т-100)

100м3

17,96 0,35 0,79

машинист

 6 разряда

2 0,5
7. планировка  бульдозером дз-8(т-100)

1000м2

22 0,29 0,8

машинист

 6 разряда

2 0,5
8. рекультивация земли бульдозером дз-8 (т-100)

1000м2

22 0,38 1,05

машинист

 6 разряда

2 0,75

операционный контроль качества выполнения земляных работ

наименование операций,
подлежащих контролю

контроль качества выполнения операций
производителем работы мастером состав способы время привлекаемые службы

подготовительные
работы

приемка
разбивки
основных
осей и кон­туров траншеи

теодолитом, мерной
линейкой

до начла работ геодезическая

проверка
наличия обноски с вертикаль­ными

отметками

теодолитом, нивелиром то же то же

подготовительные
работы

планировка поверхности и

отвод поверхностных вод

нивелиром до начала разработки траншеи »

разработка траншеи с сохране­нием
струк­туры

грунта основания

вертикальные отметки глубиномером, нивелиром

в процессе разработки, по
окончании
разработки

машинист экскаватора
геодезическая

геометрические размеры

котлована, соответствие привязки к осям здания

мерная
лента

в процессе разра­ботки то же

крутизна

откосов

то же то же ­­­­­­­­­____
Таблица № 8

технико-экономические показатели

таблица № 9

№ п/п показатели ед. измерения земляные работы монтажные работы изоляционные работы общее примечание
1. затраты труда на ед. изм

0,034 0,085 0,055 -----
2. затраты труда на весь объём

72,39 92,971 5,995 171,356 из калькуляции гр. №9
3. затраты труда машиносмен на весь объём

10,04 ------ ------ 10,04 из калькуляции гр. №10
4. выработка на 1 раб. в смену в физическом выражении

29,63 11,83 18,18 -----
5. стоимость затрат труда

1235,77 917,047 34,99 2187,807 из калькуляции гр. №11
6. продолжительность работ

10,25 16,25 1 27,5 граф. произв. работ
7. себестоимость единицы работ

0,18

ведомость потребности машин и инвентаря таблица № 10
наименование марка количество техническая характеристика
бульдозер дз-8(д-271а) 1

тип отвала: неповоротный

длина отвала: 3,03м

высота отвала: 1,1м

управление: канатное

мощность 79квт

марка трактора: т-100

масс бульдозерного оборудования:1,58т.

экскаватор обратная лопата эо-651 1

вместимость ковша с зубьями: 0,65м3

длина стрелы: 5,5м

наибольший радиус резанья: 9,2м

наибольшая глубина копания: 5,6м

радиус выгрузки в транспорт: 5м

высота выгрузки в транспорт: 2,3м

мощность: 59квт

масса экскаватора: 20,5т.

экскаватор прямая лопата эо - 4321 1

вместимость ковша с зубьями: 0,8м3

наибольший радиус резанья: 9м

наибольшая глубина копания: 4м

высота выгрузки в транспорт: 5м

мощность: 59квт

масса экскаватора: 19,2т

электротрамбовка иэ-4502 4

глубина уплотнения: 40см

размеры трамбующего башмака: 350х450

характеристики электродвигателя:

мощность: 0,4квт

напряжение: 220в

частота тока: 50гц

частота ударов: 9,3гц

масса:81,5кг

автосамосвал маз-503 б 2

емкость кузова: 4м3

грузоподъемность: 7т.

максимальная скорость: 60км/ч

расход топлива на 100км пути: 28л.

масса: 6,75т.

трубовоз пв-92 3

марка автомобиля-тягача: зил – 131

марка прицепа: 1-пр-5

грузоподъемность автопоезда по грунтовым дорогам: 4,5-7 т.

число одновременно перевозимых труб Æ219´5,0мм: 11шт.

расход топлива на 100км: 40л

центратор звенчатый цнэ-16-21 3

диаметр свариваемых труб: 168-219мм

масса: 14,7кг

автомобильный гидравлический кран кс – 1571 3

длина телескопической стрелы: 6,5м

грузоподъемность при работе на опорах: 4 -1,4т.

вылет стрелы на опорах: 3,3-5,6м

базовый автомобиль: газ-53а

размеры: длина-7,5м; ширина-2,4м; высота-2,9м;

масса: 7,4т

сварочный агрегат асб-300м 3

генератор:

марка: гсо-300м

номинальное напряжение: 32в

номинальный сварочный ток: 300а

пределы регулирования тока: 75-320а

двигатель:

марка: 407-д1

мощность: 20 л/с

масса: 550 кг

гидравлический домкрат гд-170/1600 1

усилие развиваемое штоком при ходе:

прямом: 1,66мн

обратном: 0,4мн

рабочее давление жидкости: 29,4мпа

ход штока: 1600мм

длина домкрата: 2320мм

масса: 1070кг

лебедка рычажная 3-т 1

максимальная грузоподъемность: 3т.

максимальное тяговое усилие: 29,4кн

длина каната: 12м

диаметр каната: 16,5мм

масса (с канатом): 58кг

потребность в деталях, узлах и полуфабрикатах таблица №11
наименование марка ед. измерения количество
трубы - стальные электросварные по гост 8696-74 шт. 110
электроды диаметр 3мм уони-13/55 шт. 330
полимерная липкая лента пдб м 1
грунтовка под полимерные ленты мхп 1510-49 кг 20
полотенец мягкий пм-521 шт. 3
набор инструментов сварщика эни-300 шт. 3
лопата штыковая шт. 5
лопата совковая шт. 5
маска сварочная шт. 3

                         

потребность в эксплуатационных материалах

Таблица № 12

 

наименование количество машиночасов марка

топливо на

весь объем,кг

расход смазочных материалов на весь объем работы, кг
бензин диз. топл. масла консистентные смазки
автомобильного веретенного дизельного индустриального трансмиссионного солидол мази канатной
бульдозер 56 дз-8(д-271а) 16,8 492,8 -- 3,92 25,2 2,24 5,6 3,36 3,36
экскаватор обратная лопата 36 эо-651 7,2 316,8 0,36 2,52 14,4 1,44 3,6 3,24 1,8
трубовоз 21 пв-92 163,8 --- 7,35 --- --- 0,588 1,638 1,827 ----
автомобильный гидравлический кран 144 кс – 1571 835,2 --- 37,44 --- --- 4,032 11,232 12,528 8,352
сварочный агрегат 84 асб-300м 226,8 --- 21 --- ---- 1,68 ---- 0,425 -----

5.2. Календарный график производства работ.

 

5.3. Операционный контроль качества выполнения земляных работ.

 

5.4 Технико-экономические показатели.

 

5.5. Ведомость потребности машин и инвентаря.

 

5.6. Потребность в деталях, узлах и полуфабрикатах.

 

5.7. Потребность в эксплуатационных материалах.

 

6. Литература.

1.     Технология строительного производства курсовое и дипломное проектирование.

2.     ЕНиР Сборник Е2 – Земляные работы, Выпуск 1 – Механизированные и земляные работы.

3.     Методические указания по выполнению курсового проекта «Монтаж наружных сетей теплогазоснабжения» г. Днепропетровск

4.     Методические указания к курсовой работе «Технология строительства газопроводов»

5.     Монтаж систем внешнего водоснабжения и канализации. Под. ред.  А.К. Перешивкина. М., Стройиздат, 1978, 576с. (Справочник монтажника)

6.     Технологическая карта на прокладку участка газовой или тепловой сети. Методические указания к выполнению курсового проекта по дисциплине «Технология строительных и монтажных работ»для студентов специальности 1208 «Теплогазоснабжение и вентиляция» Горький , издание ГИСИ им. В. П. Чакалова.

7.     Ионин А. А. Газоснабжение. М.: Стройиздат, 1981-415с.



 
© 2012 Рефераты, доклады, дипломные и курсовые работы.