реферат
Главная

Рефераты по биологии

Рефераты по экономике

Рефераты по москвоведению

Рефераты по экологии

Краткое содержание произведений

Рефераты по физкультуре и спорту

Топики по английскому языку

Рефераты по математике

Рефераты по музыке

Остальные рефераты

Рефераты по авиации и космонавтике

Рефераты по административному праву

Рефераты по безопасности жизнедеятельности

Рефераты по арбитражному процессу

Рефераты по архитектуре

Рефераты по астрономии

Рефераты по банковскому делу

Рефераты по биржевому делу

Рефераты по ботанике и сельскому хозяйству

Рефераты по бухгалтерскому учету и аудиту

Рефераты по валютным отношениям

Рефераты по ветеринарии

Рефераты для военной кафедры

Рефераты по географии

Рефераты по геодезии

Рефераты по геологии

Реферат: Расчет полупроводникового выпрямителя с фильтром и транзисторного усилителя

Реферат: Расчет полупроводникового выпрямителя с фильтром и транзисторного усилителя

МАТИ - Российский Государственный Авиационный Технологический  

Университет им. К. Э. Циолковского

Кафедра “Микропроцессорные системы, электроника и электротехника”

Курсовая работа

“Расчет полупроводникового выпрямителя с фильтром и транзисторного усилителя”

по дисциплине “Схемотехника”

Группа: 6ПВК-II-28

Студент: Гаврилин Дмитрий

Вариант: А-4

Выполнил                                            199     г.

Сдано на кафедру             “                   199     г.

Проверил                                             199     г.

Группа: 6ПВК-II-28

Студент: Гаврилин Дмитрий

Вариант: А-4

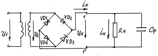
1.1 Расчет полупроводникового выпрямителя с фильтром.

 

1.2 Расчётная схема согласно варианту: 

1.3 Исходные данные согласно варианту: 

  

       

Примечание: Uнср - среднее напряжение  на нагрузке; Iнср - средний ток через нагрузку; qф - коэффициент пульсации выпрямителя с фильтром.

 

Значения коэффициентов расчета электрических величин.

Коэффициенты расчета
Вид выпрямителя

К1

К2

К3

К4

m

q

Двухполупериодный

1.57

1.57

1.10

0.80

2.00

0.67

Примечание. К1 - коэффициент расчета Uдmax; К2 - коэффициент расчета Iдmax; К3 - коэффициент расчета U2; К4 - коэффициент расчета Pp; m - номер основной гармоники (гармоники наинизшей частоты) выпрямленного тока; q - коэффициент пульсации выпрямителя без фильтра.

1.4 Расчёт сопротивления нагрузки RН  и средней мощности Pн, выделяемой на нагрузке.

1.5 Расчёт максимального обратного напряжения на диоде Uдmax и максимального прямого тока через диод Iдmax.

 

    

 

 1.6  Расчёт действующих значений напряжений на первичной U1 и вторичной U2 обмотках трансформатора, коэффициента трансформации по напряжению nU, потребляемой мощности трансформатора Pp.

          

  1.7 Расчёт коэффициента фильтрации Sкф и ёмкости фильтра Сф.

       

  1.8 Расчёт постоянной времени tф  переходного процесса в фильтре

         

 

1.9 Выбор полупроводникового диода по результатам расчета.

    В соответствии с полученными результатами был выбран выпрямительный диод (кремниевый)  из «Справочника по электронике»

Ток, мА Напряжение, В
Тип выпрямительного диода

максимальный средний выпрямительный Iвп.ср.ma, мА

постоянный обратный ток Iорб, мА

максимальное постоянное обратное Uобр.max, В

постоянное прямое Uпр, В

Диапазон рабочих температур

КД202А

5*103

0.8

35

0.9

-60 ¸ +130

 

1.10 Графики работы выпрямителя с фильтром по расчётным данным в масштабе.

 

Группа: 6ПВК-II-28

Студент: Гаврилин Дмитрий

Вариант: А-4

2.1 Расчёт транзисторного усилителя

 

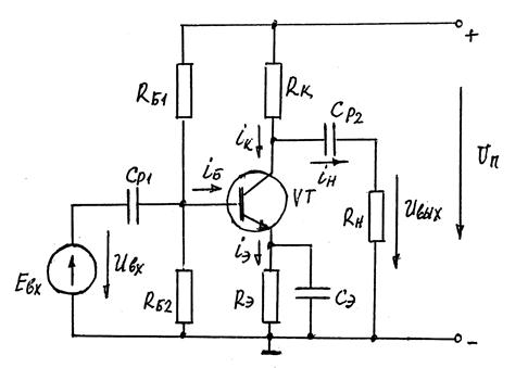
2.2 Расчётная схема транзисторного усилителя .

        На схеме обозначены:

Uп - постоянное напряжение питания усилителя;

Rк - резистор в цепи коллектора;

Rэ - резистор в цени обратной отрицательной связи по току;

Cэ - конденсатор, шунтирующий резистор Rэ по переменному ток;

RБ1,RБ2 - резисторы делителя напряжения а цепи базы;

CР1,CР2 - разделительные конденсаторы в цепях входного и выходного сигналов, соответственно;

Rн - резистор нагрузки;

Eвх - действующее значение ЭДС источника входного сигнала;

Uвх - действующее входное синусоидальное напряжение (входной сигнал);

Uвых - действующее выходное синусоидальное напряжение (выходной сигнал);

iк  - ток коллектора;

iБ  - ток базы;

iЭ  - ток эмиттера;

iн  - ток нагрузки.

2.3 Исходные данные для расчёта согласно варианту.

Uп= 20 В (напряжение питания), ¦В= 3. 104 Гц (высшая частота полосы частот усиливаемого сигнала) ,  I км= 0.03 А; Евх=0.01 в;

R н= 800 Ом

2.4 Предварительный выбор транзистора по таблице 6.

    Используются неравенства 

       Iкм <  I’ км  ; Uп  < U’ кэм  ; ¦в <  ¦ гр

(где Iкм - максимальный ток коллектора транзистора; Uп - постоянное напряжение питания усилителя; ¦в - верхняя рабочая частота усилителя.)

    Так как для транзистора КТ-801 , который имеет параметры

       I’ км = 2 ; U’ кэм  =60 ;  ¦ гр =107 , неравенства выполняются  , то

     выбираем транзистор КТ-801 (0.03 < 2; 20 < 60; 3 . 104 < 107)

                    

Значения параметров транзистора

(справочные данные)

Тип

I’км,

А

U’кэм,

В

P’км,

Вт

¦r,

Гц

h11,

Ом

h21,

  -

h12,

   -

h22,

См

5 КТ801 2.00 60 5.00

107

100 60 0.005

10-1

2.5 Расчет параметров режима покоя

   а) Коллекторный ток покоя;

       Iкп = 0.5 Iкм = 0.5 . 0.03 = 0.015 А

   б) Ток покоя базы

       

        где  h 21 - коэффициент усиления по току из таблицы 6.

   в) Ток покоя эмиттера;

        IЭП = IКП +  IБП  = 0.015 + 0.00025 = 0.01525 А

  

   г)  Напряжение покоя эмиттера (эмиттер - масса);

       UЭП = (0.1 ¸ 0.2) / UП = 0.2 / UП = 0.2 / 20 = 0.01 В

   д) Напряжение покоя коллектора - эмиттера;

        UКЭП=0.5*UП - UЭП=10-0.01=9.99 В

   е) Мощность, выделяемая на транзисторе в режиме покоя(мощность рассеяния);

        PТП=UКЭП*IКП=9.99*0.015=0.149 Вт

2.6 Расчёт цепи RЭ, СЭ обратной отрицательной связи по  постоянному току;

   а) Расчёт Rэ (сопротивление резистора в цепи обратной отрицательной связи)

       

   б) Расчёт   Сэ (емкость конденсатора в цепи обратной отрицательной связи)

       

2.7 Проверка правильности выбора трансформатора по мощности рассеяния, используя неравенство PТП < P КМ ( где  P КM =5 Вт из таблицы  6  для транзистора КТ-801, а PТП = 0.149 из расчетов)

0.149< 5.00

неравенство выполняется следовательно транзистор выбран правильно .

2.8 Расчёт  сопротивления RK в цепи коллектора.

2.9 Расчёт  сопротивлений RБ1, RБ2  делителя напряжения в цепи базы и напряжения смещения UБЭП

       

        Rб1 = h21 . RК = 60 . 1300= 78000 = 78 кОм

        Rб2 » 0.25 . Rб1 = 0.25 . 78000 = 19.5 кОм

                                                              

                                            

      Напряжение смещения на базе

        UБЭП = URБ1 - UЭП = 4 - 0.01 = 3.99 В   

2.10 Расчёт коэффициентов усиления усилителя .

  

   а) По напряжению

       

     где , h21=60 - коэффициент усиления по току транзистора

             h11=100 - входное сопротивление транзистора

                  h22=10-1 - выходная проводимость транзистора из таблицы 6.

   б) По току

        K i = h21 = 60     

   в) По мощности

    

 2.11 Расчёт входного RВХ и выходного RВЫХ сопротивлений усилителя

                                                                     

               Ом

 2.12 Расчёт выходного напряжения

      

           

 2.13 Построение входной  , выходной

и переходной   характеристик в масштабе

 

 

 

 

2.14 Построение в масштабе временных графиков процесса усиления с использование исходных и расчетных данных и характеристик, построенных в п. 2.10.

При этом 


 
© 2012 Рефераты, доклады, дипломные и курсовые работы.