реферат
Главная

Рефераты по биологии

Рефераты по экономике

Рефераты по москвоведению

Рефераты по экологии

Краткое содержание произведений

Рефераты по физкультуре и спорту

Топики по английскому языку

Рефераты по математике

Рефераты по музыке

Остальные рефераты

Рефераты по авиации и космонавтике

Рефераты по административному праву

Рефераты по безопасности жизнедеятельности

Рефераты по арбитражному процессу

Рефераты по архитектуре

Рефераты по астрономии

Рефераты по банковскому делу

Рефераты по биржевому делу

Рефераты по ботанике и сельскому хозяйству

Рефераты по бухгалтерскому учету и аудиту

Рефераты по валютным отношениям

Рефераты по ветеринарии

Рефераты для военной кафедры

Рефераты по географии

Рефераты по геодезии

Рефераты по геологии

Реферат: Расчет непосредственного преобразователя частоты

Реферат: Расчет непосредственного преобразователя частоты

Содержание.

Введение________________________________________________03

Преобразователи частоты__________________________________04

Преобразователь частоты с непосредственной связью__________05

Расчет параметров элементов и их выбор ____________________06

Выбор силового трансформатора____________________________07

Схема замещения одной фазы силового

трансформатора и ее параметры____________________________08

Выбор тиристоров_________________________________________09

Расчет потерь мощности в управляемых вентилях______________10

Определение предельного тока через полупроводниковую

структуру прибора для установившихся режимов работы________11

Допустимая мощность потерь в вентиле_______________________12

Определение углов коммутации вентилей_____________________13

Уточнение коэффициента трансформации с учетом

падения напряжения на элементах силовой схемы_____________14

Приведение сетевого напряжения к вентильной

стороне трансформатора___________________________________15

Защита тиристоров от перенапряжений_______________________16

Определение индуктивности уравнительного реактора__________17

Определение ударного тока при внешнем коротком замыкании___18

Выбор средств автоматической защиты от аварийных токов______19

Основные требования к схемам управления

тиристорными преобразователями__________________________20

Список литературы________________________________________21


Введение.

В электронной технике выделяют силовую и информационную электронику. Силовая электроника первоначально возникла как область техники, связанная преимущественно с преобразованием различных видов электроэнергии на основе использования электронных приборов. В дальнейшем достижения в области полупроводниковых технологий позволили значительно расширить функциональные возможности силовых электронных устройств и соответственно области их применения.

Устройства современной силовой электроники позволяют управлять потоками электроэнергии не только в целях её преобразования из одного вида в другой, но и распределения, организации быстродействующей защиты электрических цепей, компенсации реактивной мощности и так далее. Эти функции, тесно связанные с традиционными задачами электроэнергетики, определили и другое название силовой электроники – энергетическая электроника.

Информационная электроника преимущественно используется для управления информационными процессами. В частности, устройства информационной электроники являются основой схем управления и регулирования различными объектами, в том числе и аппаратами силовой электроники.

Электроэнергия используется в разных формах: в виде переменного тока с частотой 50 Гц, в виде постоянного тока (свыше 20% всей вырабатываемой электроэнергии), а также переменного тока повышенной частоты или токов специальной формы. Это различие в основном обусловлено многообразием и спецификой потребителей, а в ряде случаев (например, в системах автономного электроснабжения) и первичных источников электроэнергии.

Разнообразие в видах потребляемой и вырабатываемой электроэнергии вызывает необходимость её преобразования. Основными видами преобразования электроэнергии являются:

  1. выпрямление (преобразование переменного тока в постоянный);

  2. инвертирование (преобразование постоянного тока в переменный);

  3. преобразование частоты (преобразование переменного тока одной частоты в переменный ток другой частоты).

Основными элементами силовой электроники, ставшими базой для создания статических преобразователей, явились полупроводниковые приборы. Проводимость большинства из них в существенной мере зависит от приложенного напряжения: в прямом направлении их проводимость велика, в обратном – мала (то есть полупроводниковый прибор имеет два явно выраженных состояния: открытое и закрытое). Полупроводниковые приборы бывают неуправляемыми и управляемыми. В последних можно управлять моментом наступления их высокой проводимости (включением) посредством управляющих импульсов малой мощности.

Инвертирование – это преобразование энергии постоянного тока в энергию переменного тока при заданном выходном напряжении или токе и частоте. Если в инверторе используются тиристоры, то необходимо применение схем принудительной коммутации.

Инверторы, работающие от источника постоянного напряжения и определяющие величину напряжения на нагрузке, в то время как ток нагрузки определяется сопротивлением нагрузки, называются инверторами напряжения.

Инверторы, работающие от источника постоянного тока, называются инверторами тока. Источник постоянного тока реализуется путём включения катушки индуктивности последовательно с источником постоянного напряжения. Преобразователи этого типа являются источниками тока по отношению к нагрузке.

В зависимости от характера нагрузки такие преобразователи могут стабилизировать выходное напряжение или мощность, могут изменять по определённому закону частоту выходного сигнала для регулирования количества оборотов двигателя переменного тока.

Выходной сигнал инвертора обычно содержит много гармонических составляющих. Их набор может изменяться путём применения специальных фильтров или широтно-импульсной модуляции.


Преобразователи частоты.

Различают следующие преобразователи частоты: с промежуточным звеном постоянного тока, непосредственной связью питающей сети и цепи нагрузки (циклоконверторы), промежуточным звеном переменного тока (циклоинверторы).

Преобразователь частоты с промежуточным звеном постоянного тока.

Переменное напряжение питающей сети (рис. 1) выпрямляется с помощью управляющего выпрямителя, фильтруется L-C фильтром и подается на автономный инвертор. Функции регулирования частоты выходного напряжения осуществляет инвертор, а напряжения – выпрямитель. Иногда обе функции осуществляет инвертор, а выпрямитель выполняется неуправляемым.




Рис. 1 Структурная схема преобразователя частоты с промежуточным звеном постоянного тока.

Преобразователи с промежуточным звеном постоянного тока позволяют регулировать выходную частоту с помощью системы управляющего инвертора (СУИ) в широком диапазоне как вверх, так и вниз от частоты питающей сети.

Недостатком преобразователей с промежуточным звеном постоянного тока является двойное преобразование энергии, что приводит к уменьшению КПД, к увеличению установленной мощности и массы преобразователя. Однако такой тип преобразователя частоты и схема управления им проще, чем преобразователя с непосредственной связью.


Вентильная часть НПЧ содержит 2m2 вентильных групп, где m2 – число фаз на выходе преобразователя. Преобразователь частоты с m2-фазным выходом состоит из m2 преобразователей с однофазным выходом, работающих со сдвигом 2/m2 выходной частоты.

В конкретных установках структурная схема непосредственного преобразователя частоты может отличатся от описанной, в часности используется безтрансформаторное подключение преобразователя к сети, а вместо сигналов uf и uu на вход фазосмещающего устройства могут быть поданы сигнал задания по току и сигналы обратной связи по выходным параметрам преобразователя. Эти отличия на характер электромагнитных процессов в преобразователе существенно не влияют.


Преобразователи частоты с непосредственной связью могут выполняться с естественной и принудительной коммутацией.

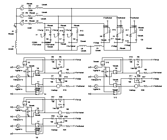
Рис.3. Трехфазно-однофазный преобразователь частоты с непосредственной связью.

На рис.3 показана схема трехфазно-однофазного преобразователя частоты с непосредственной связью. Преобразователь состоит из двух трехфазных схем выпрямления, первая из которых присоединена к фазам трансформатора анодами тиристоров VS1 – VS3 (гр.I), а вторая – катодами тиристоров VS4 – VS6(гр.II).

Положительный полупериод выходного напряжения формируется при поочередной подаче отпирающих импульсов на тиристоры гр.I; отрицательной – при подаче отпирающих импульсов на тиристоры гр.II.

Открывая поочередно вентили групп I и II, получаем на выходе переменное напряжение с частотой f2. При активной нагрузке выходное напряжение на ней равняется:

m1 – число фаз первичной сети.

угол регулирования выпрямителя.

Частота выходного напряжения ниже, чем частота питающей сети f1 и при отсутствии паузы между полупериодами будет:

n=0, 1, 2, 3…

Частота f2 регулируется дискретно. Для плавного регулирования частоты преобразователя необходимо вводить паузу tп. включением и выключением I и II групп тиристоров. Длительность паузы должна быть не меньше времени запирающих свойств вентилей (tпtо). При активно-индуктивной нагрузке длительность паузы определяется временем спадания до нуля тока вентиля, проводившего ток в момент прекращения подачи импульсов на управляющую группу. Тогда выходная частота будет:

f2=f1*m1*(n+m1)п*m1

п – пауза.

При работе НПЧ на активно-индуктивную нагрузку энергия, накопленная в магнитном поле должна быть возвращена обратно в первичную сеть. Для передачи энергии первичную сеть тиристоры обоих групп переводятся в инверторный режим: первые – при отрицательном, вторые – при положительном напряжении. Перевод групп из выпрямительного режима в инверторный осуществляется системой управления при увеличении угла регулирования  до значений больших 90 эл. градусов.

Недостатком НПЧ является низкий коэффициент мощности при регулировании выходного напряжения вследствие изменения угла регулирования и несинусоидальной формы кривой выходного напряжения, для улучшения которой должен быть применен фильтр, увеличивающий мощность всего преобразователя.


Расчет параметров элементов и их выбор.

Для выбора элементов схемы выпрямителя определим мощность, которую необходимо получить на нагрузке. По условию необходимо регулировать уровнем напряжения до Uвых. max = 100 B на нагрузке с параметрами: Rн. = 1 Ом и Lн = 5 мГн. Отсюда определяем максимальную величину тока через нагрузку Id max = Ud max / Rн =100 /1= 100 А. Тогда максимальная величина мощности, отдаваемая в нагрузку равна Pmax = Ud max· Id max = 10 кВ·А.

Так как схема относится к семейству нулевых схем преобразователей, то необходимо использование трансформатора с выводом «нулевых» точек от двух вторичных обмоток. Необходимость в использовании трансформатора объясняется еще тем, что преобразователь будет работать в промышленных условиях со стандартным допуском напряжения питания .

Для выбора основных элементов силовой схемы (трансформатора, тиристоров) управляемого выпрямителя воспользуемся расчетными соотношениями (таб. 1).

Таблица 1.


Расчетные соотношения для условно-шестифазной схемы выпрямления.

Примечание: величины в скобках для идеального выпрямителя без потерь.


Выбор силового трансформатора.

По таблице 1 определяем расчетную габаритную мощность трансформатора.

Sтр. =1,41 Рd =1,41*10­кВА=14,6 кВА.

Из справочной литературы выбираем специализированный трансформатор ТСП – 160/0,7 – УХЛ4 (соответствует ТУ 16 – 717.052-79. Изготовитель УЭТМ г. Свердловск). Габаритные размеры: длина – L = 625 мм, ширина – В = 305мм, высота – Н = 385 мм. Полная масса 120 кг.

Величины потерь в данном трансформаторе:

Рх.х. =140 Вт, Рк.з. = 550 Вт при Uк.з. = 5,2 %, I х.х. = 10 %.

Расчет паразитных параметров трансформатора.

Выбранный трансформатор имеет габаритную мощность Sтр. = 14,6 кВА.

Найдем габаритную мощность на одну фазу:

Pгаб=Sтр /m=14,6*103/3=4866,667 ВА.

Схема соединений обмоток «звезда – звезда», следовательно, U1л=380В и U1ф.=220В (в соответствии с заданием).

Определим ориентировочную величину коэффициента трансформации c учетом колебаний уровня напряжения в промышленных сетях:

ктр.=U1ф./ U2=U1ф. / (0,94 Ud)=(220– 220*0,15)/(0.94*100)=1,989

Номинальный ток в первичной обмотке трансформатора:

I1ном=Pгаб/U1фА=4866,667/220=22,121 А

Из условий опыта холостого хода определяем:

I1х.х. =0,1*I1ном. = 0,1*22,121 = 2,212 А.

Полная кажущаяся мощность холостого хода равна

Sх.х. = U1н.*I1х.х. = 220*2,212 = 486,667 ВА.

Угол сдвига тока относительно напряжения

хх=arccos(Pхх/3*Sхх)=arccos(140/3* 486,667)=84,497о.

Расчетное активное сопротивление, учитывающее потери на гистерезис и вихревые токи

Rор=Рхх/3*I2хх=140/3*2,2122=9,538 Ом.

Индуктивное сопротивление намагничивания

Хор=*Lор= Rор*tgхх=9,538*tg84,497=99 Ом.

Расчетная величина индуктивности намагничивания

Lор= Хор/99/2**50=0,315 Гн.

По данным опыта короткого замыкания аналогично находим:

Uк.з. = 0,052U1н. = 0,052*220 = 11,44 В;

Полная кажущаяся мощность короткого замыкания равна

Sк.з. = Uк.з.* I1н. = 11,44*22,121=253,066 ВА;

Угол сдвига тока относительно напряжения

кз=arccos(Pкз/3*Sкз)=arccos(550/3* 253,066)=43,557о.

Расчетное активное сопротивление, учитывающее потери в обмотках трансформатора (приведение к вентильной стороне):

RрТР=( R2р+ R’1р) = Pкз/3*I2кз*К2тр=550/3*22,1212*1,9892=0,095 Ом.

Расчетная величина индуктивного сопротивления, обусловленного магнитными потоками рассеяния

(ХS2р+Х’S1р)=(R2р+ R’1р)tgкз=0,095tg43,557=0,090 Ом.

Индуктивность рассеяния:

(LS2р+L’S1р)=(ХS2р+Х’S1р)/=0,09/314=2,866*10-4 Гн.

Итак:

Ro= 9,538 Ом.

Xo= 99 Ом.

Lo= 0,315 Гн.

Ls=2,866*10-4 Гн.

Xs=0,09 Ом.

Rтр=0,095 Ом.


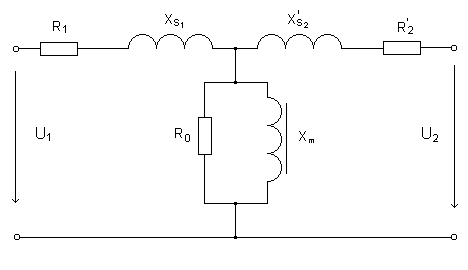
Схема замещения одной фазы силового трансформатора и ее параметры:

Выберем Т-образную схему замещения (рис. 3).

Рис .4 Схема замещения для одной фазы трансформатора.

Rтр=2(R2р+ R’1р)=(2*Ркз)/(3*I21Н )=2*550/3*22,1212=0,749 Ом.

Xs=2(R2р+ R’1р) tgкз =0,749*tg43, 577=0,713 Ом.

Параметры схемы замещения.

продольная ветвь:

R1  R’2 =rтр / 2 = 0,749/ 2 = 0,375 Ом;

Xs1  X’s2 = Xs / 2 = 0,713 / 2 = 0,357 Ом.

поперечная ветвь:

R0 = 4,769 Ом; Xm = 49,5 Ом.


Выбор тиристоров.

Основными параметрами по выбору полупроводникового прибора для данного преобразователя являются:

  • предельный средний ток тиристора при соответствующей температуре;

  • действующее значение тока через прибор;

  • повторяющееся напряжение;

  • критическая скорость нарастания прямого тока;

  • критическая скорость нарастания прямого напряжения и др.

С использованием таблицы 1 определяем величины токов и напряжений, которые будут действовать на управляемые вентили в данной схеме преобразователя:

среднее значение тока через вентиль

IB= = 0,333*Id = 0,333*100 = 33,3 A;

максимальное обратное напряжение, прикладываемое к вентилю

Um обр. = 2,3Ud = 2,3*100 = 230 B;

величина действующего значения тока тиристора

IB = 0,55*Id = 0,55*100 = 55A;

Максимальная величина тока вентиля ImB = 0.5Id = 50 A.

Выбираем по справочной литературе тиристор типа ТО142–80, который имеет следующие предельно допустимые параметры:

повторяющееся импульсное напряжение в закрытом состоянии

Uзсп=600 – 1200 В;

повторяющееся импульсное обратное напряжение

Um обр.=600 – 1200 В;

максимально допустимый средний прямой ток в открытом состоянии при f=50 Гц, b=180o, Tk=70oC

Iп.к.=80 А;

максимальное действующее значение тока

IBмакс = 125 A;

обратный ток и ток утечки при повторяющемся напряжении и температуре структуры 125 ˚С

I обр. < 50 мА;

критическая скорость нарастания прямого тока

(di/dt)кр. = 100 А/мкс;

критическая скорость нарастания прямого напряжения

(dU/dt)кр = 100 В/мкс.

ударный ток при длительности 10 мс и температуре структуры 100 ˚С

Iуд. = 1350 А.

динамическое сопротивление

rдин. = 3,7*10 – 3 Ом.

отпирающий импульсный ток управления при Uзс=12 В

тепловое сопротивление переход – корпус < 0,24 оС/Вт.

температура перехода: Тп= -40оС – +100оС.

Данный тиристор относится к разряду оптронных (оптотиристор). Кремниевый диффузионный типа p-n-p-n. Два полупроводниковых элемента: кремниевый фототиристор и арсенид галлиевый излучающий диод объединены в одну конструкцию. Предназначен для применения в помехоустойчивых системах автоматики и в цепях постоянного и переменного тока преобразователей электроэнергии. Выпускаются в металлостеклянном корпусе штыревой конструкции с жёсткими силовыми выводами. Анодом является основание. Масса мене 49 грамм.

Указания по монтажу: Чистота обработки контактной поверхности охладителя не хуже 2.5. Время пайки выводов управления паяльником мощностью 50-60 Вт при температуре припоя 220оС не должно превышать 5 с. Закручивающий момент не более 10 Н*м.

Для данного тиристора выбираем охладитель типа О241-80. Крутящий момент не более 10 Н*м.

Аппроксимируем ВАХ данного тиристора линейной функцией, используя справочные данные.

, где

ΔU0 = 1,1 B – прямое падение напряжения при токе Iп.к.;

Тогда аппроксимирующее выражение примет вид:

ΔU = 1,1 + 3,7*10 – 3 · i B


Расчет потерь мощности в управляемых вентилях.

Для расчета потерь мощности в вентилях необходимо знать действующий и средний токи через вентили. Мы их нашли ранее:

IB= = 33,3 А, IB = 55 А.

Определяем потери мощности на одном вентиле.

PВ1=U*IВ=+ rдин.*I2В=1,1*33,3+3,7*10-3*552=47,823 Вт.

Тогда потери мощности на вентилях всех групп равны

ΔРВ = 2m*ΔPB1 = 2*3*47,823 =286,935 Вт.


Определение предельного тока через полупроводниковую структуру прибора для установившихся режимов работы.

Предельный ток прибора в установившемся режиме работы при заданных условиях охлаждения рассчитывается по формуле

, где

[Θpn] – максимально допустимая температура полупроводниковой структуры ,

[Θс] – заданная температура окружающей среды .

В соответствии с заданием преобразователь работает в климатических условиях У3 по ГОСТ 15543-70. (Климат умеренный. Преобразователь работает в закрытых помещениях с естественной вентиляцией без искусственно регулируемых климатических условий, где колебания температуры и влажности воздуха, и воздействия песка и пыли существенно ниже, чем на открытом воздухе. Токр.ср. = -40 оС – +40 оС, DT=40oC/8часов.)

RT – общее установившееся тепловое сопротивление (при условии охлаждения). С выбранным охладителем типа О241-80 для данного тиристора Rт=Rп-к+Rкпо-ос=0,24+0,24=0,48 ОС/Вт. Где Rкпо-ос – переходное тепловое сопротивление контактная поверхность охладителя – охлаждающая среда.

U0 – пороговое напряжение предельной ВАХ прибора.

Используя параметры данного тиристора и температурные условия эксплуатации (tmax = 40 ˚C) , определим предельный ток прибора.

А

Найдем предельный ток прибора в случае усреднения мощности в зависимости от коэффициента формы тока кф = IB / IB= . Для данной схемы коэффициент формы тока равен кф=55/33,3 = 1,652 (изменение величины кф в зависимости от угла отпирания прибора не учитываем).

Тогда

Как видно из расчетов токовый режим работы тиристоров в данном преобразователе примерно на 13% ниже максимально возможного.


Допустимая мощность потерь в вентиле.

Расчет ведем при условии, что выпрямитель работает при непрерывной установившейся нагрузке. Тогда температура структуры в установившемся режиме определяется как

Θpn = Θc +ΔP·Rт.

Допустимая мощность потерь равна

[ΔP] = ( [Θpn] – Θc)/Rт .

Rт = 0,48 ˚С/Вт – общее установившееся тепловое сопротивление прибора.

Подставив технические параметры, получим

[ΔP] = (100 – 40) / 0,48 = 125 Вт.

Номинальные тепловые потери при работе приборов меньше допустимых, примерно на 162 Вт (на каждый вентиль).


Определение углов коммутации вентилей.

Угол коммутации, определяемый активными сопротивлениями фазы трансформатора.

Величину угла перекрытия фаз (угла коммутации) найдем из выражения

, где

ΔUX – падение напряжения от коммутации при учете индуктивного сопротивления. Его можно определить из выражения:

Тогда

.


Уточнение коэффициента трансформации с учетом падения напряжения на элементах силовой схемы.

Определяем значение выпрямленного напряжения холостого хода с учетом распределения падения напряжения на элементах.

Находим действующее значение фазного напряжения вторичной обмотки силового трансформатора на холостом ходу (воспользуемся таблицей 1).

Тогда U2 /Ud0 = 0,855 , откуда U2 = 0,855*110,367=94,364 B .

Корректируем величину коэффициента трансформации:

ктр. = U1n min / U2 = (220 – 0.15*220) / 94,364 =1,982

Уточняем электрические и энергетические параметры трансформатора.

Определим действующее значение тока в первичной обмотке трансформатора, используя данные таблицы 1:

I1 = 0,45*Id / kтр. = 0,45*100 / 1,982 = 22,704 A.

Габаритная мощность первичных обмоток трансформатора:

S1 = 1,27*Рd = 12700 BA.

Габаритная мощность вторичных обмоток трансформатора:

S2 = 1,56*Pd = 15600 ВА;

Полная габаритная мощность трансформатора

SТР=(S1+S2)/2=(12700+15600)/2=14150 ВА.

Эта величина близка к определенной ранее по коэффициенту схемы (см. таблицу 1), поэтому оставляем выбранный силовой трансформатор для работы в данном преобразователе.

Уточняем величину активного сопротивления обмоток – Rтр и реактивного сопротивления рассеяния Xs, приведенных к вентильной стороне силового трансформатора

.

Итак:


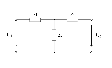
Приведение сетевого напряжения к вентильной стороне трансформатора.

Преобразуем Т – образную схему замещения (рис.3), рассчитав комплексные сопротивления во всех ветвях схемы, получим следующую схему:

Рис. 5

Здесь = R1 + jXs1 =0,375 + j0,357 = 0,517 ej43,557˚ Oм;

= R’2+ jX’s2=0,375 + j0, 357 = 0,517 ej43, 557˚ Oм;


Приводим сетевое напряжение трансформатора к вентильной стороне по методу эквивалентного генератора.

В; Ом.

Рассмотрим приведение для фазы А: В.

Следовательно,

Пересчитаем полученные значения через коэффициент трансформации

В;

Определим индуктивность рассеяния в каждой из шести фаз:

Lsф. = Xsф. / ωсети = 0,09/314 = 2,866*10 –4 Гн

Запишем систему всех приведенных фазных напряжений:

, ,

, ,


Защита тиристоров от перенапряжений.

В силовых полупроводниковых преобразователях различают следующие виды перенапряжений:

  • внешние перенапряжения, возникающие как со стороны питающей сети, так и со стороны нагрузки;

  • внутренние перенапряжения, возникающие при коммутациях в преобразователях;

  • перенапряжения, обусловленные эффектом накопления носителей в полупроводниковых приборов при коммутации тока.

a) Для защиты силовых полупроводниковых вентилей от коммутационных перенапряжений в процессе их переключений, а также от коммутаций в цепи нагрузки, параллельно вентилям включают индивидуальные RC – цепочки.

Конденсатор и резистор должны как можно меньшую собственную индуктивность. Для того, чтобы защитная цепочка имела в целом возможно меньшую, она должна быть размещена непосредственно около вентиля.

Произведем расчет параллельной RC – цепочки для защиты прибора от коммутационных перенапряжений, возникающих при переключении тиристоров.

При выходе вентиля из работы на него действует величина линейного напряжения U2л. Изобразим расчетную схему (рис .5)

Рис . 6

На схеме LsΣ = 2Lsф.=2*866*10-4=5,732*10-4 – суммарная индуктивность рассеяния двух соседних фаз.

Применяемый тиристор имеет критическую скорость нарастания напряжения, равную (du /dt )кр. = 100 В/мкс. Выберем ограничение с запасом (du /dt ) = 50 В/мкс. Тогда (*), т.к. мало по сравнению с .

В момент коммутации | U2m л | = L(di/dt) (**). Из выражений (*) и (**) выразим величину сопротивления RC – цепочки:

Ом.

Так как в схеме на рис .5 есть два накопителя электромагнитной энергии, то в ней будут возникать колебания напряжения, что нежелательно. Поэтому ограничим выброс коммутационного перенапряжения величиной Uvs max = 1.25 U2m л, что соответствует коэффициенту демпфирования , где Ом – величина критического сопротивления.

Выразим величину емкости конденсатора в RC – цепочке

Ф.

Подставим числовые данные и определим величины R и С:

;

.

Мощность резистора определим из выражения

.

Цепью разряда конденсатора RC – ветви являются резистор и включенный тиристор. Следовательно, вентиль будет испытывать дополнительную токовую нагрузку. Определим величину токовой добавки

Суммарная величина среднего тока через вентиль и добавки при разряде конденсатора не должна превышать допустимого значения Iп.к. = 80 А при заданных условиях охлаждения. Проверим это

IΣ = 33,3 + 1,9 = 35,150 A. п.к.] A.

б) Защита от перенапряжений, возникающих при коммутациях в цепи нагрузки.

Рассмотрим наихудший (с точки зрения нагрузки на полупроводниковый прибор) случай перенапряжения, когда происходит отключение индуктивной нагрузки от работающего преобразователя, и величина э.д.с. самоиндукции складывается с фазным напряжением, действующим на вентиль.

Для того, чтобы использовать уже рассчитанную выше RCA – цепочку для данного вида перенапряжении, выполним проверочный расчет величины (du/DT) при воздействии суммарной э.д.с., равной

ЕперΣ = Е2mф + Ен. max = ·102 + 100 = 244,296 B.

Тогда

,

Следовательно, данная RC – цепочка может служить защитой как от перенапряжений, вызванных коммутациями с вентиля на вентиль, так и в цепи нагрузки.

На основе данных расчета выбираем элементы защитной RC – цепи.

Выбор резистора.

Из справочника выбираем металлооксидный резистор с подавленной реактивностью – тип МОУ:

– резистор имеет номинальное сопротивление Rн. = 150 Ом ();

– номинальная мощность Рн =0,5 Вт;

  • ТКС в диапазоне температур от – 60 ˚ С до + 200 ˚ С;

  • температура окружающей среды – Токр. = ˚ С;

  • предельное импульсное напряжение Uи m = 360 В.

Геометрические размеры: наружный диаметр D = 1,6 мм, длина L=16,5 мм , d = 3 мм.

Выбор конденсатора.

Выбираем фторопластовый конденсатор К72 – 11А емкостью С=0,1мкФ ().

Корпус типа ЦИ (Ц – цилиндрический, И – изоляционный).

Параметры:

  • номинальное напряжение Uн = 500 В;

  • температура окружающей среды – Токр. = ˚ С;

  • величина тангенса угла потерь – ;

  • сопротивление изоляции вывод – вывод Rиз. = 20 ГОм

Геометрические размеры: диаметр D = 58 мм, длина L = 78 мм,

длина выводов l = 18 мм.

Так как были выбраны реальные элементы цепи защиты, то необходимо сделать оценку, как изменилась скорость нарастания фронта напряжения – (du /dt) для вариантов защиты а) и б):

Для случая перенапряжения а):

кр. =100

В/мкс].


Δ(du/dt)=68,652–50=18,652 В/мкс, т.е. порог ограничения скорости нарастания напряжения при коммутации с вентиля на вентиль увеличился на 18,652 В/мкс.

для случая перенапряжения по пункту б):

.

Следовательно, порог ограничения скорости нарастания напряжения при коммутациях в цепи нагрузки повысился на Δ(du/dt)=67,126-58,648=8,478 В/мкс.

в) Защита от перенапряжений, которые попадают в преобразователь из питающей сети, вследствие атмосферных разрядов, процессов переключения в соседних устройствах, например при работе выключателей или перегорании предохранителей, или из-за резонансных явлений, обусловленных наличием гармоник в сетях, склонных к резонансу.

Длительные перенапряжения этого типа опасны не только для преобразователя, но и для других потребителей, для их ограничения необходимо использовать внешние по отношению к преобразователю устройства. Но по ТУ необходимо предусмотреть защиту преобразователя от кратковременных превышений напряжения в сети.

Параллельно каждому комплекту вентилей подсоединим RC – цепочки, объединенные в треугольник. При расчете резисторов такого защитного устройства (ЗУ) будем исходить из условия, что при действии напряжения величиной Uпер. m = 3кВ в течение 1 мкс на резисторе должно выделиться порядка 1 Дж тепла.

Итак,

Следовательно, величину сопротивления резистора ЗУ определим как

Величину емкости конденсатора ЗУ определим, используя выражение, полученное выше (коэффициент демпфирования ξ и значение LsΣ остаются теми же):

.

По данным расчета выбираем элементы ЗУ (треугольник из RC – цепочек).

Выбор резистора ЗУ:

Тип резисторов треугольника из RC –цепей выбираем таким же, что и для защиты приборов при внутренних коммутациях, т.е. резистор металлооксидный типа МОУ с параметрами:

– номинальное сопротивление Rн. = 10 Ом ( ) ;

– номинальная мощность Рн = 25 Вт;

  • ТКС в диапазоне температур от – 60 ˚ С до + 200 ˚ С;

  • температура окружающей среды – Токр. = ˚ С ;

  • предельное импульсное напряжение Uи m = 4000 В.

Геометрические размеры: наружный диаметр D = 13 мм, длина L = 130 мм , d = 8 мм.

Выбор конденсатора.

Выбираем комбинированный конденсатор К75 – 25 емкостью С=1,2 мкФ ().

Корпус типа ПМ ( П– прямоугольный, М – металлический).

Параметры:

  • номинальное напряжение Uн = 3 кВ;

  • температура окружающей среды – Токр. = ˚ С;

  • величина тангенса угла потерь – ;

  • сопротивление изоляции вывод – вывод Rиз. = 5 ГОм.

Геометрические размеры: ширина В =90 мм, длина L =110 мм, высота Н =18 мм.


Определение индуктивности уравнительного реактора.

В данной схеме преобразователя будем использовать два однофазных уравнительных реактора. Требуемая индуктивность реактора может быть определена из выражения:

Lур=Кд*2mф/(с*ур), где

IУР – действующее значение статического уравнительного тока (обычно выбирается согласно условию IУР 0,1IH ;

E2m ф – амплитуда вторичной э.д.с.;

КД – коэффициент, характеризующий отношение действующего значения уравнительной э.д.с. к амплитуде вторичной э.д.с. (он зависит от схемы выпрямления, угла регулирования).

Действующее значение напряжения на однофазном уравнительном реакторе

В.

Следовательно, подставив значения, определяем

, В

Определим типовую мощность каждого реактора. Для данной схемы ТП она равна

SLур = 0,0286 Рd = 0.0286·10 · 103 = 0,286 кВА.

Максимальный коэффициент КД для данной преобразовательной схемы равен КД = 0,4. Через каждый реактор протекает ток, равный IH=Id /2 = 50A.

Примем величину действующего значения статического уравнительного тока, равной IУР = 0,1 IH = 0,1·50 =5 А.

Итак, определим индуктивность LУР:


Определение ударного тока при внешнем коротком замыкании.

К аномальному режиму работы преобразователя относят внешнее короткое замыкание. Оно сопровождается возникновением сверхтоков и перенапряжений во всех силовых элементах, поэтому он является тяжелым аварийным режимом.

Полупроводниковые вентили весьма чувствительны к перегрузкам по току, что связано с технологическими особенностями их изготовления и эксплуатации. Поэтому необходимо в преобразователе установить специальную защиту силовых приборов.

Выполним защиту силовых вентилей данного выпрямителя в виде плавких вставок. Для их выбора найдем величину ударного тока глухого внешнего к.з. и интеграл предельной нагрузки.

Находим амплитуду базового тока короткого замыкания

, где

U2m , ф – амплитуда фазного напряжения при холостом ходе;

Х2к и r2к – приведенные к вентильной стороне значения индуктивного сопротивления рассеяния трансформатора и его активное сопротивление.

Подставив числовые значения, получим

.

Определяем величину ударного тока Iуд.

Рис . 7

Амплитуда тока в тиристорах (а) и интеграл предельной нагрузки (б) при внешнем к.з. тиристорного преобразователя

Определяем сtg φк:

.

По рис .(6 – а) находим i*уд = 0,8 . Тогда находим ударный ток глухого внешнего к.з.

Находим интеграл предельной нагрузки при глухом внешнем к.з.:

, где

величину определяем по графику на рис.(6 – б). При сtg φк = 1,052 →=3·10 –3. Тогда

I2t=I2Km*()=1155,8062*3*10-3=4007,661 А2 ·с

Выбранный тиристор ТО142–80 может выдержать предельную нагрузку в течение 10 мс, интеграл предельной нагрузки прибора равен при температуре структуры 125˚С.

Для защиты тиристора от токовой перегрузки применяем предохранитель с плавкой вставкой серии ПП57.

Предохранители серии ПП57 предназначены для защиты преобразовательных агрегатов с силовыми кремниевыми полупроводниковыми вентилями при к.з. в цепях переменного или пульсирующего тока частотой 50 и 60 Гц и в цепях постоянного тока. Его выбор осуществляется по номинальной величине действующего тока тиристора, по значению интеграла отключения (он должен быть меньше интеграла предельной нагрузки вентиля), по времени срабатывания. Номинальный ток предохранителя должен быть больше, чем действующее значение протекающего через него в нормальном рабочем режиме тока.

Выбираем предохранитель ПП57 – 3727 с параметрами:

  • номинальный ток плавкой вставки Iн = 100 А ;

  • допустимый ток предохранителя при t = 45˚С Iдоп. = 90 А (из условий допустимого нагрева контактных выводов не более 130˚С);

  • номинальные потери мощности плавкой вставки Рн = 13 Вт.

Находим величину сопротивления плавкой вставки:

Определяем фактические потери мощности при их установке в данный преобразователь. Максимальное действующее значение рабочего тока тиристора →Iд = 55А. Тогда потери мощности составят величину

Рп.ф. = Iд2 ·Rвст. =552*1,3*10 –3 =3,933 Вт.

Тогда потери мощности на всех предохранителях составят величину

Рп.ф.е.=6* Рп.ф.=6*3,933=23,595 Вт.


Выбор средств автоматической защиты от аварийных токов.

Работоспособность полупроводниковых приборов при аварийных режимах восстанавливается с помощью защитных устройств, которые должны обладать максимальным быстродействием для ограничения амплитуды и длительности аварийного тока; иметь высокую надежность.

В тиристорных преобразователях различают следующие наиболее характерные аварийные режимы: перегрузка по току и внешнее короткое замыкание; внутреннее короткое замыкание, вызванное пробоем вентиля; нарушение в системе управления.

На стороне переменного тока устанавливаем выключатель А3711Б на номинальный ток Iн = 160 А, номинальное напряжение Uн = 380 В. Уставка по току срабатывния электромагнитных расцепителей Iуст.=400 А. Выключатель рассчитан на предельно допустимый ток короткого замыкания – Imax = 36 кА.


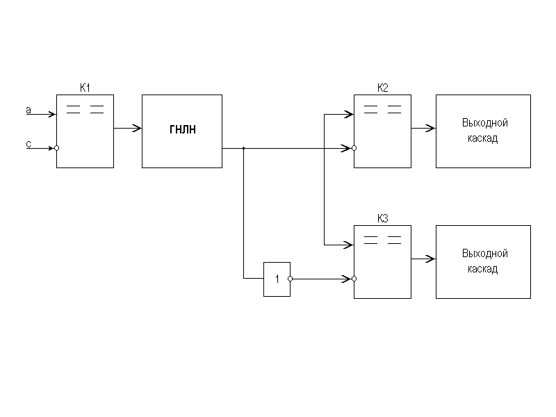
Проектирование СИФУ.


Для корректной работы преобразователя необходимо, чтобы каждый тиристор открывался в определенный момент времени. Для подачи управляющего сигнала в нужный момент времени служит система импульсно-фазового управления (СИФУ). Углы управления и  задаются уровнем управляющего сигнала, который может изменятся до Umax=10 В.

Принцип работы СИФУ представлен на рисунке.

Рис.8.

Здесь 1 канал СИФУ служит для тиристоров выпрямительной и инверторной групп фазы А.

В качестве сравнивающих элементов возьмем компаратор К554СА3 со следующими параметрами: Uп=5…15 В, Uвх.диф.max=13 В, Iвх=0,1 мкА, Кu=150000, Uсм.max=3 мВ, tзад=300 нс.

Генератор пилообразного линейно нарастающего напряжения строится на базе сдвоенного операционного усилителя КР574УД2А.


Для синхронизации СИФУ с сетью используется следующий усилитель:

Рис.9

Зададим ток через делитель 10 мА. Суммарное сопротивление делителя R1+R2=226*1,1/0,01=24860 Ом.

Зададим напряжкние на выходе делителя 10 В. Тогда

R2=10/0,01=1 кОм,

R1=24860-1000=23860 Ом.

Угол сдвига фаз, вносимый конденсатором примем равным 1о. Найдем емкость конденсатора:

tgIc1/Ic2=R2*C1

C1= tgR2=tg1/1000*314=56 пФ.


Повторный расчет.

Расчитаем мощность, выделяемую на одном вентиле:

PВ1=U*IВ=+ rдин.*I2В=1,1*33,3+3,7*10-3*552=47,823 Вт.

Тогда потери мощности на вентилях всех групп равны

ΔРВ = 2m*ΔPB1 = 2*3*47,823 =286,935 Вт.

Расчитаем мощность потерь в реакторе:

PР=Id2max*RР+IУРmax*RР=

Мощность потерь в трансформаторе:

PТР=РХХ+(SТР/SГАБ)2*РКЗ=140+(14600/4866)2*550=5090 Вт.

Расчет КПД трансформатора:

Pd/(Pd+ΔРВ+PР+PТР)=10000/(10000+287+ +5090)=

Температура перехода тиристора.

Rth=RП-К+RК-О+RО-С=0,24+0,2+3,0= 0,74, где

Rth – общее тепловое сопротивление,

RП-К – тепловое сопротивление перход-корпус,

RК-О – тепловое сопротивление корпус-охладитель,

RО-С – тепловое сопротивление охладитель-окр. среда.

Tп=tокр+PВ1+ Rth=40+47,823+0,74=88,564 оС,

что ниже tmax=100 oC.


Анализ НПЧ.


Для анализа схемы воспользуемся пакетом программ PSPICE. Схема принцииальная здесь выглядит следующим образом:

Рис.10.



Рис.11. Ток на нагрузке

Р
ис.12. ток через R-C цепь.

Р
ис.13. Ток на уравнительном реакторе.

Р
ис.14. Напряжение на тиристоре.


Основные требования к схемам управления тиристорными преобразователями.

Схемы управления тиристорными преобразователями – это устройства, выполняющие ряд функций по обеспечению требуемого режима работы преобразователя, вида его энергетических и качественных характеристик. Структура и принцип работы схемы управления зависят от реализуемого способа управления, вида задания сигнала управления, схемы исполнительных органов и др.

Перечислим основные функции, выполняемые схемой управления:

  1. Формирование значений сигналов управления исполнительным органом в соответствии с заданным сигналом управления. Этот сигнал может быть представлен в виде аналоговой величины, либо цифрой в параллельном, последовательном, двоичном или унитарном коде.

  2. Распределение по интервалу повторения сигналов управления тиристорными ключами в соответствии с реализуемым способом управления.

  3. Равномерное распределение сформированных сигналов управления по фазам с целью симметрирования нагрузки исполнительными органами на сеть.

  4. Структурное преобразование значения сигнала регулирования с целью трансформации средних или действующих значений выходных параметров при необходимости согласования нагрузки с сетью.

  5. Коррекция сигнала регулирования в соответствии со значениями сигналов обратной связи. Такая коррекция необходима при реализации управления преобразователем с обратной связью по возмущающему параметру (например, по изменению питающего напряжения, сопротивления нагрузки или иных аналогичных параметров), меняющему значение кванта энергии, подводимого к нагрузке. Использование обратной связи существенно улучшает качество управления тиристорными преобразователями, в особенности при инерционной нагрузке и наличии запаздываний в контуре регулирования вне цепи обратной связи по возмущению.

  6. Линеаризация регулировочной характеристики тиристорного преобразователя с целью получения постоянного коэффициента передачи при использовании способов импульсного управления со ступенчато-нелинейными характеристиками.

  7. Синхронизация сигналов управления с напряжением сети для обеспечения коммутации тиристоров с заданными значениями углов коммутации  и .

  8. Формирование импульсных сигналов требуемой формы, амплитуды и длительности для надёжного управления тиристорными ключами исполнительных органов.


Список литературы.

  1. Уильямс Б. Силовая электроника. Приборы, управление, применение, справочное пособие. Москва, «Энергоатомиздат», 1993г.

  2. Розанов Ю.К. Основы силовой электроники. Москва, «Энергоатомиздат», 1992 г.

  3. Скаржепа В.А., Шелехов К.В. Цифровое управление тиристорными преобразователями. Ленинград, «Энергоатомиздат» Ленинградское отделение, 1984 г.

  4. Чебовский О.Г. Силовые полупроводниковые приборы. Справочник. Москва, «Энергоатомиздат», 1985 г.

  5. Славик А.С. , Замятин В.Я. Мощные полупроводниковые приборы. Тиристоры. Справочник. Москва, «Радио и связь», 1987 г.

  6. Конструирование силовых полупроводниковых преобразователей, Москва, «Энергоатомиздат», 1989 г.

  7. Энергетическая электроника, Справочное пособие, Лабунцов В.А., Москва, «Энергоатомиздат», 1987 г.

  8. Справочник по проектированию автоматизированного электропривода и систем управления технологическими процессами, под общей редакцией Мовсесова Н.С., Храмушина А.М, Москва, «Энергоатомиздат», 1982 г.

  9. Жемеров Г.Г. Тиристорные преобразователи частоты с непосредственной связью. Москва, «Энергия», 1977 г.


 
© 2012 Рефераты, доклады, дипломные и курсовые работы.