реферат
Главная

Рефераты по биологии

Рефераты по экономике

Рефераты по москвоведению

Рефераты по экологии

Краткое содержание произведений

Рефераты по физкультуре и спорту

Топики по английскому языку

Рефераты по математике

Рефераты по музыке

Остальные рефераты

Рефераты по авиации и космонавтике

Рефераты по административному праву

Рефераты по безопасности жизнедеятельности

Рефераты по арбитражному процессу

Рефераты по архитектуре

Рефераты по астрономии

Рефераты по банковскому делу

Рефераты по биржевому делу

Рефераты по ботанике и сельскому хозяйству

Рефераты по бухгалтерскому учету и аудиту

Рефераты по валютным отношениям

Рефераты по ветеринарии

Рефераты для военной кафедры

Рефераты по географии

Рефераты по геодезии

Рефераты по геологии

Реферат: Переходные процессы в линейных цепях

Реферат: Переходные процессы в линейных цепях

Типовой расчет по Электротехнике.

(Переходные процессы в линейных цепях.)


Студент Ухачёв Р.С.


Группа Ф-9-94


Преподаватель Кузнецов Э.В.


Вариант 14


Москва 1996

Типовой расчет по дисциплине

Основы теории цепей для студентов гр. Ф-9-94


Содержание работы


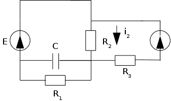
В коммутируемой цепи содержатся источники постоянных э.д.с. E или тока J, источники гармонической э.д.с. e=Em sin(wt +j) или тока j=Jm sin(wt +j) c частотой w =1000 c-1 или источник с заданной линейной зависимостью напряжения или тока от времени, три коммутируемых в заданные моменты времени ключа . Непосредственно перед первой коммутацией в цепи имеется установившийся режим.

Рассчитать:

1. Классическим методом ток, указанный на схеме, на трех интервалах, соответствующих коммутациям ключей, при наличии в цепи постоянных и синусоидальных источников .

2. Операторным методом тот же ток.

3. Любым методом на четвертом интервале ток i1=(t) после замены синусоидального источника источником с заданной зависимостью напряжения или тока от времени.

Задание

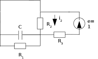
1. Схема замещения анализируемой цепи и значения параметров выбираются на рис. 1 и в таблице 1 в соответствии с номером варианта N-номером в списке учебной группы. Остальные параметры рассчитываются по формулам E=10N (В), Em=10N (В), J=0,4N (А), Jm=0,4N (А), j =30N (°). Для всех вариантов L=20 мГн, C=100 мкФ. Зависимости токов и напряжений источников, включаемых в начале четвертого интервала, приведены на рис. 2.

2. Ключи коммутируются по порядку их номеров через одинаковые интервалы времени Dt=T/6, где T=2|p|/wсв -период свободных колебаний. Для апериодического процесса Dt =1/|p|, где p -наименьший по модулю корень характеристического уравнения. Четвертый интервал начинается также через Dt после коммутации последнего ключа.

Указания

1. Для каждого интервала времени сначала рекомендуется провести расчет классическим методом, а затем-операторным. При совпадении результатов расчета обоими методами можно приступать к расчету переходного процесса на следующем интервале времени.

2. Результаты расчетов следует оформить с помощью ПЭВМ в отчете, содержащем описание задания, формулы, числовые значения, графики искомых функций.


Типовой расчёт по Элекротехнике вариант №14


Исходные данные:

R1=95 Ом R2=5 Ом R3=4 Ом

C=100 мкФ L=20 мГн

e=140sin(1000t+4200) В



1. Расчёт ПП для первой коммутации:

Ucпр=E=140В iCпр=0 А i1пр=i2пр=E/(R1+R2)=1,4 A

1.2 Расчёт классическим методом:

Замкнули К1 t=0 i2(0)=0 Uc(0)=E=140В

{ i1R1=Uc

{ i2=0 (1.2.1)

{ CU'c+i1=i2

решив (1.2.1) получим i1=1,47A i2=0A U'c=-14700B/c


Составим характеристическое ур-е: Zвх(р)=0


=0 или 0,000019p2+0,0675p+100=0


p1=-177,632+703.394j p2=-177,632-703.394j


Т.к. Uc(t)=Ucсв(t)+Ucпр(t) (1.2.2)

Ucсв=A1ep1t+A2ep2t Ucпр=ER1/(R1+R2)=133B

найдём константы A1 и A2 из системы

Uc(0)=A1+A2+133=0 или A1+A2=7 A1=3,5+9,565j

U'c(0)=A1p1+A2p2=0 A1p1+A2p2=-14700 A2=3,5-9,565j


Подставив данные в (1.2.2) получим Uc(t)=e-177,632t(7cos(703.394t)-19.14sin(703.394t))+133 B


ic(t)=CU'c(t)=-e-177,632t(1.471cos(703.394t)+0.152sin(703.394t)) A


i1(t)=Uc/R1= A


i2(t)=ic(t)+i1(t)= A


1.2 Расчёт операторным методом:


{ I2(pL+R2)+Ic/pC=Li2(0)+E/p-Uc(0)/p

{ I2-Ic-I1=0

{ I1R1=Ic/pC-Uc(0)/p

решив систему для I2,Ic,I1 имеем вектор решений

далее используя обратные преобразования Лапласа получим окончательно

ic(t)=CU'c(t)=-e-177,632t(1.471cos(703.394t)+0.152sin(703.394t)) A

i1(t)=Uc/R1= A

i2(t)=ic(t)+i1(t)= A

2. Расчёт ПП для второй коммутации:

Возьмём интервал времени Dt=T/6=|p|/3wсв=0,001с

тогда Uc(Dt)=133,939 В

2.2 Расчёт классическим методом:

Составим характеристическое ур-е: Zвх(р)=0


=0 p=-2105,63

Ucпр(t)=133 В Ucсв(Dt)=Ae-2106,63t

Uc(Dt)=A=0.939 В

Uc(t)=0.939e-2106,63t+133 В

ic(t)=CU'c(t)=-0,198e-2106,63t A

i1(t)=Uc(t)/R1=0,0099e-2106,63t+1,4 A

i2(t)=ic(t)+i1(t)=-0,188e-2106,63t+1,4 A


2.3 Расчёт операторным методом:

{ I1R1=Ic/pC+Uc(Dt)/p

{ I2=I1+Ic

{ I1R1+I2R2=E/p

решив систему для I1,I2,Iс имеем вектор решений


Обратные преобразования Лапласа дают окончательно

ic(t)=CU'c(t)=-0,198e-2106,63t A

i1(t)=Uc(t)/R1=0,0099e-2106,63t+1,4 A

i2(t)=ic(t)+i1(t)=-0,188e-2106,63t+1,4 A


3 . Расчёт ПП для третьей коммутации:

3.1 Расчёт классическим методом:

Принуждённые составляющие токов

рассчитаем как суперпозицию от

постоянного и синусоидального источника


3.2 Расчёт на постоянном токе:


| i1R1+i2R2=E

{ i2R2+i3R3=0 ---> i1=1.44sin(1000t)

| i1+i3=i2


3.3 Расчёт на синусоидальном токе:

{ I1R2+I3R3=E=140ej 73,27

{ I2R2-jXcIc=0

{ I1R1+jXcIc=0

{ I2-I1-I3-Ic=0

i2=14.85sin(1000t+0.83)A

i1=0.02sin(1000t+0.29) A


Суперпозиция даёт для i1пр=

Ucпр(t)=i1пр/R1

Uc(t)= Ucпр(t)+Aept

Составим характеристическое ур-е: Zвх(р)=0

p=

Dt=1/|p|=0.00022 c

Uc(Dt)=133.6 В

A=3.2

i2(t)=(E-Uc(t))/R2

2(t)= A


3.4 Расчёт операторным методом:

e=140sin(1000t+4200)


{ I1R1=Ic/pC+Uc(0)/p

{ I2R2+I3R3=E(p) =>I1,I2,I3,Ic

{ I1R1+I2R2=E/p

{ I2-I3-I1-Ic=0


I2(p)=

Используя обратные преобразования Лапласа получим окончательно


i2(t)= A


4. Расчёт ПП после замены синусоидального источника источником с заданной линейной

зависимостью ЭДС от времени.





Начальные условия Uc(0)=0

Для расчёта воспользуемся операторным методом


{ I2R2+I3R3=1/p

{ I1R1=Ic/pC+Uc(0)/p =>I1,I2,I3,Ic

{ I1R1+I2R2=0

{ I2-I3-I1-Ic=0


Обратные преобразования Лапласа дают i2(t)=h(t)= A


Запишем интеграл Дюамеля:

fв(t)=140-140t/t

f’в(t)=-140/t


Графики тока i2(t) для 1-й,2-й и 3-ей коммутации:



E


 
© 2012 Рефераты, доклады, дипломные и курсовые работы.