реферат
Главная

Рефераты по биологии

Рефераты по экономике

Рефераты по москвоведению

Рефераты по экологии

Краткое содержание произведений

Рефераты по физкультуре и спорту

Топики по английскому языку

Рефераты по математике

Рефераты по музыке

Остальные рефераты

Рефераты по авиации и космонавтике

Рефераты по административному праву

Рефераты по безопасности жизнедеятельности

Рефераты по арбитражному процессу

Рефераты по архитектуре

Рефераты по астрономии

Рефераты по банковскому делу

Рефераты по биржевому делу

Рефераты по ботанике и сельскому хозяйству

Рефераты по бухгалтерскому учету и аудиту

Рефераты по валютным отношениям

Рефераты по ветеринарии

Рефераты для военной кафедры

Рефераты по географии

Рефераты по геодезии

Рефераты по геологии

Реферат: Система наведения ракеты ФКР-1

Реферат: Система наведения ракеты ФКР-1

1. НАЗНАЧЕНИЕ СИСТЕМЫ НАВЕДЕНИЯ И РЕШАЕМЫЕ ЕЮ ЗАДАЧИ.


Система наведения ракеты ФКР-1 представляет собой комплекс технических средств, предназначенных для нанесения ударов управляемыми крылатыми ракетами по фронтовым наземным целям с заданными координатами. Задача наведения решается радиотехнической аппаратурой, которая включает в себя наземную станцию управления (станцию НН) и бортовое оборудование ракеты (станцию НБ).

Станция НН с помощью направленной антенны создает равносигнальную зону, ось которой совмещается с вертикальной плоскостью, проходящей через цель. Полет ракеты должен протекать в этой плоскости. Станция НБ измеряет отклонение ракеты от заданной плоскости и вырабатывает управляющее напряжение, которое через автомат воздействует на руль ракеты. Станция НБ используется также для определения текущей дальности между ракетой и местом ее запуска и для выработки специальных команд, передаваемых на автопилот и на боевую часть ракеты.

Наземные средства системы размещены в автомобилях ЗАЗ.

Направление полета ФКР-1 в горизонтальной плоскости определяется равносигнальной зоной, которая образуется наземной станцией управления. Заданная высота полета ракеты выдерживается независимо от работы радиоаппаратуры с помощью барометрических датчиков. Высота полета задается таким образом, чтобы на всем маршруте сохранялось прямая видимость между ракетой и передающей антенной наземной станции управления.

Траектория ракеты ФКР-1 в вертикальной плоскости изображена на фиг.1:



На первом этапе полета запуска ракета управляется автопилотом без участия радиоаппаратуры, работающей в режиме непрерывного приема. В течение этого времени ракета с помощью стартового двигателя набирает необходимую скорость и высоту и входит в радиолуч наземной станции управления. Через 25 сек. после старта, механизм времени станции НБ выдает команду для перевода ракеты на радиоуправление.

Основную часть пути к цели ракета летит по равносигнальной зоне наземной станции управления. При этом станция НБ выполняет следующие функции:

  • принимает импульсные сигналы наземной станции управления, которые позволяют определить положение ракеты относительно равносигнальной зоны в горизонтальной плоскости. Кроме этого, эти сигналы используются для синхронизации работы наземной и бортовой аппаратуры;

  • вырабатывает управляющее напряжение, пропорциональное отклонению ракеты от равносигнальной зоны. Полярность управляющего напряжения зависит от стороны отклонения ракеты. Это напряжение подается на автопилот ракеты;

  • излучает ответные импульсные сигналы, по которым на станции НН производится измерение текущей дальности между ракетой и местом запуска.


Измерение дальности необходимо для определения момента передачи на ракету команды для перевода ее в пикирование. При достижении ракетой дистанции заданной до цели наземная станция излучает команду в виде двух серий закодированных импульсов для перевода ракеты в пикирование на цель. Эта команда разделяется на предварительную 2А, передаваемую первой серией импульсов, и исполнительную 2Б, которой соответствует вторая серия импульсов, передаваемая вслед за первой через определенный промежуток времени. Станция НБ принимает эту команду и передает ее на автопилот.

По истечении заданного времени после поступления команды 2Б механизм задержки станции НБ выдает команду 3 для подрыва боевой части ракеты. Подрыв может осуществляться в воздухе на заданной высоте от поверхности земли или при ударе о преграду. Команда 3 дублируется барометрическим датчиком высоты подрыва.

В случае, когда ракета, находясь на заданном курсе, пролетает над целью, но команда 2 с наземной станции почему-либо не принята, механизм станции НБ выдает команду 2В, по которой ракета также вводится в пикирование и выполняются все другие действия, предусмотренные командой 2Б. Время полета, по истечении которого вырабатывается команда 2В, устанавливается перед запуском ракеты.

При отклонение ракеты от заданного курса на значительный угол (более ±20°) также выполняются все операции, предусмотренные командой 2Б. Соответствующий сигнал формируется гироскопическим ограничителем курса.

Последовательность всех операций, выполняемых станцией НБ в полете, задается программным устройством станции (фиг. 2). В момент старта ракеты начинает работать механизм времени.


Последовательность работы механизма времени такова:

Через 25 сек. полета ракеты выдается команда 1. При этой команде управляющее напряжение, вырабатываемое станцией НБ, начинает подаваться в канал курса автопилота ракеты для корректировки ее полета.

Через 70 сек. после старта механизм времени переводит станцию из режима непрерывного приема в режим приема со стробированием. Стробирование заключается в том, что приемник станции НБ открывается только на время приема очередного импульсного сигнала наземной станции управления. В паузах между сигналами приемник закрыт. Этим повышается помехоустойчивость бортовой радиоаппаратуры управления. Непрерывный прием (без стробирования) в начале полета ракеты необходим для обеспечения ввода ракеты в равносигнальную зону наземной станции и перехода на радиоуправление.

Механизм времени осуществляет блокировку цепей приема команды 2Б на время, продолжительность которого может быть установлена заранее в пределах от 40 до 360 сек, считая от начала полета. Ракета не может быть введена в пикирование до тех пор, пока не будет снята эта блокировка.

Пикирование ракеты начинается сразу после приема команды 2Б. Одновременно прекращает работу ответчик станции НБ и запускается механизм задержки, которые по истечении заданного времени выдает команду 3. Время задержки команды 3 может устанавливаться заранее, в пределах от 0,2 до 22 сек.

Если команда 2 не была принята на ракете, то механизм времени через 160 сек. после разблокировки цепей приема команды 2 вырабатывает команду 2В.

2. ПРИНЦИПЫ ДЕЙСТВИЯ СТАНЦИИ НБ

Наземная станция управления НН, обладающая остронаправленной передающей антенной излучает импульсные радиосигналы. При этом диаграмма направленности приводится во вращении вокруг оси, смещенной относительно направления максимального излучения. В станции НН такое движение диаграммы направленности достигается за счет вращения зеркала параболической антенны. При вращении диаграммы линия, соответствующую направлению максимального излучения антенны будет описывать в пространстве коническую поверхность (фиг. 3 в).

За начальное принимается такое положение диаграммы направленности антенны, когда она отклонена вверх от оси вращения, Этому положению соответствует фаза движения диаграммы направленности t=0°, где - угловая скорость вращения. Когда диаграмма направленности антенны через пол-оборота окажется отклоненной вниз, фаза будет иметь значение t=180°. Отклонением вправо и влево будет соответствовать значением фазы движения диаграммы направленности антенны t=90° и t=270°.

Уровень снижения станции НН, принимаемых в различных точках пространства, расположенных на оси вращения, не зависит от положения диаграммы направленности передающей антенны и не изменяется при ее вращении. Поэтому вдоль прямой ОО1, т.е. вдоль оси вращения диаграммы направленности, образуется равносигнальная зона.

Если точка приема находится на линии ОO1, то импульсные сигналы станции НН получают модуляцию по амплитуде с частотой вращения . Для небольших значений угла ε, характеризующего положение точки приема относительно оси вращения ОО1, глубина модуляции будет пропорциональна величине угла ε.

Направление отклонения точки приема от оси равносигнальной зоны связано с начальной фазой огибающей принимаемого сигнала. Если точка наблюдения находится выше оси ОО1 (точка 1), сигнал достигает максимума при t=0°, когда точка приема отклонена вправо (точка 2), максимум будет при t=90° и т.д. (фиг. 3б)

Следовательно, принимаемый сигнал позволяет однозначно определить положение точки приема относительно оси равносигнальной зоны - глубина амплитудной модуляции импульсов связана с величиной отклонения точки приема от оси равносигнальной зоны, а фаза огибающей определяет сторону отклонения. Для измерения на ракете разности фаз станция управления должна передавать дополнительные сигналы, связанные с положением диаграммы направленности, - опорные сигналы.

Равносигнальную зону, образованную за счет вращения оси диаграммы направленности, можно использовать для управления ракетой в двух взаимно-перпендикулярных областях: по направлению (правее левее) и по высоте (выше ниже). Однако в рассматриваемой системе равносигнальная зона используется для управления ракетой только в горизонтальной плоскости, а управление по высоте выполняется автономной аппаратурой. Для того, чтобы ракета, совершающая полет на заданной высоте, не имела больших отклонений от оси равносигнальной зоны в вертикальной плоскости, в станции НН предусмотрено уменьшение угла наклона диаграммы направленности передающей антенны по отклонению к горизонту по мере увеличения расстояния до ракеты.

Бортовая радиоаппаратура управления полетом должна измерить отклонение ракеты от вертикальной плоскости, проходящей через цель в точку расположения антенны станции НН, и выдать соответствующее управляющее напряжение.


Для этого бортовая аппаратура включает в себя следующие элементы:

  • Цепи приема сигнала. Назначение этих цепей состоит в том, чтобы принять радиосигналы станции управления и преобразовать их в виде импульса. При нахождении ракеты на оси равносигнальной зоны выходные импульсы цепей приема сигналов имеют постоянную амплитуду, при отклонении от равносигнальной зоны импульсы имеют амплитудную модуляцию (фиг. 4 г).

  • Детектор огибающей видеоимпульсов (детектор напряжения ошибки). Детектор выделяет синусоидальное напряжение ошибки, амплитуда которого пропорциональна величине отклонения ракеты от оси равносигнальной зоны, а начальная фаза зависит от стороны отклонения (фиг. 4 б) 1

  • Фазовый детектор преобразует синусоидальное напряжение ошибки в управляющее напряжение постоянного тока, по величине пропорциональное отклонению ракеты от оси равносигнальной зоны, положительной или отрицательной полярности в зависимости от стороны отклонения (фиг. 4 г). Это напряжение после усиления подается на автопилот для управления движением ракеты в горизонтальной плоскости.


К фазовому детектору, кроме напряжения ошибки, подводится опорное напряжение, фаза которого с помощью опорных сигналов станции НН жестко связана с вращением диаграммы направленности передающей антенны станции управления (фиг. 4 в). Знак выходного напряжения фазового детектора определяется соотношением начальных фаз синусоидального напряжения ошибки и опорного напряжения.


Величина выходного напряжения фазового детектора U при определенном линейном отклонении ракеты от оси равносигнальной зоны r зависит от коэффициента К, равного отношению:

K=U/r

Чем больше этот коэффициент, тем больше напряжение выдается станцией НБ на автопилот при одном и том же отклонении r.

Линейное отклонение ракеты от равносигнальной зоны r связано с угловым отклонением ε следующей зависимостью (фиг. 5):

r=D sin ε

где D - дальность до ракеты от станции управления НН. Вследствие того, что угол ε мал, можно считать sin ε=ε и записать

r=D ε


Для того, чтобы сделать коэффициент передачи независимым от дальности D, в цепь включают специальное устройство-потенциометр дальности.

С помощью потенциометра дальности, амплитуда синусоидального напряжения ошибки, определяемой углом ε, увеличивается пропорционально линейному отклонению ракеты от оси равносигнальной зоны r. Это преобразование напряжения ошибки приводит к тому, что чувствительность аппаратуры управления к линейным отклонениям, становится одинаковой при нахождении ракеты в любой точке траектории, т.е. условия управления оказываются независимыми от дальности.

Для управления полетом ракеты наземная станция управления НН излучает сигналы в виде кодовых импульсных групп, имеющих частоту повторения Н Гц. Основная кодовая группа состоит из двух импульсов длительностью по 0.5. мксек с интервалом между ними в 2 мксек (фиг. 6). Эта группа импульсов называется ниже основной кодовой парой.


В момент времени, когда антенный луч станции НН при своем движении проходит положения, соответствующие фазе t=90° и t=270° (см. фиг. 3), к основной кодовой паре добавляется третий импульс длительностью 0.5 мксек. Интервал между первым и третьим импульсами кодовой группы при крайнем правом положении антенного луча (Ωt=90°) равен 5.5 мксек. При прохождении лучом крайнего левого положения (Ωt=270°) излучение третьего импульса задерживается на 7 мксек. относительно первого. Эти две посылки, состоящие из основной кодовой пары и дополнительного импульса, представляют собой опорные сигналы, с помощью которой на борту ракеты вырабатывается опорное напряжение.

Для передачи на ракету команды 2 станция НН излучает сигналы в виде трехимпульсных кодовых групп с частотой повторения Н Гц. Длительность каждого импульса сигнала команды 2 равна 0.5 мксек, а интервалы между импульсами зависят от номера установленного кода.

Предварительная команда 2А и исполнительная команда 2Б передаются с помощью двух серий импульсов по 20 трех импульсных кодовых групп в каждой. Серия импульсов, соответствующая команде 2Б. Передается через 80 периодов частоты Н Гц после окончания передачи команды 2А (фиг. 7).



Принятые на борту ракеты сигналы используются станцией НБ в соответствии с функциями выполняемыми отдельными каналами станции.

Элементы, составляющие эти каналы, конструктивно расположены в блоках, имеющих условные наименования НБ-1, НБ-2, ... НБ-9.

3. ФУНКЦИОНАЛЬНАЯ СХЕМА СТАНЦИИ НБ.

Функциональная схема станции НБ приведена на рис. 8. Она включает в себя следующие каналы:

  1. приема сигналов;

  2. управления;

  3. синхронизации;

  4. формирования стробирующих импульсов;

  5. передачи ответных сигналов;

  6. формирования команды 2;

  7. программное устройство.


3.1. Канал приема сигналов

Канал приема сигналов представляет собой приемное устройство супергетеродинного типа, предназначенное для приема радиосигналов станции НН и для преобразования их в виде импульсов. В состав канала входят:

  • приемо-передающая антенна.

(Конструктивно оформлена в виде отдельного блока НБ-1)

  • преселектор-смеситель, гетеродин, схема стабилизации частоты клистрона (СЧК) и предварительный усилитель промежуточной частоты (блок НБ-2).

  • основной усилитель промежуточной частоты (УПЧ), демодулятор, схема автоматической регулировки усиления (АРУ), схема контроля СЧК и два видеотракта (блок НБ-3).


Принятые антенной радиосигналы преобразуются по частоте, усиливаются и подаются с выхода УПЧ:

  • в цепь первого видеотракта, обеспечивающего работу канала управления. В этом видеотракте осуществляется детектирование импульсов промежуточной частоты и усиление видеотракта. Усилитель первого видеотракта имеет автоматическую регулировку усиления. Сигнал на выходе видеотракта представляет собой группы импульсов, модулированных по амплитуде с частотой вращения диаграммы направленности передающей антенны Т гц. Эти видеоимпульсы подаются в канал управления;

  • в цепь второго видеотракта, обеспечивающего работу канала синхронизации и канала формирования команды 2. Сигнал на выходе видеотракта представляет собой кодовые группы видеоимпульсов с постоянной амплитудой. Амплитудная модуляция импульсов значительно ослабляется с помощью демодуляторов. Видеоимпульсы с выхода тракта подаются в канал синхронизации и в канал формирования команды 2;

  • в цепь схемы контроля СЧК. Схема контроля СЧК состоит из отдельного каскада усиления промежуточной частоты, частотного детектора и видео усилителя. При изменении частоты клистрона изменяется промежуточная частота канала. В зависимости от этого частотный детектор выдает видеоимпульс, амплитуда и полярность которых характеризуют величину и сторону ухода промежуточной частоты от номинального значения. Видеоимпульсы после усиления просматриваются на экране осциллографа.


3.2. Канал управления

Канал управления предназначен для выделения управляющего напряжения из видеоимпульсов, выдаваемых каналом приема сигналов.


Входные элементы канала:

  • детектор напряжения ошибки

  • усилитель

(расположены в блоке НБ-3)


В них происходит детектирование видеоимпульсов для выделения их огибающей и усиление полученного синусоидального напряжения сигнала ошибок. Детектор напряжения сигнала ошибки выполняет также функции детектора АРУ сигнала ошибки. Все остальные элементы канала размещены в блоке НБ-3.


Фазирующая схема.

Включена после усилителя напряжения сигнала ошибки. Осуществляет сдвиг напряжения сигнала ошибки по фазе на 90°, а также компенсацию паразитных фазовых сдвигов, которые испытывают напряжение сигнала ошибки при прохождении по цепи сигнала НБ.

Сдвиг напряжения сигнала ошибки на 90° необходим в связи с тем, что опорное напряжение в станции НБ синхронизируется импульсами станции НН, которое излучаются при прохождении диаграммой направленности передающей антенны крайнего правого (Ωt=90°) и крайнего левого (Ωt=2700) положений. Поэтому при отклонении ракеты вправо или влево от равносигнальной зоны огибающая видеоимпульсов на выходе приемника будет отличаться по фазе от опорного напряжения на ±90°, и управляющее напряжение на выходе фазового детектора формироваться не будет.

Софазность или противофазность опорного напряжения и синусоидального напряжения сигнала ошибки для управления ракетой по курсу достигается в станции НБ за счет изменения фазы напряжения сигнала ошибки на 90° фазирующей схемой.


Потенциометр дальности.

Служит для увеличения коэффициента усиления канала пропорционального расстоянию, пройденному ракетой. Благодаря этому напряжение сигнала ошибки, выдаваемое станцией НБ, оказывается пропорциональным линейному отклонению ракеты от вертикальной плоскости, проходящей через цель и антенну станции НН.

С потенциометра дальности напряжение сигнала ошибки поступает на селективный усилитель, где благодаря узкой полосе пропускания, подавляются высшие гармоники частоты Т Гц.

Дальнейшее усиление напряжения сигнала ошибки производится усилителем-ограничителем и парафазным усилителем. Ограничитель введен в схему канала во избежание перегрузки последующих каскадов. Он осуществляет двухстороннее симметричное ограничение напряжения сигнала ошибки, если его амплитуда превысит определенный уровень.


Фазовый детектор.

Предназначен для формирования управляющего напряжения постоянного тока. К фазовому детектору подводится синусоидальное напряжение сигнала ошибки и опорное напряжение, представляющее собой напряжение прямоугольной формы, фаза которого жестко связана с положением диаграммы направленности антенны станции НН и не зависит от положения ракеты относительно равносигнальной зоны. Опорное напряжение выдается генератором опорного напряжения, синхронизируемого опорными сигналами станции НН.

На выходе фазового детектора после фильтра выделяется управляющее напряжение постоянного тока, величина и полярность которого характеризует величину и сторону отклонения ракеты от оси равносигнальной зоны. Это напряжения после усиления подается в канал курса автопилота для управления ракетой.


3.3 Канал синхронизации.

Канал синхронизации объединяет в себе ряд схем, предназначенных для формирования синхронизирующих импульсов, с помощью которых достигается согласование работы отдельных узлов станции во времени. Все элементы канала размещены в блоке НБ-5.

В состав канала синхронизации входят:

  • дешифратор основной кодовой пары. Эта схема преобразует основную кодовую пару в одиночный импульс, который используется для формирования всех синхронизирующих импульсов;

  • каскад формирования импульса синхронизации генератора стробирующих импульсов. Синхронизирующие импульсы, вырабатываемые каскадом, используются для ограничения длительности стробирующих импульсов при приеме сигналов станции НН;

  • схема формирования импульса запуска ответчика. Схема выдает синхронизирующий импульс, который запускает ответчик после приема каждой кодовой группы импульсов сигнала станции НН;

  • каскад формирования импульса-подавителя. Импульс-подавитель создается для запирания усилителя промежуточной частоты канала приема сигналов на время излучения станцией НБ ответного импульса.


3.4. Канал формирования стробирующих импульсов.

Канал формирования стробирующих импульсов вырабатывает стробирующие импульсы, которые осуществляют временную селекцию принимаемых сигналов станции НН.


В состав канала входят:

  • схема формирования стробирующих импульсов (блок НБ-4).

  • схема памяти (блок НБ-4).

  • усилитель стробирующих импульсов и реле (блок НБ-3).


Принцип работы канала состоит в следующем. Если сигналы станции НН не принимаются, то в канале формируется широкий стробирующий импульс, который периодически открывает усилитель промежуточной частоты канала приема сигналов на время 100 мксек. Частота повторения широких стробирующих импульсов несколько отличается от частоты повторения сигнала Н гц, что обеспечивает поиск сигнала. При совпадении во времени стробирующего импульса с кодовой группой сигнала последняя будет принята станцией НБ.

Из принятого сигнала в канале синхронизации вырабатывается синхронизирующий импульс, который сокращает длительность стробирующего импульса. Приемник переходит на стробирование узкими импульсами. Частота повторения узких стробирующих импульсов точно равна частоте повторения кодовых групп сигнала, а его длительность несколько превосходит длительность трехимпульсной кодовой посылки станции НН. В следствии этого, усилитель промежуточной частоты канала приема открывается только на время прихода очередной группы сигнала.

Для того, чтобы при кратковременном пропадании сигнала станции НН канал не переходил в режим поиска (т.е. в режим стробирования приемника широким импульсом), в канал введена схема памяти, которая при отсутствии сигнала выдает импульсы имитирующие импульсы сигнала. Схема памяти управляется импульсами, которые формируются в канале синхронизации.

Схема памяти допускает пропадание не более 15 кодовых групп сигнала. Если не будет принято большее количество групп, то канал формирования стробирующих импульсов переходит в режим поиска.


3.5. Канал передачи ответных сигналов.

Канал передачи ответных сигналов предназначен для формирования и излучения ответных сигналов.


Канал включает:

  • подмодулятор.

  • модулятор.

  • генератор (расположены в блоке НБ-6)

  • приемо-передающую антенну (блок НБ-1).


Канал запускается импульсом, который формируется в канале синхронизации, и излучает одиночные импульсы после приема основной кодовой пары или после приема первых двух импульсов кодовой группы сигнала команды 2. Импульс ответчика задержан относительно первого импульса основной кодовой пары на 10 мксек.


3.6. Канал формирования команды 2.

Канал формирования команды 2 предназначен для дешифрирования сигнала и формирования команды 2.


В состав канала входят:

  • дешифратор команды 2.

  • накопитель импульсов.

  • схема формирования команды 2.

(Все элементы канала размещены в блоке НБ-5)


В результате дешифрирования командного сигнала из каждой трехимпульсной посылки формируется одиночный импульс. Одиночные импульсы интегрируются накопителем импульсов, в результате чего выдача команды 2 начинается только со II-го раскодированного импульса поступающей серии. Этим устраняется возможность выдачи команды 2 от воздействия случайных импульсных помех.

Формирование предварительной команды 2А и исполнительной команды 2Б происходит по одному и тому же принципу. Предварительная команда подготавливает цепи станции для приема исполнительной команды.

Исполнительная команда воздействует на канал тангажа автопилота, который вводит ракету в пикирование. Одновременно команда 2Б подается на механизм задержки, который через определенное время выдает команду 3 на боевую часть ракеты, и в канал передачи ответных сигналов для выключения ответчика.


3.7. Программное устройство.

Программное устройство предназначено для управления работой станции НБ.


Программное устройство включает в себя:

  • механизм времени (блок НБ-9)

  • механизм задержки (блок ПС-2)


Программное устройство выполняет следующие функции:

  • перемещает подвижный контакт потенциометра дальности;

  • выдает команду 1. По этой команде выход станции НБ соединяется со входом автопилота АПМ;

  • переводит приемник из режима непрерывного приема в режим приема со стробированием;

  • осуществляет блокировку целей формирования команды 2Б на начальном участке траектории полета ракеты;

  • выдает команду 2В по истечении заранее установленного времени;

  • выдает команду 3 на боевую часть ракеты.


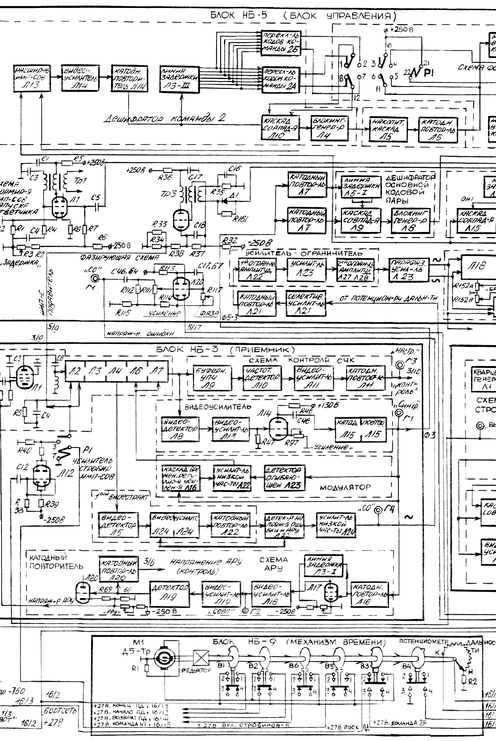
4. БЛОК-СХЕМА СТАНЦИИ НБ.

Блок-схема станции НБ представлена на рис. 9.1 Ниже дается описание этой схемы по блокам.


4.1. Блок НБ-1 (приемо-передающая антенна).

Блок НБ-1 предназначен для приема импульсных сигналов наземной станции управления и для излучения ответных сигналов. Блок НБ-1 является диэлектрической штыревой антенной.

Блок имеет горизонтальную поляризацию и состоит из полистиролового штыря, круглого волновода, переходника и гибкого волновода. Переходник служит при приеме для преобразования электромагнитных волн типа Н11, передаваемых из антенного штыря по круглому волноводу, в волны типа Н10, которые передаются по прямоугольному волноводу в блок НБ-2. При передаче происходит обратное преобразование.


4.2. Блок НБ-2 (высокочастотная головка).

Блок НБ-2 является первым блоком канала приема сигнала. В блоке размещены:

  • преселектор.

  • гетеродин.

  • направленный ответвитель.

  • кристаллический смеситель.

  • предварительный усилитель промежуточной частоты.

  • схема стабилизации частоты клистрона (СЧК).


Преселектор осуществляет избирательность по высокой частоте. Он выполнен в виде объемного резонатора и имеет элементы подстройки.

В качестве гетеродина используется клистрон К-38В (Л13). Постоянство частоты колебаний клистрона поддерживается схемой стабилизации частоты клистрона (СЧК).

Направленный ответвитель не пропускает принятый сигнал на вход эталонного резонатора схемы СЧК и высокочастотные колебания в антенну.

Для подбора оптимальной связи гетеродина с кристаллическим смесителем в волноводный тракт блока введен аттенюатор.

После кристаллического смесителя (Д1) сигнал промежуточной частоты подается на вход предварительного усилителя промежуточной частоты (Л1-Л5). С выхода усилителя импульсы промежуточной частоты по коаксиальному кабелю поступают в блок НБ-3. По этому же кабелю из блока НБ-3 на последние четыре каскада предварительного усилителя промежуточной частоты подается напряжение АРУ.

Схема СЧК представляет собой систему автоматического регулирования. Принцип стабилизации частоты основан на его отражателе. Частота настройки клистрона задается эталонным резонатором, а схема СЧК удерживает ее вблизи резонансной частоты этого резонатора.

При уходе частоты клистрона схема вырабатывает управляющее напряжение, подаваемое на отражатель клистрона, которое в рабочей области изменяется примерно пропорционально измерению расстройки клистрона относительно эталонного резонатора. Величина и знак изменения управляющего напряжения таковы, что частота клистрона возвращается с некоторой допустимой ошибкой к своему прежнему значению.

Измерение величины расстройки в эталонном резонаторе осуществляется путем частотной модуляции колебаний клистрона синусоидальным напряжением с частотой 155 кгц. Это напряжение вырабатывается генератором опорного напряжения (Л12) и через катодный повторитель (Л12) подается на катод клистрона.

Из общего волноводного тракта высокочастотные колебания клистрона попадают в эталонный резонатор. Благодаря резко выраженным резонансным свойствам эталонного резонатора частотно-модулированные колебания приобретают амплитудную модуляцию (фиг. 10).



Рабочая область схемы СЧК выбрана в пределах верхнего изгиба правой ветви резонансной кривой эталонного резонатора, где крутизна кривой изменяется от нулевого до максимального значения (участок ab). Средняя частота настройки клистрона выбирается примерно посередине рабочей области (точка d).

Из фиг. 10 видно, что в области кривой ab при увеличении расстройки клистрона относительно резонансной частоты эталонного резонатора, глубина амплитудной модуляции высокочастотных колебаний увеличивается, а при уменьшении расстройки - уменьшается.

Первый детектор схемы СЧК (Д2) выделяет огибающую амплитудно-модулированных колебаний. Выделенное напряжение с частотой 155 кгц усиливается трехкаскадным резонансным усилителем (Л6-Л8) и через каскад совпадений (Л9) подается на второй детектор схемы СЧК (Л10). Детектор выпрямляет это напряжение и подает его в отрицательной полярности на вход управляющего каскада (Л11).

Управляющий каскад представляет собой транзитронный генератор пилообразного напряжения. При отсутствии на его входе запирающего напряжения, поступающего со второго детектора схемы СЧК (Л10), пилообразное напряжение генератора подается на отражатель клистрона. Величина этого напряжения такова, что клистрон периодически с частотой пилообразного напряжения меняет частоту колебаний во всей зоне генерации, за счет чего осуществляется поиск рабочей области частот эталонного резонатора.

При попадании частоты клистрона в область аd характеристики резонатора появившееся на втором детекторе схемы СЧК отрицательное напряжение приводит к срыву генерации транзитронного генератора. Поиск прекращается и генератор начинает работать как усилитель постоянного тока. Частота клистрона устанавливается около точки d, где и осуществляется режим стабилизации.

В области частот, соответствующих левой ветви частотной характеристики эталонного резонатора, колебания клистрона будут также модулированы по амплитуде, но с противоположной фазой огибающей. За счет этого на участке ch частота клистрона может быть также стабилизирована, но с большей расстройкой относительно резонансной частоты. Для устранения этой неоднозначности в схему СЧК введен каскад совпадений (Л9), на который подается два напряжения - напряжение огибающей с выхода резонансного усилителя и опорное напряжение от генератора опорного напряжения (Л12). Напряжение огибающей передается каскадом совпадений на второй детектор только при условии, что его фаза совпадает с фазой опорного напряжения. При различии фаз на 180° каскад совпадений не пропускает напряжения огибающей на второй детектор.


4.3. Блок НБ-3 (приемник).

Блок НБ-3 (приемник) является вторым блоком канала приема сигнала. В блоке размещены элементы, входящие в следующие каналы функциональной схемы:

  • канал приема сигналов.

  • канал управления.

  • канал формирования стробирующих импульсов.


4.3.1. Канал приема сигналов

В канал приема сигналов входят следующие элементы блока НБ-3:

  • усилитель промежуточной частоты;

  • первый видеотракт, обеспечивающий работу канала управления;

  • второй видеотракт, обеспечивающий работу синхронизации и канала формирования команды 2;

  • схема АРУ;

  • схема демодуляции;

  • схема контроля СЧК.


Усилитель промежуточной частоты (УПЧ) предназначен для усиления импульсов промежуточной частоты, поступающих с предварительного усилителя. УПЧ состоит из шести каскадов, собранных на лампах Л1-Л4 и Л6, Л7. Полоса пропускания усилителя равна 9 Мгц. В первых двух каскадах УПЧ осуществляется стробирование канала приема. Стробирующие импульсы подаются на пентодные сетки ламп.

На время излучения ответного сигнала приемник запирается положительными импульсами-подавителями, которые поступают из канала синхронизации (из блока НБ-5) на катоды ламп первых двух каскадов УПЧ.

Напряжение АРУ подается на первый каскад УПЧ.

С выхода четвертого каскада УПЧ (Л4) сигнал подается в первый видеотракт, с выхода шестого каскада УПЧ (Л7) - подается в цепь контроля СЧК и во второй видеотракт.

В первом видеотракте с помощью видеодетектора (Л5) импульсы промежуточной частоты преобразуются в видеоимпульсы. Двухкаскадный видеоусилитель (Л21, Л24) обеспечивает необходимое усиление сигнала. Усиленные импульсы через катодный повторитель (Л22) подаются на детектор напряжения ошибки, являющийся входным каскадом канала управления. На первый каскад выдеоусилителя (Л21) подается напряжение АРУ, вырабатываемое детектором напряжения ошибки (Л23), выполняющим также функции детектора АРУ.

Второй видеотракт состоит из видеодетектора (Л8), двухкаскадного видеоусилителя (Л13, Л14) и двух катодных повторителей, собранных на лампе Л15.

С выхода шестого каскада УПЧ (Л7) импульсы промежуточной частоты поступают на вход видеодетектора (Л8). После детектирования импульсы усиливаются видеоусилителем (Л13, Л14) и через катодные повторители (Л15) подаются на схему АРУ и демодулятор канала приема сигналов (блок НБ-3), а также в канал синхронизации и в канал формирования команды 2 (блок НБ-5).

Схема автоматической регулировки усиления (АРУ) предназначена для автоматического поддержания постоянства среднего уровня видеоимпульсов на выходе канала приема сигналов независимо от изменения мощности сигнала на входе приемника при удалении ракеты от станции НН.

Схема АРУ состоит из дешифратора, включающего в себя линию задержки (ЛЗ-1) и каскад совпадений (Л17), двухкаскадного видеоусилителя (Л18, Л19), детектора (Л19) и трех катодных повторителей (Л16, Л20).

На выходе дешифратора сигнал появляется только в том случае, когда на его вход подается последовательность парных импульсных посылок с интервалом между импульсами в мксек. Каскад совпадений дешифратора (Л17) выдет одиночные импульсы, амплитуда которых пропорциональна входному сигналу приемника. Эти импульсы усиливаются видеоусилителем (Л18, Л19) и подаются на детектор (Л19). На нагрузке детектора образуется напряжение АРУ, которое через один из катодных повторителей (Л20) подается на сетки последних четырех каскадов предварительного УПЧ и первого каскада УПЧ. Второй катодный повторитель (Л20) подается на сетки последних четырех каскадов предварительного УПЧ и первого каскада УПЧ. Второй катодный повторитель (Л20) используется в цепях контроля работы схемы АРУ.

Схема АРУ, выполненная на лампах Д16-Л20, является общей для всего канала приема сигналов. В первом видеотракте канала приема сигналов имеется дополнительная схема АРУ, которая предназначена для повышения точности стабилизации среднего уровня видеоимпульсов управления.

Схема демодуляции предназначена для устранения амплитудной модуляции импульсного сигнала, поступающего в канал синхронизации. Схема состоит из детектора огибающей (Л23), усилителя низкой частоты (Л22) и каскада временной регулировки усиления (Л16).

С выхода второго видеотракта видеоимпульсы поступают на вход детектора огибающей (Л23). Выделенное детектором огибающей синусоидальное напряжение частоты Т гц усиливается однокаскадным усилителем низкой частоты (Л22) и подается на управляющие сетки пятого и шестого каскадов УПЧ (Л6, Л7) в качестве дополнительного смещения. Поэтому коэффициент усиления каскадов УПЧ изменяется с частотой Т гц в противофазе с огибающей усиливаемых импульсов промежуточной частоты, в результате чего глубина модуляции сигнала значительно понижается.

Назначение каскада временной регулировки усиления (Л16) состоит в следующем. Если к моменту перехода станции НБ в режим приема со стробированием сигнал станции НН еще не принимается, то должен быть осуществлен поиск и захват сигнала. Так при этом сигнал на выходе УПЧ отсутствует, схема АРУ выдает минимальное смещение и поэтому усиление УПЧ максимальное. Схема демодуляции работает как быстродействующая автоматическая регулировка усиления, ее постоянная времени значительно меньше, чем в схеме АРУ. Поэтому при приеме первой пары импульсов сигнала схема АРУ не успевает срабатывать, в результате чего в схему демодуляции подается сигнал большой амплитуды. Это вызывает появление настолько большого смещения на сетках пятого и шестого каскадов УПЧ, что на их выходе амплитуда нескольких последующих импульсов резко снижается, и захвата сигнала временным селектором может не произойти.

Каскад временной регулировки усиления запирает усилитель низкой частоты, так что напряжение смещения с выхода лампы Л22 подается на УПЧ только по истечении некоторого времени после приема первых импульсов сигнала. Это обеспечивает уверенный захват временным селектором станции НБ сигналов управления.

Схема контроля СЧК позволяет проверить правильность установления промежуточной частоты, т.е. проконтролировать работу схемы стабилизации частоты клистрона (СЧК).

Схема состоит из буферного каскада УПЧ (Л9), частотного детектора (Л10), видеоусилителя и катодного повторителя (Л11).

Импульсные сигналы промежуточной частоты через буферный каскад УПЧ (Л9) поступает на осциллограф со ждущей разверткой. Характер импульсов, наблюдаемых на экране осциллографа, зависит от величины и знака отклонения промежуточной частоты от ее номинального значения.


4.3.2. Канал управления

В канал управления входят два элемента блока НБ-3:

  • детектор напряжения сигнала ошибки (Л23)

  • усилитель низкой частоты (Л24).


Детектор напряжения сигнала ошибки (Л23) выделяет огибающую подводимых к нему видеоимпульсов, которая представляет собой синусоидальное напряжение сигнала ошибки. Это напряжение усиливается усилителем низкой частоты (Л24) и направляется в блок НБ-5.

Детектор вырабатывает также напряжение АРУ, которое подается на первый каскад видеоусилителя первого видеотракта (лампа Л21). Автоматическая регулировка усиления (лампа Л21), в дополнение к автоматической регулировке усиления ламп УПЧ, должна обеспечить независимость амплитуды напряжения ошибки от среднего уровня видеосигналов на входе приемника, чтобы амплитуда напряжения сигнала ошибки определялась только коэффициентом модуляции радиосигнала.


4.3.3. Канал формирования стробирующих импульсов.

В канал формирования стробирующих импульсов входят два элемента блока НБ-3: усилитель стробирующих импульсов (Л12) и реле включения строба (Р1), служащие для передачи стробирующих импульсов из блока НБ-4 к УПЧ канала приема сигналов.

Стробирующие импульсы на выходе усилителя имеют положительную полярность. Они поступают на первые два каскада УПЧ (Л1, Л2), отпирая их на время действия импульса.

Стробирующие импульсы передаются через контакты реле Р1. Реле управляется напряжением 27 В, подаваемым из программного механизма (блок НБ-9). При обесточенном реле, когда замкнуты контакты 1-2, канал приема сигналов открыт и стробирующие импульсы в его схему не поступают. При подаче на обмотку реле напряжения 27 В замыкаются контакты 2-3, канал приема сигналов закрывается и переходит в режим стробирования.


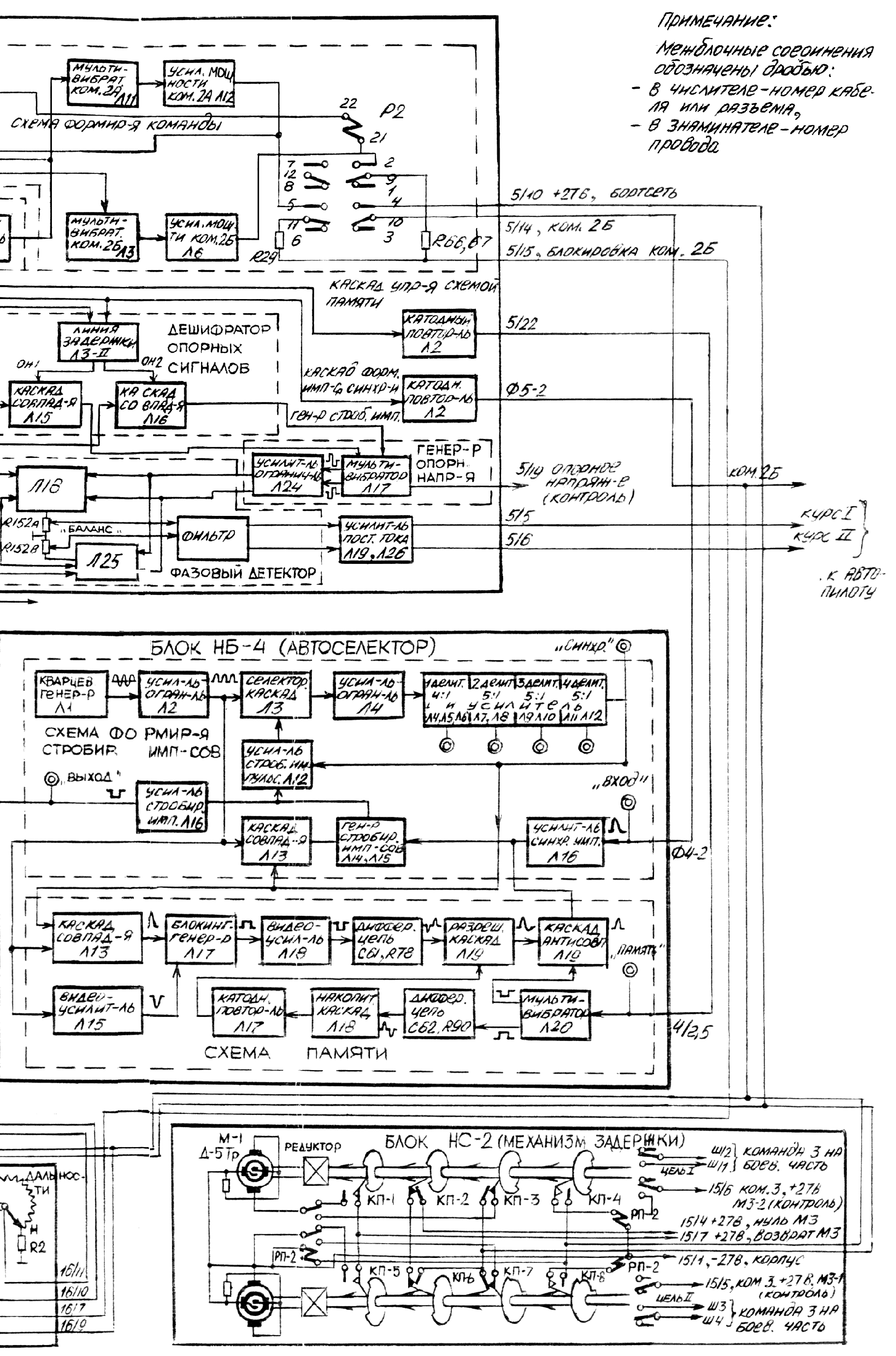
4.4. Блок НБ-4 (Автоселектор)

Блок НБ-4 осуществляет временную селекцию принимаемых сигналов. В автоселекторе расположены схема формирования стробирующих импульсов и схема памяти, которые составляют основную часть канала формирования стробирующих импульсов.


4.4.1. Схема формирования стробирующих импульсов.

В схему формирования стробирующих импульсов входят:

  • Кварцевый генератор (Л1);

  • усилитель-ограничитель (Л2);

  • селекторный каскад (ЛЗ);

  • усилитель-ограничитель (Л4);

  • четыре делителя частоты повторения импульсов (Л4-Л12);

  • каскад совпадений (Л13);

  • генератор стробирующих импульсов;

  • два усилителя стробирующих импульсов (Л2, Л16);

  • усилитель синхронизирующих импульсов (Л16).


Кварцевый генератор (Л1) генерирует синусоидальное напряжение с частотой fКВ, которое подается на усилитель-ограничитель (Л2). Здесь за счет ограничения синусоидальное напряжение превращается в последовательность импульсов, которая одновременно поступает на вход селекторного каскада (ЛЗ) и на каскад совпадений (Л13).

Селекторный каскад (Л13) работает в ключевом режиме и управляется усилителем-ограничителем стробируещего импульса (Л2). При отсутствии стробирующего импульса селекторный каскад открыт, и последовательность импульса с частотой fKB передается с усилителя-ограничителя (Л2) на вход второго усилителя-ограничителя (Л4). Здесь она ограничивается по амплитуде и поступает на делитель частоты повторения (Л4-Л12) с общим коэффициентом деления, равным 500.

Выходной импульс делителя подается на каскад совпадений (Л13), в котором выделяется 501-й импульс исходной последовательности. Импульс делителя за счет задержек в срабатывании его каскадов располагается по времени между 500 и 501-м импульсами первоначальной последовательности и его временное положение подвержено колебаниям из-за нестабильности каскадов делителя. Поэтому для устойчивой работы каскада совпадений выходной импульс делителя растягивается во времени в усилителе (Л12). Выходным импульсом каскада совпадений запускается генератор стробирующих импульсов (Л14, Л15).

Генератор стобирующих импульсов (Л14, Л15) представляет собой ждущий мультивибратор с одним устойчивым состоянием равновесия. Стробирующий импульс, выработанный мультивибратором, после усиления усилителем (Л16) подается в блок НБ-3 и отпирает канал приема сигналов. Одновременно стробирующий импульс закрывает селекторный каскад. При закрытом селекторном каскаде импульсы кварцевого генератора на вход делителя частоты повторения не передаются.

Из-за задержки в срабатывании генератора стробирующих импульсов, запускаемого 501-м импульсом, в делитель может проходить и 501-й импульс. Это будет приводить к случайному изменению длительности паузы между стробирующими импульсами на величину одного периода колебаний кварцевого генератора. Для устранения этого явления селекторный каскад (ЛЗ) до запирания его стробирующим импульсом предварительно закрывается выходным импульсом делителя, который начинается ранее прихода 501-го импульса.

Схема формирования стробирующих импульсов может работать в двух режимах: в режиме поиска и в режиме слежения. Длительность стробируюущего импульса в режиме поиска определяется собственными параметрами мультивибратора и составляет 70-100 мксек., если за это время сигнал от станции НН не будет принят, то в схеме мультивибратора произойдет опрокидывание, и стробирующий импульс закончится. При этом селекторный каскад вновь откроется, делитель частоты повторения начнет работать и после 500-го импульса входной импульс делителя через каскад совпадений снова запустит генератор стробирующих импульсов. Таким образом, период повторения стробирующим импульсов составит:

ТСТР = tСТР + tП

tСТР - длительность стробируюущего импульса (70-100) мксек;

tП - длительность паузы, равная пятистам периодам колебания кварцевого генератора.


В режиме поиска стробирующий импульс должен смещаться во времени относительно сигнала. Для этого период повторения стробирующего импульса ТСТР должен отличаться от периода повторения сигнала ТС. В станции НБ выбрано

ТСТР > ТС

где ТС = 1/Н - период повторения импульсного сигнала (рис. 11, а).

Когда стробирующий импульс совпадает во времени с моментом прихода сигнала НН, в канале синхронизации (в блоке НБ-5) с некоторой задержкой формируется синхронизирующий импульс, который через усилитель (Л16) подается на генератор стробирующих импульсов и срывает его работу. По истечении времени, равного (tП < TС) с момента окончания стробируюущего импульса, генератор стробирующих импульсов будет вновь запущен, а следующий импульс сигнала оборвет стробирующий импульс. В результате стробирующий импульс будет привязан во времени к сигналу станции НН и схема формирования стробирующих импульсов начнет работать в режиме слежения (рис. 11,б).

Длительность стробирующих импульсов в режиме слежения t'СТР определяется разностью между периодом повторения сигнала и длительностью паузы:

t'СТР = TС - tП

Она выбрана с таким расчетом, чтобы наиболее продолжительная трех импульсная кодовая посылка станции НН (опорного сигнала или сигнала команды 2) укладывалась с необходимым запасом на длительности стробирующего импульса.


4.4.2. Схема памяти

Схема памяти служит для сохранения режима слежения схемы формирования стробирующих импульсов и предотвращения перехода схемы в режим поиска при кратковременном нарушении приема сигналов станции НН.

В схему памяти входят:

  • каскад совпадений (Л13);

  • видеоусилитель (Л15);

  • блокинг-генератор (Л17);

  • видеоусилитель (Л18) с дифференцирующей цепью;

  • разрешающий каскад (Л19);

  • каскад антисовпадений (Л19);

  • катодный повторитель (Л17);

  • накопительный каскад (Л18);

  • дифференцирующая цепь;

  • мультивибратор (Л20).


Каскад совпадений схемы памяти (Л13) выделяет 501-й импульс кварцевого генератора. Выделенный импульс используется для запуска блокинг-генератора (Л17). На этот же блокинг-генератор через усилитель (Л15) подаются импульсы кварцевого генератора, которые используются в качестве калибрационных при установке длительности импульса. Длительность импульса блокинг-генератора устанавливается равной шести периодам частоты fКВ.

После усиления и дифференцирования импульсы блокинг-генератора подаются на вход разрешающего каскада (Л19), который пропускает только положительные импульсы, соответствующие заднему фронту импульса блокинг-генератора (импульсы памяти). Разрешающий каскад управляется накопительным каскадом (Л18). Импульсы памяти поступают на каскад антисовпадения (Л19) только тогда, когда напряжение на накопительном каскаде имеет некоторую заданную величину, при которой разрешающее устройство открыто.

В схеме памяти имеется ждущий мультивибратор (Л20), который запускается незадержанными импульсами, выдаваемыми каналом синхронизации (блок НБ-5). Импульсы мультивибратора запирают каскад антисовпадений, преграждая путь импульсами памяти, и одновременно через дифференцирующую цепь подаются на накопительный каскад.

В режиме поиска, когда синхронизирующие импульсы отсутствуют, каскад антисовпадений открыт, но при этом разрешающий каскад закрыт, так как на накопительном каскаде отсутствует напряжение, создаваемое продифференцированными импульсами мультивибратора.

После захвата сигнала, когда на схему памяти поступит не менее четырех синхронизирующих импульсов, накопительный каскад открывает разрешающий каскад. Импульсы памяти получают возможность проходить на каскад антисовпадений, но тогда этот каскад закрыт импульсами мультивибратора.

При нарушении приема импульсов сигнала станции НН синхронизирующие импульсы в канале синхронизации не вырабатываются и ждущий мультвибратор (Л20) не запускается. В следствие этого каскад антисовпадений открывается и пропускает импульсы памяти на генератор стробирующих импульсов, которые срывают его работу. Таким образом, импульсы памяти играют роль синхронизирующих импульсов, связанных с импульсами сигналов, и схема формирования стробирующих импульсов остается некоторое время в режиме слежения. Напряжение в накопительном каскаде в это время понижается, так как мультивибратор не работает. До этого момента, когда накопительный каскад закроет разрешающий каскад, он может пропустить 15 импульсов памяти. Если в течение этого времени прием сигналов станции НН восстановится, то мультивибратор закроет каскад антисовпадений и поднимет напряжение на накопительном каскаде. При этом восстановится нормальный режим слежения за сигналом. Если сигнал наземной станции принят не будет, то после 15-го импульса памяти разрешающий каскад будет закрыт накопительным каскадом, и схема формирования стробирующих импульсов перейдет в режим поиска.


4.5. Блок НБ-5 (Блок управления)

Блок НБ-5 (блок управления) формирует управляющее напряжение и синхронизирует во времени работу всех элементов станции НБ.

В блоке размещены элементы, входящие в следующие каналы функциональной схемы:

  • каналы управления;

  • каналы синхронизации;

  • каналы формирования команды 2.


4.5.1. Канал управления

В канале управления размещена основная часть элементов блока НБ-5, к которым относятся:

  • фазирущая схема;

  • селективный усилитель с катодным повторителем;

  • усилитель-ограничитель;

  • парафазный усилитель;

  • генератор опорного напряжения;

  • фазовый детектор;

  • усилитель постоянного тока.


Напряжение ошибки из блока НБ-3 поступает на вход фазирующей схемы (Л20), с помощью которой осуществляется первоначальная фазировка напряжения ошибки с опорным напряжением. Нагрузкой второго каскада фазирующей схемы, включенной в его катодной цепи является потенциометр дальности, конструктивно размещенный в блоке НБ-9.

С потенциометра дальности напряжение ошибки подается в селективный усилитель (Л21), в котором осуществляется подавление высших гармоник сигнала и выделение напряжения основной гармоники с частотой Т гц. Это напряжение через катодный повторитель (Л21) подается далее на усилитель-ограничитель состоящий из первого (Л22) и второго (Л27, Л28) ограничителей усилителя (Л23).

Назначение усилителя-ограничителя состоит в следующем. Начальная фаза напряжения ошибки определяется стороной отклонения ракеты от равносигнальной зоны. При отклонении вправо или влево, напряжение ошибки совпадает по фазе с опорным напряжением, вырабатываемом в станции НБ, или отличается от него по фазе на 180°. При отклонении вверх или вниз, разность фаз между напряжением ошибки и опорным напряжением составит ±90°. В общем случае при произвольном направлении отклонении ракеты, напряжение ошибки содержит обе эти составляющие.

Первая составляющая напряжения ошибки является полезной, она образует на выходе фазового детектора напряжения ошибки постоянного тока, которое используется для управления полетом ракеты в горизонтальной плоскости. Вторая составляющая для управления не используется. В следствие того, что управление по высоте производится автономной аппаратурой, работу которой не возможно точно согласовать с программным движением луча антенны станции НН в вертикальной плоскости, отклонения ракеты от оси радиолуча в вертикальной плоскости могут достигать больших величин, и, следовательно, вторая составляющая напряжения ошибки может иметь большую амплитуду.

Свойства фазового детектора таковы, что при подаче на его вход синусоидального напряжения одинаковой с опорным напряжением частоты, но сдвинутого по фазе на +90°, напряжение постоянного тока на выходе детектора отсутствует. Следовательно, при отклонении ракеты точно вверх или вниз от равносигнальной зоны, которое сопровождается появлением напряжения ошибки, сдвинутого по фазе на 90° относительно опорного, станция НБ не должна выдавать напряжения на автопилот.

Такое положение выполняется до тех пор, пока вторая составляющая напряжения ошибки (сдвинутая на 90°) на входе фазового детектора имеет симметричные положительную и отрицательную полуволны. При больших амплитудах эта составляющая в следствии перегрузки каскадов может получить нелинейные искажения, нарушающие симметрию положительной и отрицательной полуволн. При этом фазовый детектор будет выдавать напряжение на автопилот и при отклонении ракеты точно вверх (или вниз) от оси радиолуча, что нарушает правильность управления ракетой по курсу.

Симметричное двухстороннее ограничение напряжения ошибки при больших амплитудах ограничителями (Л22, Л27, Л28) устраняет возможность такой ненормальной работы станции НБ.

После усилителя-ограничителя напряжение ошибки подается на парафазный усилитель (Л23), на выходе которого создаются два напряжения, одинаковые по амплитуде, но сдвинутые по фазе на 180°. Эти напряжения поступают на фазовый детектор (Л18, Л25). Опорное напряжение к фазовому детектору подводится от генератора опорного напряжения (Л17, Л24). Генератором опорного напряжения является мультивибратор (Л17) с усилителем-ограничителем (Л24). Работа мультивибратора синхронизируется импульсами, поступающими из канала синхронизации. Мультивибратор вырабатывает напряжение прямоугольной формы с частотой вращения характеристики направленности антенны наземной станции управления (Т гц) сфазированное с положением диаграммы направленности. Для увеличения крутизны фронтов и амплитуды прямоугольного опорного напряжения в схему генератора опорного напряжения включен усилитель-ограничитель.

На нагрузке фазового детектора (после фильтра) выделяется управляющее напряжение постоянного тока, величина которого пропорциональна боковому отклонению ракеты от оси равносигнальной зоны. Полярность этого напряжения характеризует сторону отклонения от равносигнальной зоны.

После усиления усилителем постоянного тока (Л19, Л26) управляющее напряжение подается на автопилот.


4.5.2. Канал синхронизации

Все элементы, входящие в канал синхронизации, размещены в блоке НБ-5. К ним относятся:

  • дешифратор основной кодовой пары импульсов,

  • дешифратор опорных сигналов,

  • каскад управления схемой памяти,

  • схема формирования импульса запуска ответчика,

  • каскад формирования импульса синхронизации генератора стробирующих импульсов,

  • каскад формирования импульса-подавителя.


Видеоимпульсы из блока НБ-3 через катодные повторители (Л7) подаются одновременно на вход дешифратора основной кодовой пары и на вход дешифратора опорных сигналов.

Дешифратор основной кодовой пары состоит из каскада совпадения (Л9), линии задержки ЛЗ-1 и блокинг-генератора (Л8).

Линия ЛЗ-1 имеет время задержки, равное 2 мксек. При совпадении во времени второго импульса основной кодовой пары и первого импульса пары, задержанного на 2 мксек, на выходе каскада совпадения (Л9) формируется

одиночный импульс, который запускает блокинг-генератор (Л8). Импульс блокинг-генератора подается на линию задержки Л3_11 и на катодный повторитель (Л2).

Второй отвод линии задержки ЛЗ-1 к усилителю совпадений (Л9) служит для дешифрирования первой пары импульсов сигналов команды 2.

Катодный повторитель (Л2) формирует импульс запуска мультивибратора (Л20 в блоке НБ-4) и является каскадом управления схемой памяти.

В дешифратор опорных сигналов входят два каскада совпадения (Л15, Л16) и часть линии задержки ЛЗ-11.

Линия ЛЗ-11 имеет ряд отводов с различными временем задержки. Вывод "ОН 1" для импульса с временной задержкой в 3.5 мксек и вывод "ОН 2" для импульса с задержкой в 5 мксек подключены ко входам первого и второго каскадов совпадения дешифратора опорных сигналов. На эти же каскады подаются незадержанные видеоимпульсы сигнала станции НН от катодного повторителя, стоящего на входе канала (Л7).

Импульс блокинг-генератора (Л8), задержанный в линии ЛЗ-11 на 3.5 и 5 мксек, поочередно совпадает в одном из каскадов совпадений (Л25 или Л16) с третьим импульсом кодовой группы фиксирующим крайнее правое (Ωt = 90°) или крайнее левое (Ωt = 270°) положения антенного луча станции НН при его вращении. Таким образом, на выходе первого и второго каскадов совпадений поочередно образуются одиночные импульсы, которые используются для синхронизации генератора опорного напряжения, находящегося в канале управления (Л17, Л24).

С вывода "6, 7, 11" линии ЛЗ-11 задержанный импульс подается одновременно в схему формирования импульса запуска ответчика и на каскад формирования импульса синхронизации генератора стробирующих импульсов.

Схема формирования импульса запуска ответчика состоит из усилителя и блокинг-генератора (Л1). С выхода блокинг-генератора импульс запуска подается в канал передачи ответных сигналов (блок НБ-6).

Каскад формирования импульса синхронизации генератора стробирующих импульсов представляет собой катодный повторитель (Л2), с выхода которого синхронизирующий импульс подается в схему временного селектора (блок НБ-4).

С вывода "6, 7 11 + 0.3" линии ЛЗ-11 задержанный импульс подается на каскад формирования импульса-подавителя, который представляет собой ждущий блокинг-генератор (л8). Сформированные блокинг-генератором импульсы подаются на катоды ламп первого и второго каскадов УПЧ канала приема сигналов (блок НБ-3).


4.5.3. Канал формирования команды 2

В этом канале производится дешифрирование трехимпульсных кодовых групп сигнала команды 2 и формирование этой команды путем выдачи напряжения 27В.

Все элементы, входящие в канал формирования команды 2, размещены в блоке НБ-5. К ним относятся:

  • дешифратор команды 2;

  • накопитель импульсов;

  • схема формирования команды 2.


Дешифратор команды 2 состоит из:

  • расширителя импульсов (Л13);

  • видеоусилителя (Л14);

  • катодного повторителя (Л14);

  • линии задержки (Л3-111);

  • каскада совпадений (Л10);

  • блокинг-генератора (Л4);

  • двух переключателей кодов.


Видеоимпульсы сигналов станции НН через катодный повторитель (Л7) поступают на расширитель импульсов (Л13) для увеличения их длительности. Расширение импульсов производится путем сложения в анодной цепи лампы Л13 исходного импульса с импульсом, задержанным линией ЛЗ-1, благодаря чему длительность импульса приблизительно удваивается. Далее импульсы усиливаются видеоусилителем (Л14) и через катодный повторитель (Л14) подаются одновременно на линию задержки ЛЗ-111 и каскад совпадений (Л10).

Линия задержки ЛЗ-111 имеет ряд отводов, соответствующих различным временам задержки, используемых для получения набора кода. В зависимости от установленных для команды 2А и 2Б кодов выводы линии задержки ЛЗ-111 подключаются к каскаду совпадений (Л10) через соответствующий переключатель кодов и контакты 9 и 12 реле Р1. При одновременном совпадении во времени трех импульсов на выходе каскада совпадений образуется одиночный импульс, которым запускается блокинг-генератор (Л4).

Импульсы блокинг-генератора подаются на накопитель импульсов, который состоит из накопительного каскада (Л5) и катодного повторителя (Л5).


Схема формирования команды 2 включает в себя:

элементы для формирования команды 2А:

  • реле Р1;

  • мультивибратор (Л11);

  • усилитель мощности (Л12)


элементы для формирования команды 2Б:

  • реле Р2;

  • мультивибратор (ЛЗ);

  • усилитель мощности (Л6).


При обесточенной обмотке реле Р1 его контакты 5-11 разомкнуты, и к выходу катодного повторителя (Л5) подсоединен только мультивибратор схемы формирования команды 2А (Л11). При поступлении сигналов команды 2А мультивибратор (Л11) запускается. Это происходит только после подачи на вход накопителя (Л5) одиннадцати импульсов с блокинг-генератора. Такая мера служит для защиты цепей формирования команды 2 от случайных импульсных помех.

Нагрузкой усилителя мощности (Л12) является обмотка реле Р1. Это реле служит для подготовки схемы к приему команды 2Б. Когда реле Р1 срабатывает, то к выходу катодного повторителя (Л5) через контакты 5-11 подключается мультивибратор схемы формирования команды 2Б (ЛЗ). Через контакты 2-9 и 7-12 к каскаду совпадений (Л 10) подключаются соответствующие вывода линии задержки ЛЗ-111, а через контакты 4-10 включается анодное питание усилителя мощности схемы формирования команды 2Б (Л6).

Мультивибратор схемы формирования команды 2А (Л11) вырабатывает импульс длительностью в 135-155 мксек. Если в течении этого времени не будут приняты сигналы исполнительной команды 2Б, то схема вернется в исходное положение.

Принцип формирования исполнительной команды 2Б аналогичен описанному выше. По исполнительной команде срабатывает реле Р2, через контакты 4-10 которого в канал тангажа автопилота выдается команда 2Б в виде напряжения 27 в. Одновременно команда 2Б подается на запуск механизма задержки (блок НС-2) и на обмотку реле РЗ в блоке НБ-8. Реле РЗ служит для выключения ответчика, что необходимо для фиксации на станции НН момента выдачи станции НБ команды 2Б (или 2В).

При срабатывании реле Р2 осуществляется самоблокировка реле Р1 и Р2. Самоблокировка заключается в том, что при замыкании контактов 5-11 и 2-9 реле Р2 замыкаются цепи питания обмоток реле Р1 и Р2 независимо от работы соответствующих каскадов усилителя мощности (Л6, Л12).


4.6. Блок НБ-6 (Ответчик)

В блоке НБ-6 (ответчик) размещены элементы канала передачи ответных сигналов (передатчик) и антенный переключатель. Передатчик состоит из

  • ждущего блокинг-генератора с катодным повторителем (Л1);

  • подмодулятора (Л2);

  • модулятора (ЛЗ);

  • магнетронного генератора (Л4);

  • трех выпрямителей (Л70Л10; Сл1, Сл2).


Импульс запуска ответчика подается на блокинг-генертор (Л1) из канала синхронизации (из блока НБ-5). Блокинг-генератор вырабатывает импульс, который через катодный повторитель (Л1) подается на подмодулятор (Л2). В подмодуляторе происходит формирование импульса нужной формы и длительности. Модулятор (ЛЗ) вырабатывает мощный отрицательный импульс, необходимый для запуска магнетрона (Л4). Высокочастотный импульс, генерируемый магнетроном, поступает через главный волновод в антенну.

Выпрямители служат для питания анодно-экранных цепей и цепей смещения передатчика.

Антенный переключатель расположен в главном волноводе и состоит из разрядника защиты приемника (Л6) с выпрямителем поджига (СлЗ и Сл4) и разрядника блокировки передатчика (Л5). В волноводном тракте блока имеется поглотитель с затуханием 10 дБ для снижения излучаемой мощности при контроле работы и настройки станции НБ. Управление поглотителем осуществляется с помощью электромагнита ЭМ1.

При выдаче станцией НН команды 2Б передатчик выключается из работы с помощью реле Р1, которое разрывает цепь питания высоковольтного выпрямителя. Работой реле Р1 управляет реле РЗ, расположенное в блоке НБ-8.


4.7. Блок НБ-7 (блок питания)

В блоке НБ-7 (блок питания) размещены выпрямители для питания анодно-экранных цепей, и цепей смещения блоков НБ-2, НБ-3, НБ-4 и НБ-5 станции НБ. Блок НБ-7 состоит из трех стабилизированных выпрямителей с выходными напряжениями +130 в, +250 в и -250 в.

Питание блока осуществляется напряжением 115 в частотой 400 гц.


4.8. Блок НБ-9 (Механизм времени)

Блок НБ-9 (механизм времени) предназначен для управления работой станции НБ по определенной временной программе. Блок состоит из кулачкового механизма, приводимого в движение электродвигателей с редуктором и переключателей. На одной оси с кулачками укреплен подвижный контакт потенциометра дальности.


С момента старта ракеты блок НБ-9 выполняет следующие операции:

  • выдает команду 1 через 25 сек после старта. Команда выдается в автопилот в виде напряжения 27В;

  • производит включение стробирования приемника через 70 сек. после старта. Эта команда выдается включением напряжением 27В на обмотку реле Р1 в блоке НБ-3;

  • снимает блокировку цепей формирования команды 2Б путем замыкания цепи катодного тока лампы усилителя мощности (Л6) в блоке НБ-5. Задержка разблокировки устанавливается перед стартом ракеты;

  • выдает команду 2В. Команда 2В выдается в виде напряжения 27В в канал тангажа автопилота на реле РЗ блока НБ-8, выключающее ответчик, и на механизм задержки (в блок НС-2). Задержка выдачи команды 2В устанавливается перед стартом ракеты в пределах 200-500 сек. Блокировка цепей формирования команды 2Б снимается на 160 сек. ранее выдачи команды 2В.


4.9. Блок НС-2 (Механизм задержки)

Блок НС-2 (механизм задержки) предназначен для выдачи команды 3 на боевую часть ракеты с заданной временной задержкой относительно команды 2Б или 2В.

Для повышения надежности работы блок НС-2 выполнен в виде двух одинаковых параллельно действующих механизмов. Каждый механизм состоит из электродвигателя с редуктором и программного кулачкового механизма с контактами.

Задержка выдачи команды 2 может быть установлена в пределах от 0.2 до 22 сек.


1 При описании принципа управления ракетой ФКР-1, из соображения наглядности не учитывается, что в станции НБ опорное и синусоидальное напряжение ошибки при отклонении ракеты вправо или влево от равносигнальной зоны сдвинуто по фазе ±90° относительно огибающей вида импульсов.

1 Рисунок расположен в конце всего текста. Блок-схема разбита на три составляющие. Неразделенная схема, находится в файле allbloks.gif


 
© 2012 Рефераты, доклады, дипломные и курсовые работы.